Найти в Дзене
АО «ПЗЭМИ»

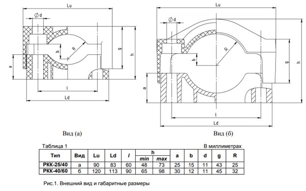
🔧 Кабельные хомуты РКК 🔧

Крепления для кабелей 6-35 кВ. ✅ Характеристики: • Полиамид черного цвета (2 профиля) • Ребра жесткости • Температура: -60°С...+120°С • Стойкость к: • Атмосферным воздействиям • Маслам и нефтепродуктам • УФ и озону • Надежное крепление при токах КЗ 🛠 Применение: • Фиксация кабелей среднего напряжения • Монтаж на конструкциях любого угла • Вертикальные трассы • Подвес под полкой (по согласованию) • Соответствие ГОСТ и международным стандартам • Производство на современном оборудовании 📦 Комплект: • РКК (2 части) • Крепеж (опционально) • Паспорт ⏳ Сроки: • Служба: 25+ лет • Гарантия: 5 лет 📞 +7 (495) 798-00-46 🌐 pzemi.ru #ПЗЭМИ #кабельныехомуты #РКК #электромонтаж #энергетика #строительство

Крепления для кабелей 6-35 кВ.

Характеристики:

• Полиамид черного цвета (2 профиля)

• Ребра жесткости

• Температура: -60°С...+120°С

• Стойкость к:

• Атмосферным воздействиям

• Маслам и нефтепродуктам

• УФ и озону

• Надежное крепление при токах КЗ

🛠 Применение:

• Фиксация кабелей среднего напряжения

• Монтаж на конструкциях любого угла

• Вертикальные трассы

• Подвес под полкой (по согласованию)

• Соответствие ГОСТ и международным стандартам

• Производство на современном оборудовании

-2

📦 Комплект:

• РКК (2 части)

• Крепеж (опционально)

• Паспорт

Сроки:

• Служба: 25+ лет

• Гарантия: 5 лет

📞 +7 (495) 798-00-46

🌐 pzemi.ru

#ПЗЭМИ #кабельныехомуты #РКК #электромонтаж #энергетика #строительство