Найти в Дзене

Модернизация подвесного лодочного мотора «Салют/Спутник»

При переоборудовании и модернизации своего мотора «Салют» я задался целью получить, может быть, и менее красивый, но зато более легкий и удобный в эксплуатации мотор. Прежде всего я снял с мотора капот со встроенным топливным бачком, нижний кожух с деталями крепления и ручной стартер. Эта мера и обеспечила снижение веса мотора с 12 кг до 8. Для подачи топлива из отдельного бачка использованы бензошланг с подкачивающей грушей и диафрагменный бензонасос от мотора «Москва», подсоединенный к картеру при помощи штуцера Ø4 мм. Заводской диск пускового устройства, установленный на маховике, отштампован из очень тонкого стального листа, поэтому шнур для запуска часто рвется о его острые края. Конечно, избавиться от этого дефекта можно было бы и другими путями, но я изготовил новый диск большей толщины из дуралюмина. Крепится диск штатной глухой гайкой и от проворачивания стопорится двумя винтами М6, головки которых входят в смотровые окна маховика. Маховик с пусковым диском закрыл кожухом, и

При переоборудовании и модернизации своего мотора «Салют» я задался целью получить, может быть, и менее красивый, но зато более легкий и удобный в эксплуатации мотор.

Общий вид переделанного лодочного мотора «Салют»


1 — поворачивающийся хомутик; 2 — кожух; 3 — поддон; 4 — шланг с грушей.
1 — поворачивающийся хомутик; 2 — кожух; 3 — поддон; 4 — шланг с грушей.

Прежде всего я снял с мотора капот со встроенным топливным бачком, нижний кожух с деталями крепления и ручной стартер. Эта мера и обеспечила снижение веса мотора с 12 кг до 8.

Для подачи топлива из отдельного бачка использованы бензошланг с подкачивающей грушей и диафрагменный бензонасос от мотора «Москва», подсоединенный к картеру при помощи штуцера Ø4 мм.

Заводской диск пускового устройства, установленный на маховике, отштампован из очень тонкого стального листа, поэтому шнур для запуска часто рвется о его острые края. Конечно, избавиться от этого дефекта можно было бы и другими путями, но я изготовил новый диск большей толщины из дуралюмина.

Диск для запуска
Диск для запуска

Крепится диск штатной глухой гайкой и от проворачивания стопорится двумя винтами М6, головки которых входят в смотровые окна маховика.

Маховик с пусковым диском закрыл кожухом, изготовленным из алюминия на давильном станке.

Кожух
Кожух

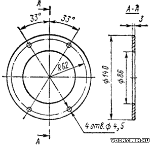
Можно сделать его и более простым способом — из алюминиевого 3-литрового хозяйственного бидона или обычной кастрюли подходящего диаметра. Кожух крепится к специальному поддону, изготовленному из дуралюмина, и подтягивается накидной защелкой.

Поддон
Поддон

Для уплотнения на поддон наклеено кольцо из микропористой резины толщиной 3—4 мм. К ушкам картера поддон крепится на четырех стойках.

Стойка для поддона
Стойка для поддона

Кронштейн для бензонасоса может иметь произвольную форму, может быть изготовлен отдельно (и закреплен винтами или заклепками) или заодно с поддоном.

Для улучшения запуска в надводной части дейдвуда просверлены три отверстия диаметром 4 мм. После того, как мотор заработал, отверстия закрываются поворачивающимся хомутиком из жести.

В щель между гребным винтом и редуктором поставлена шайба, выточенная из фторопласта (применимы также капрон и винипласт). Эта шайба препятствует наматыванию водорослей на гребной валик.

Шайба под гребной винт
Шайба под гребной винт

На своем «Салюте» я сделал систему освещения от магнето, позволяющую питать во время движения шестивольтовую лампочку мощностью 10 вт.

Схема электроосвещения

А — к конденсатору системы зажигания; В — выключатель; Д - диод Д-215; С - конденсатор электролитический 30 мкф, 25 вольт.
Схема электроосвещения А — к конденсатору системы зажигания; В — выключатель; Д - диод Д-215; С - конденсатор электролитический 30 мкф, 25 вольт.

Все эти переделки позволили значительно улучшить эксплуатационные качества мотора.

Н. П. Молчанов.