Добавить в корзинуПозвонить
Найти в Дзене
Сергей Гайдук

Большой генератор на микросхеме ICL8038. Как его собрать?

Здравствуйте мои читатели! И особенно начинающие электронщики!!! Этот материал специально для начинающих. И опять материал про генератор. Как собирать конструктор, надеюсь, многие мои читатели уже поняли и собирали. Три дня назад я рассказал. как начинать собирать генератор на микросхеме XR2206. Вспоминаем Там рассказано о начале сборки и проверке деталей корпуса, а в этом материале хочу рассказать для сравнения про аналогичный генератор, но на другой микросхеме (их даже ЧЕТЫРЕ!). Выполняет этот генератор те же функции, что и генератор на XR2206, а вот частотный диапазон у него уже, всего 400 кГц. Хорошо это или это его недостаток? Всё зависит от необходимого диапазона работ. Уменьшить диапазон перестройки легче, а вот расширить не получится (микросхема ICL8038 до 450 кГц перестроится, а вот дальше неизвестно). Выбор за моими читателями! Оба генератора я заказал и получил практически одновременно, но второй генератор заказывал без корпуса специально. Пакет с комплектующими приехал без

Здравствуйте мои читатели! И особенно начинающие электронщики!!!

Этот материал специально для начинающих.

И опять материал про генератор. Как собирать конструктор, надеюсь, многие мои читатели уже поняли и собирали.

Три дня назад я рассказал. как начинать собирать генератор на микросхеме XR2206. Вспоминаем

Там рассказано о начале сборки и проверке деталей корпуса, а в этом материале хочу рассказать для сравнения про аналогичный генератор, но на другой микросхеме (их даже ЧЕТЫРЕ!).

Выполняет этот генератор те же функции, что и генератор на XR2206, а вот частотный диапазон у него уже, всего 400 кГц. Хорошо это или это его недостаток? Всё зависит от необходимого диапазона работ. Уменьшить диапазон перестройки легче, а вот расширить не получится (микросхема ICL8038 до 450 кГц перестроится, а вот дальше неизвестно). Выбор за моими читателями!

Оба генератора я заказал и получил практически одновременно, но второй генератор заказывал без корпуса специально. Пакет с комплектующими приехал без повреждений и как обычно с минимальной документацией

-2

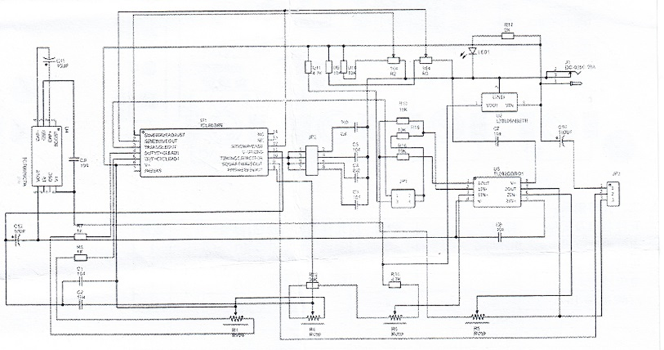
Схема замысловато нарисована и требует серьёзного разбирательства. Комплектация указана «почти» вся на китайском, но кое-что понять можно

-3

Хорошо, что у них радиоэлементы обозначаются на латинице и цифры арабские… Продолжаем учить китайский язык!

-4

А вот монтажная схема показана хорошо! Специально для начинающих!!! Открываю пакет и смотрю содержимое

-5

Визуально, всё совпадает с таблицей комплектующих, а соответствие номиналам проверю при монтаже.

Печатная плата выполнена нетрадиционно – цвет масок почти черный, но надписи читаются хорошо (и есть монтажная схема!).

-6

Лицевая сторона платы негативная «копия» монтажной схемы – разбираться будет легко!

А вот тыльная сторона платы выглядит очень и очень

-7

Видны только точки паки, но надо отметить, что всё зоны имеют отличное лужение! Надо отметить, что и в первом конструкторе лужение очень хорошее.

У моих читателей может возникнуть вопрос:- а зачем брал два конструктора?

Первое, что заинтересовало – это выход генератора, не от микросхемы ICL8038, а от операционного усилителя. Кстати, в материале один из моих читателей написал такой комментарий

-8

Очень существенное замечание! Буфер должен быть и он там будет! Но чтобы на выходе генератора синусоидальный сигнал был «настоящим» ( с положительными и отрицательными полуволнами), операционный усилитель должен иметь двухполярное питание. И это второе, что меня заинтересовало именно дополнительно питание минусовое. Всё решено очень просто – применили микросхему ICL7660 и проблему сняли. Микросхема представляет собой преобразователь, но только на конденсаторе без индуктивностей. Схема ключей на полевых транзисторах организована так, что вначале конденсатор подключен к входному питающему напряжению, а потом подключается к выходным клеммам в обратной полярности. Такие варианты преобразователей очень давно журнал «РАДИО» публиковал. Следовательно, этот преобразователь выдаёт напряжение со знаком минус, равное входному напряжению микросхемы. Питающее напряжение этой микросхемы от +1,5В до +10,5В (в отдельных источниках +12В). Вот и получают операционные усилители (их два одном корпусе) двухполярное питание.

Хочу добавить, что такой сигнал от генератора требуется очень редко, обычно достаточно разделительного конденсатора необходимой ёмкости, а она зависит от требуемой частоты.

В схему так же включен стабилизатор 78L09, стабилизирующий +9В. А микросхема ICL7660 вырабатывает -9В.

И третье, что вызвало интерес – один автор в своём материале про такой генератор упомянул о возможности регулировки симметричности треугольного напряжения до получения пилообразного.

После сборки двух генераторов буду делать испытания всех сигналов, и сравнивать по диапазону перестройки, качеству сигнала и по стабильности частоты.

У начинающих радиолюбителей провести такие испытания вызовут трудности – необходим осциллограф! И об этой проблеме (про наличие осциллографа) я готовлю материал.

Вот так коротко о втором генераторе. Хороший генератор!

Надеюсь, что материал понравился моим читателям, а от опытных радиолюбителей жду комментарии с обменом опыта по этой микросхеме и по генератору в сборе, если его собирали.

Желаю Всем моим читателям здоровья, счастья, удачи и конструкторских удей!!!

Желаю Всем чистого и мирного неба над головой!!!

Берегите себя!!!