Найти в Дзене
Electronics && Oleg Gorshkov

Сталкивающиеся огоньки на CD4017

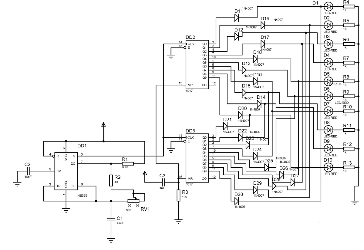
В преддверие Нового года многие радиолюбители мастерят различные гирлянды, огоньки, мигалки.... Внесу и я свой вклад в это дело. Пожалуй самой популярной микросхемой для подобных проектов оказывается CD4017 (полный отечественный аналог К561ИЕ8) представляет собой десятичный счетчик-дешифратор, который последовательно активирует один из десяти своих выходов (от 0 до 9) при каждом поступлении тактового импульса на вход. Очень распространена схема "бегущий огонь" на CD4017 и NE555. На NE555 реализован задающий мультивибратор. В данном случае светодиоды будут последовательно загораться D1-D10, циклично. По этой или очень похожим схемам реализовано множество электронных конструкторов (наборов для пайки). Поэтому я конечно же не буду рассматривать столь простую схему. Усложним проект. Две микросхемы CD4017 подключены через диоды к одним и тем же светодиодам задом наперёд. То есть выходы DD2 Q0-Q9 подключены соответственно к светодиодам D1-D9, а выходы DD3 Q0-Q9 подключены соответственно к с

В преддверие Нового года многие радиолюбители мастерят различные гирлянды, огоньки, мигалки.... Внесу и я свой вклад в это дело.

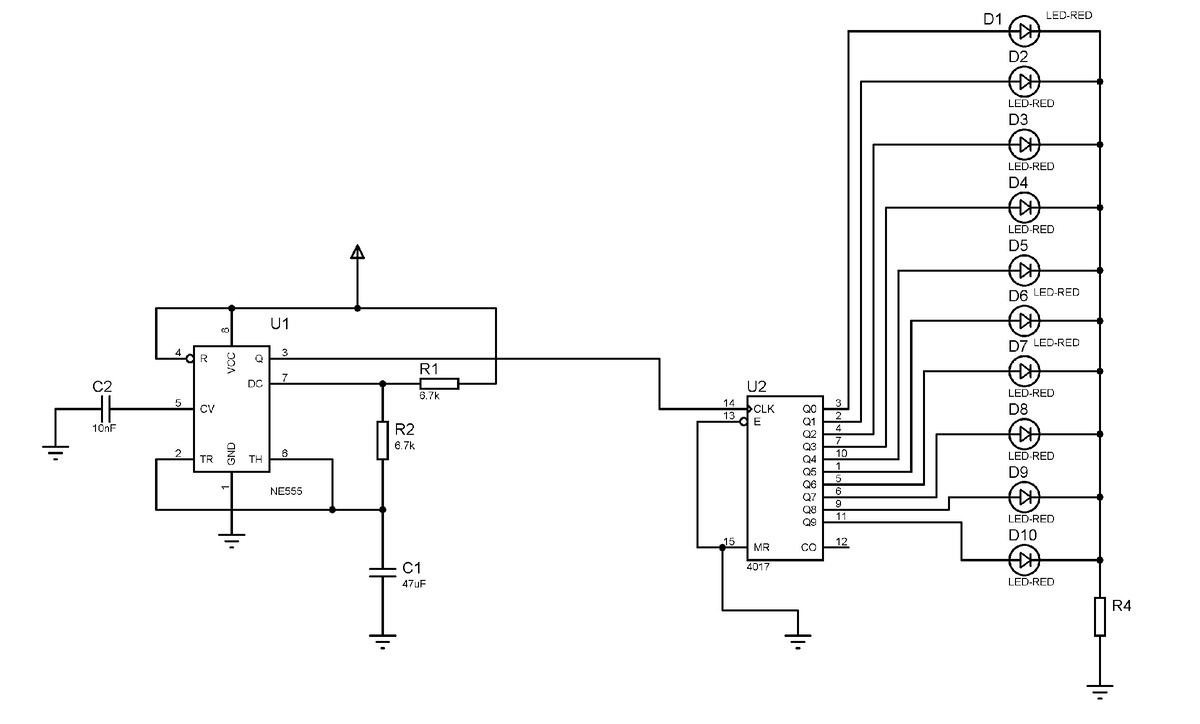
Пожалуй самой популярной микросхемой для подобных проектов оказывается CD4017 (полный отечественный аналог К561ИЕ8) представляет собой десятичный счетчик-дешифратор, который последовательно активирует один из десяти своих выходов (от 0 до 9) при каждом поступлении тактового импульса на вход.

Очень распространена схема "бегущий огонь" на CD4017 и NE555. На NE555 реализован задающий мультивибратор.

бегущий огонь
бегущий огонь

В данном случае светодиоды будут последовательно загораться D1-D10, циклично. По этой или очень похожим схемам реализовано множество электронных конструкторов (наборов для пайки). Поэтому я конечно же не буду рассматривать столь простую схему. Усложним проект.

Сталкивающиеся огоньки
Сталкивающиеся огоньки

Две микросхемы CD4017 подключены через диоды к одним и тем же светодиодам задом наперёд. То есть выходы DD2 (Q0-Q9) подключены соответственно к светодиодам D1-D9, а выходы DD3 (Q0-Q9) подключены наоборот к светодиодам D9-D1. Таким образом будет создаваться визуальный эффект того, что два огонька движутся на встречу друг другу, сталкиваются, и откатываются обратно, циклично.

На NE555 реализован задающий мультивибратор, как и в первой схеме. Потенциометр RV1 позволяет слегка изменить частоту.

Цепочка C3R3 служит для сброса обоих счётчиков в момент включения, синхронизируя таким образом загорание светодиодов в двух противоположных концах, в первоначальный момент.

Диоды D11-D30 защищают выходы счётчиков от поступления напряжения с другой микросхемы. 1N4007 здесь конечно же избыточны, просто у меня их много, а вообще подойдут любые маломощные диоды.

Питание схемы в моём случае будет осуществляться от батарейки типа "крона" (9 вольт). Но может работать и от 5 вольт, хоть и с меньшей яркостью.

Спаял схему на макетной плате 50 Х 70 мм.

результат
результат

Видео:

Поздравляю с наступающим Новым Годом!