Добавить в корзинуПозвонить
Найти в Дзене

Орион-128. Получение ОЗУ в области портов F400h-F600h.

Всех приветствую! В журнале "Радиолюбитель" за 1998 год в номере 4 на странице 8 одним из читателей была предложена доработка по получению ОЗУ для пользователя в области портов F400-F600, а конкретно F404-F4FF, F504-F5FF и F604-F6FF. Дело в том, что архитектура компьютера "отобрала" этот диапазон у пользователя и размещать там какие-либо программы (например, драйвер печати, о котором говорит автор статьи) не представляется возможным. В публикации всё чётко и ясно описано, доработка мне показалась интересной, я решил доработать свой компьютер и заполучить дополнительные 756 байт ОЗУ. Рекомендую сперва прочитать публикацию. Схема дешифратора для выделения ОЗУ следующая: На основной плате необходимо сделать всего один разрез. Вот проводник, идущий на плате в нужном месте: Место разреза (дорожка режется со стороны монтажа) отмечено крестом. Плата Орион-512 ревизия 512.3. На схеме разрез выполняется здесь: Эта информация для тех, кто понял суть вопроса и не считает нужным обращаться к перио

Всех приветствую!

В журнале "Радиолюбитель" за 1998 год в номере 4 на странице 8 одним из читателей была предложена доработка по получению ОЗУ для пользователя в области портов F400-F600, а конкретно F404-F4FF, F504-F5FF и F604-F6FF. Дело в том, что архитектура компьютера "отобрала" этот диапазон у пользователя и размещать там какие-либо программы (например, драйвер печати, о котором говорит автор статьи) не представляется возможным. В публикации всё чётко и ясно описано, доработка мне показалась интересной, я решил доработать свой компьютер и заполучить дополнительные 756 байт ОЗУ. Рекомендую сперва прочитать публикацию.

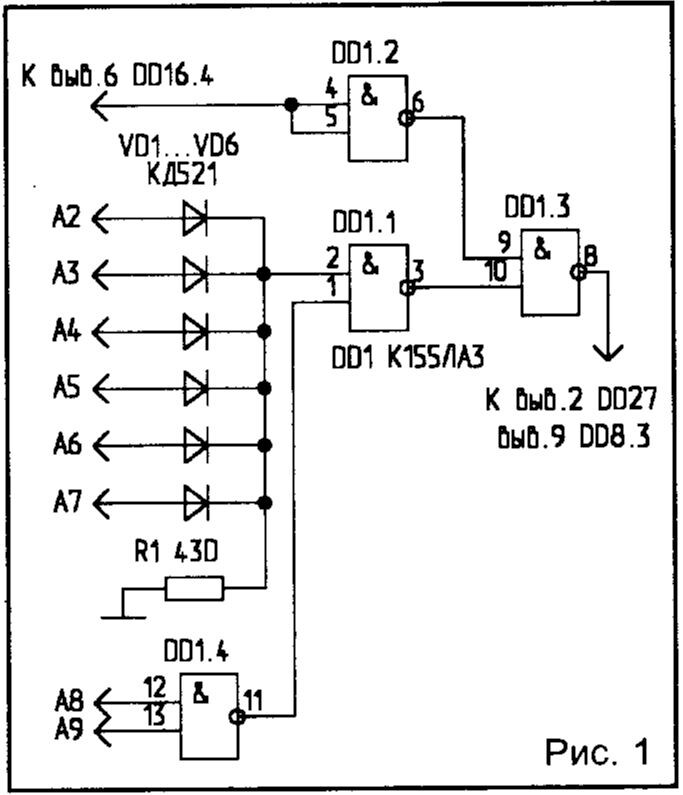
Схема дешифратора для выделения ОЗУ следующая:

На основной плате необходимо сделать всего один разрез. Вот проводник, идущий на плате в нужном месте:

-2

Место разреза (дорожка режется со стороны монтажа) отмечено крестом. Плата Орион-512 ревизия 512.3.

На схеме разрез выполняется здесь:

-3

Эта информация для тех, кто понял суть вопроса и не считает нужным обращаться к периодике.

Дешифратор я решил собрать на небольшой макетной плате, прикрепить его двусторонним скотчем к плате Ориона, а соединительные проводники пропустить через отверстие в плате и подпаять к микросхемам DD20 и DD21, а также в разрыв между микросхемой DD16 и DD27&DD8.

-4
-5

Осталось проверить доработку в действии. Для этого был написан небольшой тест для работы в областях F404-F4FF, F504-F5FF и F604-F6FF.

Работа теста без доработки:

-6

Работа теста с доработкой:

-7

Выполнять данную доработку или нет - решать вам.
Но лично у меня на использование этого ОЗУ появились планы.

Скачать тестовую программу и журнальную статью можно по ссылке https://disk.yandex.ru/d/aT-b_liXAZ5uNg

До новых встреч!