Добавить в корзинуПозвонить
Найти в Дзене
МАТРИКС ЭЛЕКТРОНИКА

Питание, интерфейсы, защита: Собираем надёжный ПЛК. Часть 2

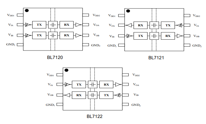
В первой части мы начали рассматривать программируемые логические контроллеры: типы, аппаратную структуру. Разобрали ПЛК от Xiaohua Semiconductor, а также рассмотрели компанию SGMICRO — производителя ПЛК как сигма-дельта АЦП, так и АЦП последовательного приближения (SAR). Двигаемся дальше, ведь немаловажную роль в модулях ввода вывода, как аналоговых, так и цифровых, играет гальваническая развязка. Гальваническая развязка позволяет изолировать первичные и вторичные цепи друг от друга таким образом, чтобы они могли обмениваться полезной информацией посредством сигналов безопасных уровней, но при этом любые всплески энергии и прочие небезопасные сигналы не могли пройти через нее. Для дискретных модулей ввода вывода компания «Матрикс Электроника» предлагает цифровые изоляторы китайского бренда Belling, который выпускает двухканальные и четырехканальные цифровые изоляторы серий BL712x и BL714x, конфигурационные структуры которых можно видеть на рисунках ниже. Они имеют степень изоляции 375

В первой части мы начали рассматривать программируемые логические контроллеры: типы, аппаратную структуру. Разобрали ПЛК от Xiaohua Semiconductor, а также рассмотрели компанию SGMICRO — производителя ПЛК как сигма-дельта АЦП, так и АЦП последовательного приближения (SAR). Двигаемся дальше, ведь немаловажную роль в модулях ввода вывода, как аналоговых, так и цифровых, играет гальваническая развязка.

Гальваническая развязка позволяет изолировать первичные и вторичные цепи друг от друга таким образом, чтобы они могли обмениваться полезной информацией посредством сигналов безопасных уровней, но при этом любые всплески энергии и прочие небезопасные сигналы не могли пройти через нее.

Для дискретных модулей ввода вывода компания «Матрикс Электроника» предлагает цифровые изоляторы китайского бренда Belling, который выпускает двухканальные и четырехканальные цифровые изоляторы серий BL712x и BL714x, конфигурационные структуры которых можно видеть на рисунках ниже. Они имеют степень изоляции 3750 и 5000 В ср.кв., скорость передачи данных 100 Мб/с и напряжение питания от 2,5 В до 5,5 В. В таблице 4 показаны основные параметры некоторых цифровых изоляторов Belling и их аналоги.

Конфигурационная структура двухканальных цифровых изоляторов BL712x компании Belling
Конфигурационная структура двухканальных цифровых изоляторов BL712x компании Belling
Конфигурационная структура четырехканальных цифровых изоляторов BL714x компании Belling
Конфигурационная структура четырехканальных цифровых изоляторов BL714x компании Belling
-4

Одним из популярных интерфейсов в промышленности в целом и в области ПЛК в частности является RS-485, который позволяет организовывать сети на большие расстояния с достаточно большим количеством узлов. Для применения в интерфейсных модулях «Матрикс Электроника» предлагает приемопередатчики RS-485/RS-422 китайской компании UMW, которые являются качественными копиями популярной продукции западных брендов.

В зависимости от модели они поддерживают скорости передачи данных от 256 Кб/с до 12 Мб/с и количество узлов от 32 до 256. Выпускаются они в корпусах SOP-8 и TSSOP-8. В таблице ниже можно посмотреть характеристики и аналоги некоторых приемопередатчиков RS-485/RS-422 компании UMW.

-5

Основная функция блока питания в ПЛК – преобразовать первичное напряжение сети 220 В во вторичное напряжение постоянного тока, предназначенное для питания остальных компонентов системы. Для этого в ассортименте компании Belling имеются две микросхемы AC/DC преобразователя, как с регулированием по первичной цепи преобразователя (PSR), так и по вторичной цепи (SSR).

В качестве PSR-преобразователя предлагается BL8802, который выпускается в корпусе DIP-7. Эта микросхема имеет в своем составе полевой транзистор на 1000 В и обеспечивает выходную мощность 15 Вт. На рисунке ниже показана типичная цепь AC/DC преобразователя на основе BL8802.

Схема AC/DC преобразователя на основе BL8802
Схема AC/DC преобразователя на основе BL8802

ШИМ-преобразователь BL8851, выпускаемый в корпусе SOT23-6, позволяет сформировать схему с SSR-преобразователем. Эта микросхема обеспечивает выходную мощность 60 Вт и при этом использует внешний полевой транзистор. Схему на ее основе можно видеть на рисунке ниже.

Схема AC/DC преобразователя на основе BL8851
Схема AC/DC преобразователя на основе BL8851

Напряжение, полученное от таких AC/DC преобразователей, по шинам питания распределяется на различные компоненты ПЛК посредством DC/DC преобразователей и LDO-стабилизаторов. Одним из подходящих для этих целей в рамках ПЛК является DC/DC преобразователь с широким диапазоном водных напряжений SGM61630 компании SGMICRO.

Это понижающий (Buck) регулятор с токовым режимом управления, рассчитанный на входное напряжение 4,3…60 В и способный обеспечивать до 3 А непрерывного выходного тока. Благодаря такому диапазону микросхема может работать как от стандартных промышленных шин, так и от неустойчивых источников, включая аккумуляторы и адаптеры питания с большими пульсациями.

Функциональная блок-схема понижающего DC/DC преобразователя SGM61630
Функциональная блок-схема понижающего DC/DC преобразователя SGM61630

Одним из преимуществ SGM61630 является широкий диапазон частот переключения (от 200 кГц до 2,5 МГц), что даёт инженеру свободу выбора между максимальной эффективностью и минимальными размерами дросселя/конденсаторов.

Для повышения надежности SGM61630 имеет целый набор защит: от перенапряжения, от перегрева, ограничение тока, снижение риска перенапряжений при старте. Микросхема поставляется в тепловыводящем корпусе SOIC-8 с открытой тепловой площадкой, обеспечивающем эффективный вывод тепла даже при работе на предельных выходных токах.

Помимо высоковольтных DC/DC-преобразователей в составе блока питания ПЛК необходимы малошумящие линейные стабилизаторы, обеспечивающие питание чувствительных аналоговых узлов, АЦП, ЦАП, опорных источников, интерфейсных микросхем и низковольтной логики. Одним из таких решений является серия BL8558 от компании Belling – компактный LDO-стабилизатор с низким энергопотреблением и малым падением напряжения.

Функциональная блок-схема LDO-стабилизатора BL8558
Функциональная блок-схема LDO-стабилизатора BL8558

BL8558 представляет собой LDO-стабилизатор напряжения с выходным диапазоном от 1,2 В до 4,5 В (с шагом настройки 0,1 В) и выходным током 500 мА при входном напряжении до 8 В. В состав микросхемы входят высокоточный опорный источник, усилитель ошибки, ограничитель тока и драйвер выхода с функцией активного разряда – это обеспечивает корректную работу схемы при выключении питания и ускоряет спад выходного напряжения.

Серия BL8558 отличается очень низким током потребления – около 75 мкА, а в режиме ожидания (standby) устройство потребляет всего 0,1 мкА, что особенно полезно в системах с дежурным питанием или энергоэффективных модульных контроллерах.

Для питания чувствительных аналоговых схем важны шумовые и переходные характеристики, и BL8558 хорошо подходит для этих задач: уровень выходного шума составляет всего 47 мкВ RMS, коэффициент подавления пульсаций достигает 66 дБ на 100 Гц, а температурный коэффициент не превышает ±100 ppm/°С.

Благодаря технологии подстройки (trimming) обеспечивается точность стабилизации ±2. Серия BL8558 выпускается в компактных корпусах SOT-23-5, SOT-89-3, SOT-23-3 и TO-92, что делает её удобной как для высокоплотного монтажа на платах современных ПЛК, так и для решения задач, где важна механическая прочность и удобство монтажа.

Благодаря сочетанию низкого шума, малого потребления, высокой точности и хороших переходных характеристик, BL8558 идеально подходит для формирования чистых и стабильных низковольтных линий питания внутри промышленного контроллера.

Где найти баланс качества и цены?

Современный программируемый логический контроллер – это сложная, многокомпонентная система, в которой каждый элемент критически важен для общей надежности, точности и устойчивости. Грамотный подбор компонентов для процессорного ядра, измерительных и исполнительных модулей, а также блока питания формирует фундамент для создания высокопроизводительного, долговечного и стабильного ПЛК.

Компания «Матрикс Электроника» предлагает качественные микросхемы таких брендов, как Xiaohua Semiconductor, SMICRO, Belling и UMW — для создания производительных и при этом экономичных решений.

Запросите полный каталог электронных компонентов и для вашего проекта прямо сейчас!

Наши специалисты помогут подобрать решение под ваши задачи:

свяжитесь с нами через сайт: https://gcmatrix.com/

или по электронной почте: info@gcmatrix.com