Найти в Дзене
Electronics && Oleg Gorshkov

Песочные часы на светодиодах. Продолжение

В предыдущей статье был рассмотрен вопрос имитации песочных часов на светодиодах, 74HC595, 74HC00. В комментариях под статьёй было несколько вопросов «Как увеличить число светодиодов?» «Как соединить два и более сдвиговых регистра?". Решил рассмотреть этот вопрос более подробно. Для объединения сдвиговых регистров 74HC595, у них имеется вывод переноса (пин 9), с которого сигнал данных передаётся на вход данных последующих микросхем каскада. Остальные входы, как видно из схемы соединяются параллельно. Таким образом будет производиться последовательно вывод на Q0-Q7 первой микросхемы, затем на Q0-Q7 второй микросхемы. В нашем случае схема приобретёт следующий вид: При счёте в одном направлении будут последовательно засвечиваться светодиоды D1-D16, при этом D17-D23 погасать. При счёте в обратном направление соответственно всё будет наоборот. Таким образом число светодиодов увеличится до 32 штук. Аналогичным образом подключается третья и более микросхема. Осталось только разместить вс

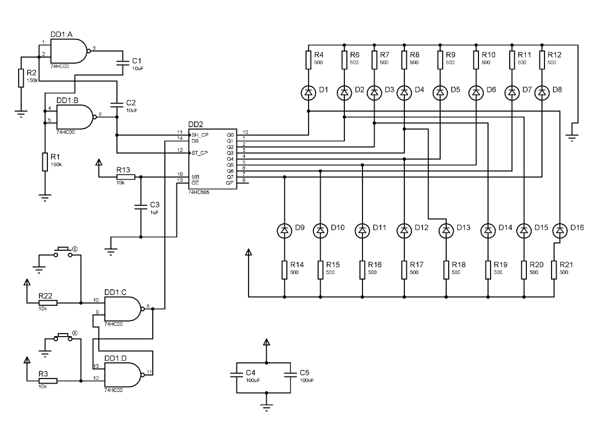
В предыдущей статье

был рассмотрен вопрос имитации песочных часов на светодиодах, 74HC595, 74HC00.

схема 1
схема 1

В комментариях под статьёй было несколько вопросов «Как увеличить число светодиодов?» «Как соединить два и более сдвиговых регистра?". Решил рассмотреть этот вопрос более подробно. Для объединения сдвиговых регистров 74HC595, у них имеется вывод переноса (пин 9), с которого сигнал данных передаётся на вход данных последующих микросхем каскада.

перенос
перенос

Остальные входы, как видно из схемы соединяются параллельно.

Таким образом будет производиться последовательно вывод на Q0-Q7 первой микросхемы, затем на Q0-Q7 второй микросхемы.

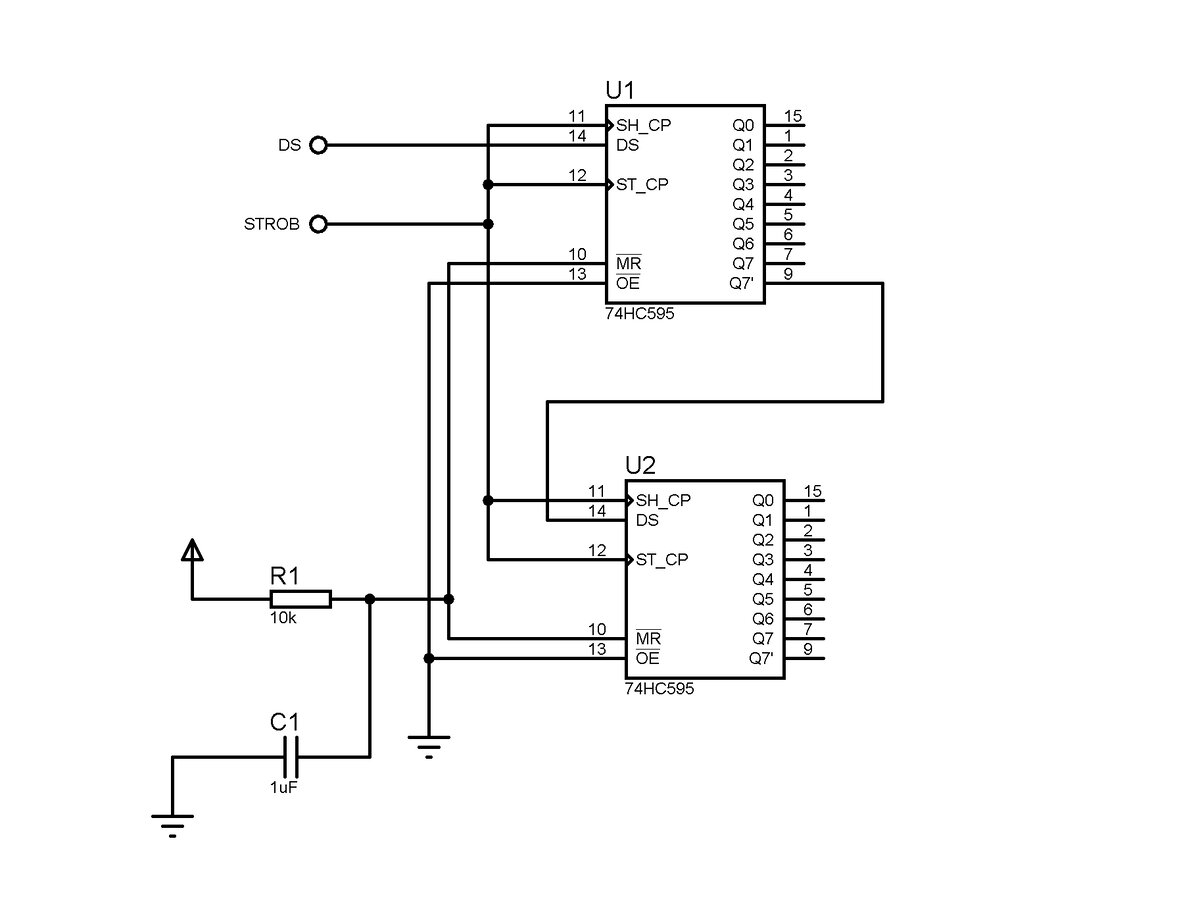
В нашем случае схема приобретёт следующий вид:

схема 2
схема 2

При счёте в одном направлении будут последовательно засвечиваться светодиоды D1-D16, при этом D17-D23 погасать. При счёте в обратном направление соответственно всё будет наоборот. Таким образом число светодиодов увеличится до 32 штук. Аналогичным образом подключается третья и более микросхема.

Осталось только разместить всё это на плате, светодиоды D1-D16 должны образовывать верхнюю чашу, а D17-D23 нижнюю.

Но распаять такое количество светодиодов на макетной плате адекватных размеров будет весьма проблематично. Ведь светодиоды нужно размещать максимально близко друг к другу, да ещё и к каждому подпаивать ограничительный резистор. В предыдущем варианте (16 светодиодов) габариты получились уже довольно внушительные (макетные платы 50 Х 70 мм).

Вывод очевиден – нужно разрабатывать печатную плату. Причём ЛУТ здесь не подойдёт, хотя бы потому что сверлить вручную под сотню отверстий как-то сомнительно, тем более желательно её сделать двухсторонней. Самым правильным выходом будет разработка двухсторонней платы и заказ её в Китае. Насколько я помню jlcpcb.com сейчас заказы из России не принимает, из-за санкций, но есть множество более мелких организаций, предлагающих свои услуги даже на Али экспресс.

Кстати, пока готовил эту статью наткнулся в интернете на два варианта похожих конструкторов песочных часов.

Первый вариант на микроконтроллере STC15W2045

С определением положения здесь, конечно, не заморачивались, светодиоды просто перетекают из одной чаши в другую, кнопка служит для изменения скорости. Всё размещается на одной плате.

Второй же вариант реализуется на 2х CD4015 – эта микросхема, содержащая два независимых 4-разрядных статических сдвиговых регистра с последовательным входом и параллельным выходом (чем-то похожа на 74HC595), и одной микросхеме CD4069 - содержит шесть независимых инверторов (логических элементов "НЕ", на ней сделан задающий генератор. В целом схема похожа на мою.

С определением положения здесь конечно же тоже не заморачивались, но как видно из схемы есть переключатель выбора направления, подающий нуль или единицу на вход сдвигового регистра. Монтируется на двух платах, что позволяет его ставить вертикально. Вот он меня заинтересовал. Возникла идея, а что, если к нему приколхозить концевики и RS триггер? Или, как вариант датчик положения, например модуль на SW-520D? Заказал себе для опытов здесь:

Двухслойный электронный набор Песочные часы для самостоятельного изготовления,DIY Набор для пайки,1 шт купить на OZON по низкой цене (3065334843)

цена вроде нормальная, только доставят не скоро. В общем, если выйдет, что-то интересное, напишу ещё продолжение.