Добавить в корзинуПозвонить
Найти в Дзене
АЛАЕВ

Модуль размещения пальчиковой радиолампы на монтажной плате

На этапе проектирования различных радиоламповых устройств периодически возникает потребность собрать макет на монтажной плате и проверить работу схемы. Большая часть монтажных плат имеет сетку отверстий с шагом 2.54 мм и на них просто так не разместить панельку от радиолампы, а очень хотелось бы! В этот момент начинаются танцы с бубном вокруг макета (сверление, выпиливание и прочие радости механической обработки текстолита, которые я очень не люблю, хоть и умею). Вместо того, чтобы заниматься отлаживанием схемы, я занимаюсь изготовлением конструкции, которая позволит надежно закрепить радиолампу. Что меня обычно не радует... Но ведь сейчас на Али продается немыслимое количество различных монтажных плат, в том числе и для радиоламп, скажете вы! Да, все так! Продается, но вот только есть ряд проблем с тем, что там предлагают. Во-первых, эти монтажные платы обычно позволяют поставить панельку/радиолампу только в строго отведенном на плате месте, что неудобно. Во-вторых, расположение
Оглавление

Часть 1. Зачем это нужно?

На этапе проектирования различных радиоламповых устройств периодически возникает потребность собрать макет на монтажной плате и проверить работу схемы. Большая часть монтажных плат имеет сетку отверстий с шагом 2.54 мм и на них просто так не разместить панельку от радиолампы, а очень хотелось бы!

В этот момент начинаются танцы с бубном вокруг макета (сверление, выпиливание и прочие радости механической обработки текстолита, которые я очень не люблю, хоть и умею). Вместо того, чтобы заниматься отлаживанием схемы, я занимаюсь изготовлением конструкции, которая позволит надежно закрепить радиолампу. Что меня обычно не радует...

Но ведь сейчас на Али продается немыслимое количество различных монтажных плат, в том числе и для радиоламп, скажете вы!

Да, все так! Продается, но вот только есть ряд проблем с тем, что там предлагают.

Во-первых, эти монтажные платы обычно позволяют поставить панельку/радиолампу только в строго отведенном на плате месте, что неудобно.

Во-вторых, расположение лампы всегда строго определенное, обычно вертикальное, что тоже бывает неудобно. А если я хочу разместить лампу горизонтально, что делать и как быть?

В-третьих, часто так бывает, что если по какой-то причине монтажная плата была заложена в проект в качестве необходимого комплектующего изделия, через некоторое время продукция исчезает с продажи и становится недоступной для приобретения. Продаются другие похожие монтажные платы, но они уже не подходят по размеру или форме и, как обычно бывает, они чуть-чуть другие и именно поэтому не помещаются там, где раньше размещались их предшественники.

Для меня выход один - хочешь сделать так, чтобы было удобно, - сделай сам! Что и было решено сделать!

Часть 2. Проектирование модуля размещения пальчиковой радиолампы.

Тут следует рассказать о том, какие технические требования были заложены в разработку. Постараюсь расставить их по порядку значимости (для меня).

1. Модуль должен быть универсальным в плане размещения радиолампы на монтажной плате. Т.е. он должен позволять установить лампу как горизонтально, так и вертикально. Для меня это очень важно и удобно при отладке схем.

2. Модуль должен надежно крепиться на монтажную плату с помощью штырьевых разъемов с шагом выводов 2.54 мм.

3. Модуль должен иметь сервисный функционал в виде управления подсветкой на случай размещения в готовом изделии (ну а почему бы и нет!).

Часть 3. Практическая реализация.

Стоит отметить, что модуль размещения пальчиковой лампы я проектировал под конкретную лампу - 6Н6П, но, учитывая, что цоколевка у всех или у большей части двойных триодов одинаковая, то можно смело подключать радиолампы:

  • 6Н1П, 6Н2П, 6Н3П, 6Н6П, 6Н23П, 6Н30П и др.
  • 12AX7, 12AU7, 12AT7, 6922, ECC88, E88CC, 6DJ8, 6N11, 5751 и др.

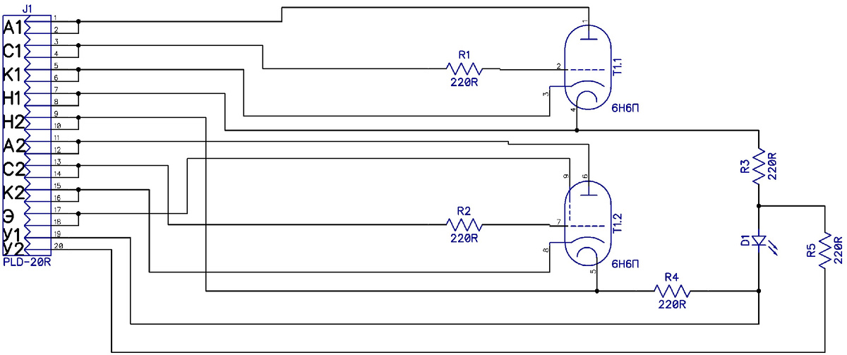
Ниже представлена принципиальная схема модуля, по которой была разведена печатная плата.

Принципиальная схема модуля размещения пальчиковой радиолампы
Принципиальная схема модуля размещения пальчиковой радиолампы

1. Резисторы R1, R2 - это сеточные резисторы в корпусе chip 1210, так называемые "grid stopper", значение на схеме указано условно (по факту ставится то, что нужно).

2. Разъем J1 - двухрядный штырьевой разъем PLD-20 на 20 контактов с шагом 2.54 мм. Ставится либо прямой PLD-20, если лампа должна размещаться вертикально, либо угловой PLD-20R, если лампа должна размещаться горизонтально. Для надежности ключевые выводы радиолампы (аноды, сетки, катоды, накал) продублированы.

Для радиоламп из серии 12А_7 "вывод 9" - это средняя точка накала, для отечественных радиоламп "вывод 9" - это экран между триодами внутри баллона лампы. По этой причине "вывод 9" имеет универсальное подключение и распаивается в зависимости от типа установленной радиолампы.

3. Подсветка D1 - может быть либо светодиод в выводном корпусе 3 мм (либо chip в корпусе 1206). Также в качестве D1 может быть установлена сверхминиатюрная лампа накаливания типа СМН-6.3-20-2.

Сверхминиатюрные лампы накаливания создают очень приятное мягкое оранжевое свечение. У них такой же спектр свечения, как и у подсветки накала, только ярче. К сожалению, с помощью светодиодов даже оранжевого свечения не получается добиться того же эффекта. Светодиодная подсветка более "холодная", "ненатуральная" и выдает себя своей неламповостью.

В зависимости от типа подсветки меняется назначение сервисных резисторов R3, R4, R5.

Возможны различные варианты конфигурации подсветки.

1. Подсветка светодиодная с питанием от накала радиолампы (6.3 В).

Подсветка светодиодная с питанием от напряжения накала радиолампы (6.3 В)
Подсветка светодиодная с питанием от напряжения накала радиолампы (6.3 В)

В случае применения светодиодов нужно учитывать полярность подключения накала (Н1 "+", Н2 "-") и осуществлять питание накала постоянным током. Резистор R5 в этой конфигурации не используется.

В случае применения сверхминиатюрной лампы накаливания типа СМН-6.3-20-2, резисторы R3, R4 устанавливаются нулевыми (перемычка), питание накала можно осуществлять переменным током. Резистор R5 в этой конфигурации не используется.

2. Внешнее управление подсветкой.

Могут возникнуть ситуации, когда питание подсветки от цепей накала радиолампы будет неудобным. В этом случае питание подсветки можно организовать от внешних цепей.

Например, я разрабатываю систему автоматической диагностики состояния радиолампы. В этом случае микроконтроллер может показать с помощью подсветки радиолампу, которая не прошла тестирование и требует замены.

Подсветка светодиодная с внешним питанием (управлением)
Подсветка светодиодная с внешним питанием (управлением)

В этом случае резисторы R3, R4 не устанавливаются. Резистор R5 устанавливается в зависимости от уровня внешнего питающего напряжения.

На основе представленной схемы сначала был изготовлен опытный образец методом фрезеровки на станке с ЧПУ управлением.

Ниже представлены фотографии модуля в одном из отлаживаемых макетов лампового блока питания.

После успешного опробования отфрезерованного модуля в составе лампового блока питания, я решил изготовить промышленные образцы печатных плат. Ниже представлены фотографии печатных плат изготовленных модулей.

Модуль размещения пальчиковой радиолампы на монтажной плате
Модуль размещения пальчиковой радиолампы на монтажной плате

Модуль вертикального размещения радиолампы на фото ниже.

Модуль горизонтального размещения радиолампы на фото ниже.

В заключение хочется отметить, что использование двухрядного разъема PLD-20 было очень хорошей идеей! Модуль радиолампы держится на монтажной плате прочно и надежно, в то время как китайские однорядные платы имеют степень подвижности, прогибаются вдоль ряда выводов и потом ломаются.
-10