Найти в Дзене
РадиоЛоцман

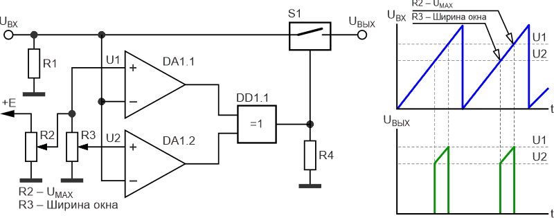
Амплитудные селекторы - фильтры уровней напряжений и токов

Показана возможность использования амплитудных селекторов в качестве своеобразных фильтров уровней напряжений и токов. По аналогии с частотными фильтрами фильтры уровней напряжений и токов можно подразделить на фильтры высоких или низких напряжений (токов), полосовых выделяющих или заграждающих фильтров, перестраиваемых фильтров и т.д. В отличие от частотных фильтров фильтры уровней напряжений и токов могут иметь практически прямоугольную характеристику. Такие фильтры могут быть использованы для создания новых источников питания, преобразователей напряжения, устройств защиты радиоэлектронной аппаратуры от повышенных или пониженных напряжений или токов. Амплитудные селекторы – электронные устройства, предназначенные для разделения сигналов по их амплитуде. Амплитудные селекторы по своему назначению очень напоминают частотные фильтры, если частотные фильтры способны выделить из совокупности частот сигналы определенной частоты, то амплитудные селекторы могут выделить из совокупности ампли

Показана возможность использования амплитудных селекторов в качестве своеобразных фильтров уровней напряжений и токов. По аналогии с частотными фильтрами фильтры уровней напряжений и токов можно подразделить на фильтры высоких или низких напряжений (токов), полосовых выделяющих или заграждающих фильтров, перестраиваемых фильтров и т.д. В отличие от частотных фильтров фильтры уровней напряжений и токов могут иметь практически прямоугольную характеристику. Такие фильтры могут быть использованы для создания новых источников питания, преобразователей напряжения, устройств защиты радиоэлектронной аппаратуры от повышенных или пониженных напряжений или токов.

Амплитудные селекторы – электронные устройства, предназначенные для разделения сигналов по их амплитуде. Амплитудные селекторы по своему назначению очень напоминают частотные фильтры, если частотные фильтры способны выделить из совокупности частот сигналы определенной частоты, то амплитудные селекторы могут выделить из совокупности амплитуд аналогового или цифрового сигнала сигналы определенной амплитуды.

Читать далее здесь (оригинал статьи) https://www.rlocman.ru/review/article.html?di=685349