Добавить в корзинуПозвонить
Найти в Дзене
Старые схемы...

MOSFET транзистор. Регулировка яркости лампочки.

На первый взгляд, кажется, не важно, куда подключена лампочка, к истоку полевого транзистора или к стоку полевого транзистора. Но на самом деле в обеих схемах яркость лампочки будет регулироваться по-разному. В этой схеме яркость лампочки регулируется плавно. Максимальное напряжение на лампочке будет ниже напряжения питания приблизительно на 4В, это напряжение зависит от использованного транзистора и тока через лампочку. На схеме, показанной на рисунке, яркость лампочки изменяется резко. И регулируется на небольшом участке вращения ручки переменного резистора. Максимальное напряжение на лампочке близко к напряжению питания. Для получения плавной регулировки яркости лампочки пришлось ввести в схему два сопротивления. Сопротивления желательно подобрать под конкретную лампочку.
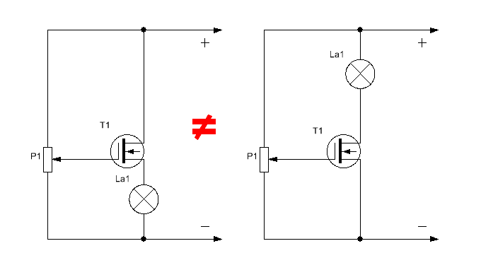
Рисунок 1.
Рисунок 1.

На первый взгляд, кажется, не важно, куда подключена лампочка, к истоку полевого транзистора или к стоку полевого транзистора. Но на самом деле в обеих схемах яркость лампочки будет регулироваться по-разному.

Рисунок 2.
Рисунок 2.

В этой схеме яркость лампочки регулируется плавно. Максимальное напряжение на лампочке будет ниже напряжения питания приблизительно на 4В, это напряжение зависит от использованного транзистора и тока через лампочку.

Рисунок 3.
Рисунок 3.

На схеме, показанной на рисунке, яркость лампочки изменяется резко. И регулируется на небольшом участке вращения ручки переменного резистора. Максимальное напряжение на лампочке близко к напряжению питания.

Фото 1.
Фото 1.
Рисунок 4.
Рисунок 4.

Для получения плавной регулировки яркости лампочки пришлось ввести в схему два сопротивления. Сопротивления желательно подобрать под конкретную лампочку.