Найти в Дзене
Ламповые посиделки

Трансформаторы (дополненная беседа)

Доброе утро дорогой читатель, сегодня хотел бы поговорить про трансформаторы, а именно разберём что это за деталь, формула коэффициента трансформации и его условно-графическом обозначение. Трансформатор - электро магнитное устройство, благодаря индукционно связанным обмоткам и сглаживает из переменного в постоянное напряжение;может как повышать, так и понижать напряжение, поданное на 1 из его обмоток! Коэффициент трансформации читается так : это отношение напряжения первичной обмотки к напряжению вторичной обмотки! K=U1/U2=N1/N2(знак"/" означает деление) Так кто же изобрёл такую чудную деталь? Первое упоминание о трансформаторе появилось в 1900х годах Первым, кто изобрёл трансформатор, принято считать академика Яблочкова в 1878 году Модернизации над данной деталью в 1882 году провёл тоже Яблочков Здесь уже я на схеме показал, как обозначается трансформатор, и у этой детали как правило первичная обмотка слева, а вторичная справа, на схеме трансформатор обозначают буквой Т(если сов

Доброе утро дорогой читатель, сегодня хотел бы поговорить про трансформаторы, а именно разберём что это за деталь, формула коэффициента трансформации и его условно-графическом обозначение.

Трансформатор - электро магнитное устройство, благодаря индукционно связанным обмоткам и сглаживает из переменного в постоянное напряжение;может как повышать, так и понижать напряжение, поданное на 1 из его обмоток! Коэффициент трансформации читается так : это отношение напряжения первичной обмотки к напряжению вторичной обмотки!

  • K=U1/U2=N1/N2(знак"/" означает деление)

Так кто же изобрёл такую чудную деталь?

  • Первое упоминание о трансформаторе появилось в 1900х годах
  • Первым, кто изобрёл трансформатор, принято считать академика Яблочкова в 1878 году
  • Модернизации над данной деталью в 1882 году провёл тоже Яблочков
Здесь уже я на схеме показал, как обозначается трансформатор, и у этой детали как правило первичная обмотка слева, а вторичная справа, на схеме трансформатор обозначают буквой Т(если современный ГОСТ), ТР(если есть ГОСТ СССР)
Здесь уже я на схеме показал, как обозначается трансформатор, и у этой детали как правило первичная обмотка слева, а вторичная справа, на схеме трансформатор обозначают буквой Т(если современный ГОСТ), ТР(если есть ГОСТ СССР)
  • Трансформаторы делятся на 3 типа:
  • Повышающий
  • Понижающий
  • Трансформатор звуковой частоты

Вообще существуют разные схемы с трансфооматорами

  • Блок питания
  • Импульсный источник питания
  • Трансформаторный выпрямитель сетевого напряжения и частоты
  • Пуш-пулл генераторы
  • Ламповые усилители звуковой частоты

И многие другие интересные схемы.

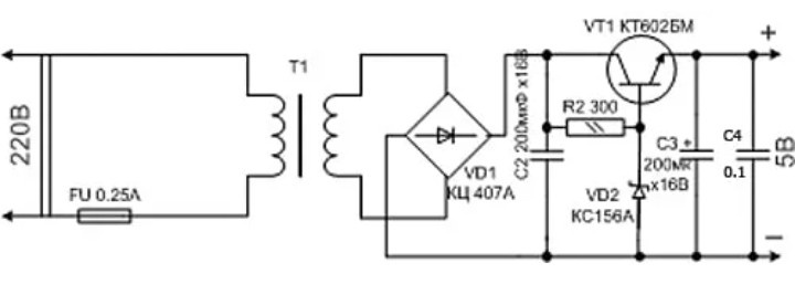
Рассмотрим, на пример, схему простейшего трансформаторного блока питания

Принцип его работы : напряжение сети подаётся на первичную обмотку, которое за счёт магнитной индукции  передаётся на вторичную обмотку, вследствие  чего, оно понижается, а потом пониженное напряжение поступает на диодный выпрямитель, который из переменного напряжения делает постоянным, тоесть нижние ветви синуса отрезаются, потом поступает напряжение на сглаживающий  конденсатор;а потом только подаётся на стабилизатор напряжения, где транзистор VT1 включается по схеме базы+коллектора, далее уже стабилизированое напряжение попадает на фильтр от помех, состоящий из электролитического конденсатора и неполярного конденсатора, а потом с плюсовой и минусовой шины снимаем чистое напряжение. (шина-вид коммутационных устройств, служащие соединениями разных областей для любых напряжений)
Принцип его работы : напряжение сети подаётся на первичную обмотку, которое за счёт магнитной индукции передаётся на вторичную обмотку, вследствие чего, оно понижается, а потом пониженное напряжение поступает на диодный выпрямитель, который из переменного напряжения делает постоянным, тоесть нижние ветви синуса отрезаются, потом поступает напряжение на сглаживающий конденсатор;а потом только подаётся на стабилизатор напряжения, где транзистор VT1 включается по схеме базы+коллектора, далее уже стабилизированое напряжение попадает на фильтр от помех, состоящий из электролитического конденсатора и неполярного конденсатора, а потом с плюсовой и минусовой шины снимаем чистое напряжение. (шина-вид коммутационных устройств, служащие соединениями разных областей для любых напряжений)

На данном изображении представлен двухполупериодный выпрямитель с сетевым трансформатором,который является основоположником для семейства трансформаторных блоков питания.

-3

Схема импульсного источника питания

Принцип работы схожий с обычным блоком питания, но тут уже по сложнее. Тут есть оптическая развязка, или гальваническая развязка, транзисторы включены по схеме дарлингтона с некой обвязкой, включает 3 резистора(R4, R5,R7), конденсаторa(C4) и диода(VD3), a так же и резисторы(R2, R3, R6), быстро действующий диод(VD2), и конденсатор (C5), далее индуктивности трансформатора (T2) после индуктивности (L 3) идёт фильтр от помех, состоящий из индуктивности (L4), конденсаторов (C7, C8), a (R12, HL1) это индикатор наличия работоспособности самого блока питания.
Принцип работы схожий с обычным блоком питания, но тут уже по сложнее. Тут есть оптическая развязка, или гальваническая развязка, транзисторы включены по схеме дарлингтона с некой обвязкой, включает 3 резистора(R4, R5,R7), конденсаторa(C4) и диода(VD3), a так же и резисторы(R2, R3, R6), быстро действующий диод(VD2), и конденсатор (C5), далее индуктивности трансформатора (T2) после индуктивности (L 3) идёт фильтр от помех, состоящий из индуктивности (L4), конденсаторов (C7, C8), a (R12, HL1) это индикатор наличия работоспособности самого блока питания.

Схема трансформаторного выпрямителя частоты

Принцип работы тут прост. С первичной обмотки сигнал поступает и идёт на вторичную обмотку и выпрямляется диодным мостом, далее поступает на сглаживающий конденсатор, а потом получаем чистое и выпрямленное напряжение.
Принцип работы тут прост. С первичной обмотки сигнал поступает и идёт на вторичную обмотку и выпрямляется диодным мостом, далее поступает на сглаживающий конденсатор, а потом получаем чистое и выпрямленное напряжение.

Схема Пуш-пулл генератора на трансформаторе

Принцип работы. Сначала рассмотрим сам трансформатор : имеет сдвоенную первичную и вторичную обмотку. Вход подаётся на первичную сдвоенную обмотку, а именно на средний контакт. Имеет 2 транзистора и 4 диода, а выход сигнала подаётся на эмиттерное соединение самих транзисторов. Далее сигнал проходит через сдвоенную вторичную обмотку, где уже сигнал умножается умножителем, состоящий из 2 диодов, они подключены к 1му и 3му выводу сдвоенной вторичной обмотки трансформатора(ТР1),далее через индуктивность (ДР1) и конденсатор (C0) уже умноженный сигнал фильтруется и уже на выходе мы имеем очень большое напряжение.
Принцип работы. Сначала рассмотрим сам трансформатор : имеет сдвоенную первичную и вторичную обмотку. Вход подаётся на первичную сдвоенную обмотку, а именно на средний контакт. Имеет 2 транзистора и 4 диода, а выход сигнала подаётся на эмиттерное соединение самих транзисторов. Далее сигнал проходит через сдвоенную вторичную обмотку, где уже сигнал умножается умножителем, состоящий из 2 диодов, они подключены к 1му и 3му выводу сдвоенной вторичной обмотки трансформатора(ТР1),далее через индуктивность (ДР1) и конденсатор (C0) уже умноженный сигнал фильтруется и уже на выходе мы имеем очень большое напряжение.

Схема лампового УНЧ"Баритон"

Принцип работы очень в вкратце : там напряжение анодов у ламп (Л1... Л3) имеют 300 вольт, данный усилитель имеет 2 каскада, тоесть он стерео. Для корректной работы в схему введены разные стабилизаторы и фильтры. Звуковые трансформаторы подключаются к клеммам под номером 3(речь идёт про лампы 6П3С-Е)
Принцип работы очень в вкратце : там напряжение анодов у ламп (Л1... Л3) имеют 300 вольт, данный усилитель имеет 2 каскада, тоесть он стерео. Для корректной работы в схему введены разные стабилизаторы и фильтры. Звуковые трансформаторы подключаются к клеммам под номером 3(речь идёт про лампы 6П3С-Е)

Наша беседа подошла к концу, всем добра и всех благ!