Найти в Дзене
Старый радио любитель

ТА7642, старушка из 70-х.

Перебирал свои запасы и наткнулся в кассетнице с микросхемами на пакетик с транзисторами - непорядок. Стал рассматривать маркировку и оказалось, что это трехногая микросхема ТА7642. Покупал и их давно, посмотрел, что сейчас с наличием. Оказалось, все в порядке: у дядюшки Ху 600 руб/20 шт, на Яндекс Маркет 180 руб/20 шт,, на Озоне - 120 руб/10 шт. Дороже всего на Вальдберис - 500 руб/10 шт. Но везде сроки доставки примерно одинаковы в лучшем случае - конец декабря. Что же это за микросхема с таким малым количеством ног :))?. А это усилитель ПЧ и детектор АМ с граничной частотой 3 МГц, АРУ с диапазоном регулирования 30 дБ. А еще у этой микросхемы очень высокое сопротивление - аж целых 3 МОм, а питать микросхему можно от аккумулятора или пальчиковой батарейки с напряжением 1,2-1,5 В, при этом потребляемый ток - максимум 0,3 мА. Еще меня поразило большое количество аналогов ТА7642: MK484, ZN414, LA1050, LMF501T, ВТ7084, Z484, SY484, UTC7642, D7642. Значит микросхемы такого типа были вост

Перебирал свои запасы и наткнулся в кассетнице с микросхемами на пакетик с транзисторами - непорядок. Стал рассматривать маркировку и оказалось, что это трехногая микросхема ТА7642.

Покупал и их давно, посмотрел, что сейчас с наличием. Оказалось, все в порядке: у дядюшки Ху 600 руб/20 шт, на Яндекс Маркет 180 руб/20 шт,, на Озоне - 120 руб/10 шт. Дороже всего на Вальдберис - 500 руб/10 шт. Но везде сроки доставки примерно одинаковы в лучшем случае - конец декабря.

Что же это за микросхема с таким малым количеством ног :))?. А это усилитель ПЧ и детектор АМ с граничной частотой 3 МГц, АРУ с диапазоном регулирования 30 дБ. А еще у этой микросхемы очень высокое сопротивление - аж целых 3 МОм, а питать микросхему можно от аккумулятора или пальчиковой батарейки с напряжением 1,2-1,5 В, при этом потребляемый ток - максимум 0,3 мА.

Еще меня поразило большое количество аналогов ТА7642: MK484, ZN414, LA1050, LMF501T, ВТ7084, Z484, SY484, UTC7642, D7642. Значит микросхемы такого типа были востребованы в середине 70-х (ТА7426 начали производить около 1976-го). И использовать их можно было не только в качестве УПЧ, но и в составе приемников прямого усиления. Причем чувствительности им было не занимать: 600 мкВ (модуляция сигналом 400 Гц с глубиной 30%) при этом на выходе напряжение НЧ составляет 3 мВ.

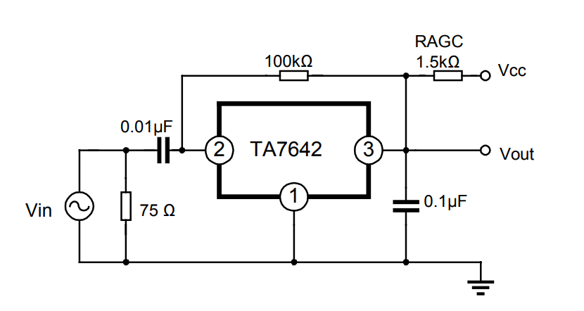
Схема включения до безобразия проста:

Рис. 2. Из datasheet TA7642.
Рис. 2. Из datasheet TA7642.

Столь же проста и схема приемника прямого усиления с выходом на наушники:

Рис. 2. Из datasheet TA7642
Рис. 2. Из datasheet TA7642

В таком радиоприемнике при использовании дискового аккумулятора самой большой деталью будет ферритовая антенна. Обратите внимание, что благодаря очень высокому входному сопротивлению контур полностью включен во входную цепь. Но, глядя на схему, я подумал, что сопротивлением 4 МОм здесь и не пахнет, так как вход микросхемы, а, следовательно, и контур подключен к земле через резистор 100 кОм и конденсатор 0,15 мкФ.

А что же у этой малышки внутри? Там аж 10 одинаковых транзисторов, 11 одинаковых резисторов + 4 другого номинала и 4 конденсатора очень маленькой емкости

Рис. 3. Из datasheet TA7642
Рис. 3. Из datasheet TA7642

Схему можно разбить на три блока: первый - входной эмиттерный повторитель и предварительный усилитель, второй - три каскада усиления ВЧ и третий - транзисторный детектор. Очень высокое входное сопротивление обеспечивает схема эмиттерного повторителя (Т1), у которого в эмиттерную цепь включено токовое зеркало, имеющее высокое динамическое сопротивление.

В трехкаскадном усилителе базовые токи усиливающих транзисторов (отмечены красными стрелками) стабилизированы каскадами, отмеченными зелеными стрелками.

Вроде транзисторы в этой микросхеме должны быть кремниевые, но для них 1,5В может быть маловато, а вот об усилении этой микросхемы в даташите ни слова. А вот у ее аналога MK484 в даташите указан коэффициент усиления по мощности не менее 70 дБ, но это по мощности. Чтобы посмотреть, как это работает, решил смоделировать сначала без предварительного усилителя.

Рис. 4.
Рис. 4.

Для того, чтобы можно было корректно сравнивать сигналы без влияния на них постоянной составляющей, я использовал разделительные конденсаторы 1n и нагрузочные резисторы 100k. Оказалось, что большие потери вносят конденсаторы малой емкости в микросхеме: ведь емкостное сопротивление конденсатора 12 пФ на частоте 1 Мгц более 10 кОм, а входное сопротивление каскада - около 1-2 кОм - вот вам и делитель 1:10. Вот, как это выглядит на модели:

Рис. 5.
Рис. 5.

В результате, при амплитуде сигнала на входе усилителя (левый вывод С1) около 4 мВ, амплитуда сигнала на базе Q1 составляет всего 0,8 В, т.е. в пять раз меньше. Коэффициент усиления каскада около 10 и на коллекторе Q1 амплитуда 8 мВ, но усиление с входа каскада всего 2 (8 мВ/4 мВ). В результате амплитуда НЧ сигнала всего 2 мВ. Кроме того, в модели не прослеживалась работа АРУ, т.е. при увеличении входного сигнала в напряжение на коллекторе Q6 практически не менялось.

Теперь моделирую предыдущую часто схемы.

Рис. 6.
Рис. 6.

И предварительный усилитель дает усиление только в два раза, все из-за конденсатора 12 пФ. Т.о, усиление всей микросхемы будет всего около 20. Отмечаю, что из-за схемы эмиттерного повторителя, напряжение сигнала на входе в точности равно напряжению сигнала на выходе.

При такой эффективности эмиттерного повторителя, если бы С3 составить из трех конденсаторов по 12 пФ, а R2 можно и совсем убрать, но я его оставил 100 Ом, усиление увеличится почти в три раза.

Рис. 7.
Рис. 7.

А вот влияние напряжения питания на усиление из-за жесткой стабилизации режимов транзисторов, невелико: увеличение напряжения питания в два раза увеличивает усиление с 6 до 6,5.

Вот такое интересное внутреннее содержание у этой малышки.

В очередной раз убедился, в том, что ИИ совсем не интеллект. GPT начал убеждать, что ТА7642 - это УПЧ и детектор частотно модулированных сигналов, привел марки приемников Sony, в которых якобы работала эта схема, но которой на самом деле там никогда не было. После указания на ошибку, GPT извинился и все-таки нашел даташит, но ни одной модели приемников не привел. Зато сообщил: "Извини за путаницу — информация о старых IC иногда противоречива. Если у тебя есть схема или конкретная модель, где ты видел TA7642, или хочешь аналоги для других детекторов (FM, SSB) — спрашивай!"

Наша Алиса с первого раза изложила сведения из даташита, а о применении микросхемы честно призналась, что не имеет сведений.

Вот так и живем в цифровом мире :)).

Всем успехов и здоровья!