Добавить в корзинуПозвонить
Найти в Дзене
PRACTICAL ELECTRONICS

HI-FI-предусилитель с регулятором тембра

В звукотехнике для регулировки громкости и тембра часто применяют так называемые активные регуляторы, которые включены в цепи отрицательной обратной связи (ООС), охватывающие один или несколько усилительных каскадов. Если их сравнивать с пассивными схемами регуляторов, то при одинаковом количестве электронных компонентов, первые имеют большее отношение сигнал/шум и меньшие нелинейные искажения (THD). Если несколько детальнее рассмотреть вопрос о TDH для активных регуляторов громкости и тембра, то стоит поставить вопрос: каков их допустимый уровень, вносимых предусилителем? Прежде чем ответить на этот вопрос, отметим, что ряд промышленных разработок активных регуляторов громкости и тембра (включая такие бренды как «Technics» и «SONY») имеют достаточно высокий процент THD. Для понимающих, «красивой сказкой» является рекламные сообщения о достигнутом коэффициенте нели­нейных искажений в 0,00008% (?!) в режиме класса «А»! Реальность же совершенно иная – THD в диапазоне 20 Гц...20 кГц нах
Оглавление

Нелинейные искажения в звукотехнике

В звукотехнике для регулировки громкости и тембра часто применяют так называемые активные регуляторы, которые включены в цепи отрицательной обратной связи (ООС), охватывающие один или несколько усилительных каскадов. Если их сравнивать с пассивными схемами регуляторов, то при одинаковом количестве электронных компонентов, первые имеют большее отношение сигнал/шум и меньшие нелинейные искажения (THD).

Если несколько детальнее рассмотреть вопрос о TDH для активных регуляторов громкости и тембра, то стоит поставить вопрос: каков их допустимый уровень, вносимых предусилителем? Прежде чем ответить на этот вопрос, отметим, что ряд промышленных разработок активных регуляторов громкости и тембра (включая такие бренды как «Technics» и «SONY») имеют достаточно высокий процент THD.

Для понимающих, «красивой сказкой» является рекламные сообщения о достигнутом коэффициенте нели­нейных искажений в 0,00008% (?!) в режиме класса «А»! Реальность же совершенно иная – THD в диапазоне 20 Гц...20 кГц находится между 0,06 и 0,3%. Если используется активный регулятор с одним транзистором, то при выходном напряжении порядка 1 В и максимальном подъеме АЧХ 15...20 дБ, THD не менее 0,2...0,6%, а для регулятора с двумя транзисторами, образующими эмиттерный повторитель, THD в самом лучшем случае будет равен 0,1…0,2%.

Сигнал, прошедший через устройство с THD 0,3%, большинство слушателей не отличат от сигнала, не имеющего искажений. Однако в выходном сигнале обычно имеются не замечаемые на слух искажения, которые могут стать слышимыми, если регулятор громкости и тембра имеет высокий THD.

Таким образом, для того чтобы THD, вносимые различными каскадами звуковоспроизводящего устройства, были пренебрежимо малы, они должны быть гораздо меньше норм, регламентируемых стандартами DIN, МЕК, BDC и т.д. Разумным значением THD регулятора громкости и тембра будет 0,02...0,05%. Такого коэффициента можно достичь с помощью относительно простой, но оптимизированной схемы.

Разумным значением для THD регулятора громкости и тембра будет 0,02...0,05%. Такого коэффициента можно достичь с помощью относительно простой, но оптимизированной схемы.

В этой публикации предлагается схема и конструкция с активным регулятором громкости и тембра звука, являющийся, по существу, высококачественным стереопредусилителем. На его вход могут подаваться сигналы от различных источников величиной 200...300 мВ, а к выходу можно подключать УМЗЧ с номинальным входным напряжением 0,7...1 В.

Схема электрическая

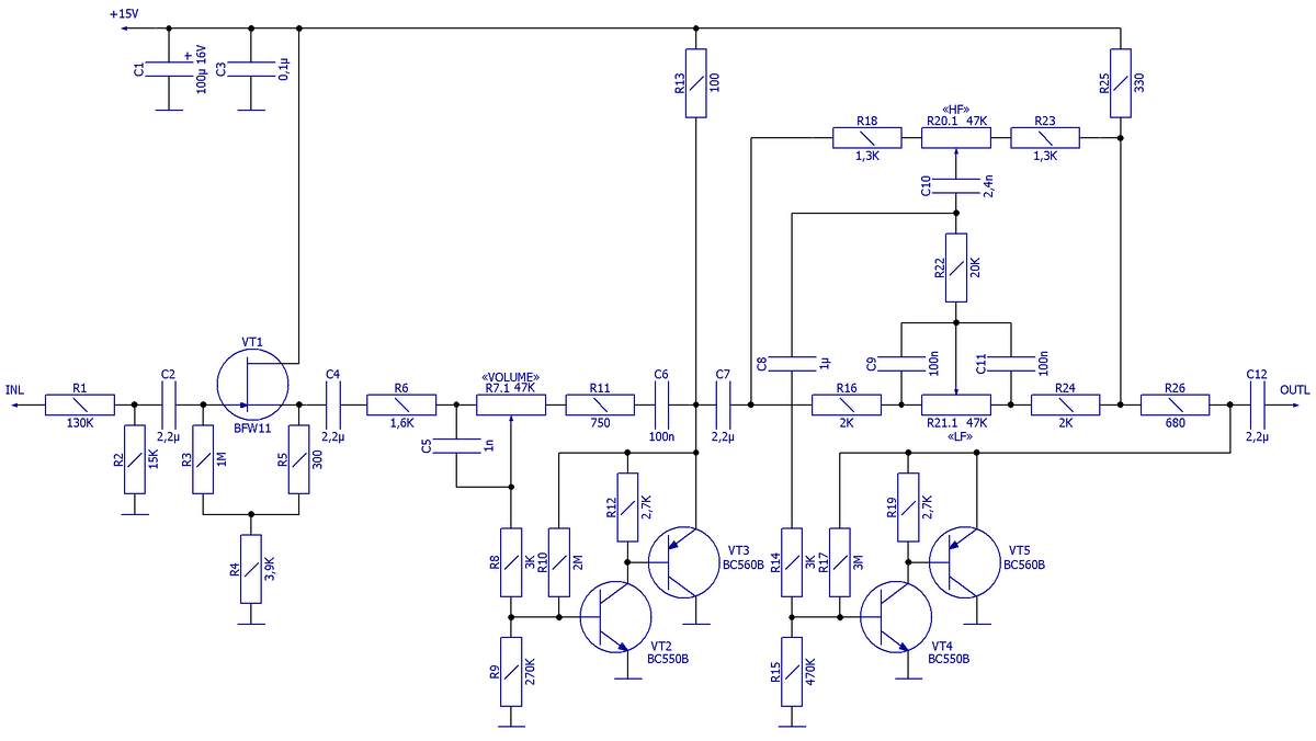
Схема электрическая принципиальная HI-FI-предусилителя с регулятором тембра
Схема электрическая принципиальная HI-FI-предусилителя с регулятором тембра

Технические характеристики

Номинальное входное напряжение, мВ: 250;
Номинальное выходное напряжение, В: 1;
Входной импеданс, кОм: 140;
Сопротивление нагрузки, кОм, не менее: 10;
Диапазон регулировки громкости, дБ, (F=2,5 кГц): 56;
Диапазон регулировки тембра на частотах 30 Гц и 20 кГц по отношению к 1 кГц, дБ: ±20;
Отношение сигнал/шум, дБ, не менее: 80
THD, %, не более:
1 кГц: 0,005;
20 кГц: 0,03..

Принцип работы

Схема состоит из истокового повторителя VT1, активных регуляторов громкости и тембра на транзисторах VT2, VT3 и VT4, VT5 соответственно.

Для того чтобы THD не превышал указанных величин для всей схемы, уровень сигнала на затворе VT1 не должен превышать 25 мВ. Поэтому делитель R1R2 включен на входе каскада с VT1, а не после него, как это делается обычно. Такого уровня вполне достаточно для получения большого отношения сигнал/шум. Сопротивление входного делителя выбрано сравнительно малым, чтобы уменьшить чувствительность устройства к помехам.

Использование истокового повторителя на входе предусилителя значительно увеличивает возможности его применения. Если требуется чувствительность 25 мВ и Zвх=5 МОм, сигнал подается непосредственно через конденсатор C1, а делитель R1R2 не используется. Если на вход данного предусилителя включается проигрыватель с пьезокерамическим звукоснимателем, делитель необходимо рассчитывать заново. В этом случае R1 увеличивается до 2 МОм, a R2 – до 51 кОм.

Усилители каждого из активных регуляторов одинаковые – имеются только небольшие различия в номиналах некоторых элементов. Благодаря использованию малошумящих транзисторов, усиление каждого из них без ООС примерно равно 1000. Это дает возможность уменьшить THD почти на порядок по сравнению с активными регуляторами громкости и тембра, выполненными по стандартной схеме.

Элементы С4, R6, С5, R7, R11, С6, входящие в цепь частотно-зависимой ООС активного регулятора громкости, подобраны так, что при данном выходном сопротивлении истокового повторителя (600...100 Ом) обеспечивается наилучшая тонкомпенсация во всем диапазоне регулирования.

Необходимый подъем АЧХ на НЧ и ВЧ при малом уровне громкости обеспечивается С6 и С5. Емкость С4 выбирается из условия, чтобы при максимальной громкости отсутствовал подъем на НЧ. Громкость звука регулируется сдвоенным переменным резистором с логарифмической характеристикой.

Максимальное напряжение на выходе активного регулятора громкости примерно равно 3 В. Исходя из этого обстоятельства, коэффициент передачи регулятора тембра на частоте 1 кГц выбран равным трем. Это позволяет сохранять одним и тем же выходное напряжение на выходе рассматриваемого предусилителя независимо от положения движков сдвоенных резисторов R21 (для регулирования НЧ) и R20 (для ВЧ).

При использовании этой части схемы в других устройствах или любительских конструкциях необходимо иметь в виду, что выходное сопротивление предыдущего усилительного каскада не должно превышать 700 Ом.

Конструкция, детали и наладка

Элементы обоих каналов предусилителя монтируются на общей печатной плате, изготовленной из двухстороннего фольгированного стеклотекстолита толщиной 1,5…2 мм. Для изготовления методом ЛУТ зеркалить не нужно, масштаб 1:1. Топология платы со стороны деталей показана ниже.

Печатная плата для схемы HI-FI-предусилителя с регулятором тембра
Печатная плата для схемы HI-FI-предусилителя с регулятором тембра

Кроме указанных на схеме, могут быть использованы и другие малошумящие высокочастотные транзисторы. Для VT1 (с уточнением цоколевки) можно использовать КП303Е, 2N3819; BF245B, С; BF256A, В, С.

Настройка схемы сводится к подбору R5, определяющему режим VT1 на постоянном токе. Его нужно выб­рать так, чтобы на истоке было +6 В по отношению к общему проводу.

Режим работы усилителей, реализованных на транзисторах VT2, VT3 и VT4, VT5, выбран так, что напряжения на эмиттерных переходах первых транзисторов фиксированы. Эти напряжения слабо зависят от температуры.