Добавить в корзинуПозвонить
Найти в Дзене
Записки Айтишника

Как работает детекторный приемник? Простыми словами

Среди изобретений в области связи существуют устройства, ставшие символами своего времени. Детекторный радиоприемник занимает среди них особое место. Эта простая конструкция открыла человечеству мир беспроводного звука и на долгие десятилетия стала для миллионов людей главным окном в эфир. Многие начинающие радиолюбители начали путь именно с него — схема была простая. История детекторного приемника началась со случайного события в ходе летних экспериментов 1899 года в Кронштадте. Помощник Александра Попова, Петр Рыбкин, и капитан Дмитрий Троицкий проводили опыты по беспроводной телеграфии между укреплениями «Константин» и «Милютин». Во время одной из сессий связь внезапно оборвалась. Рыбкин, пытаясь найти причину неисправности, предположил, что вышло из строя электромагнитное реле, замыкавшее цепь телеграфного аппарата. Он заменил реле обычными телеграфными наушниками и к своему изумлению четко услышал передаваемые азбукой Морзе сигналы. Так было обнаружено новое свойство когерера — сп

Среди изобретений в области связи существуют устройства, ставшие символами своего времени. Детекторный радиоприемник занимает среди них особое место. Эта простая конструкция открыла человечеству мир беспроводного звука и на долгие десятилетия стала для миллионов людей главным окном в эфир. Многие начинающие радиолюбители начали путь именно с него — схема была простая.

История детекторного приемника началась со случайного события в ходе летних экспериментов 1899 года в Кронштадте. Помощник Александра Попова, Петр Рыбкин, и капитан Дмитрий Троицкий проводили опыты по беспроводной телеграфии между укреплениями «Константин» и «Милютин». Во время одной из сессий связь внезапно оборвалась. Рыбкин, пытаясь найти причину неисправности, предположил, что вышло из строя электромагнитное реле, замыкавшее цепь телеграфного аппарата. Он заменил реле обычными телеграфными наушниками и к своему изумлению четко услышал передаваемые азбукой Морзе сигналы. Так было обнаружено новое свойство когерера — способность детектировать, то есть преобразовывать, высокочастотные радиосигналы в низкочастотные, которые можно было слышать напрямую в наушниках.

Об этом открытии немедленно сообщили находившемуся в командировке Александру Попову телеграммой «Открыто новое свойство когерера». Вернувшись, Попов в течение месяца детально исследовал явление и создал первую в мире конструкцию слухового приемника, названного им «Телефонный приемник депеш». Это изобретение стало настоящим прорывом. Чувствительность нового приемника была в несколько раз выше, чем у прежних приборов, и он позволял воспринимать сигналы на слух, что было значительно удобнее для оператора. Хотя патентование в России заняло два года, Попов успел запатентовать свое изобретение в Англии и Франции, а парижская фирма «Дюкрете» быстро наладила выпуск этих приборов. 30 ноября 1901 года ученый наконец получил русскую привилегию (патент) №6066, и эту дату можно считать официальным днем рождения детекторного приемника.

Чтобы понять принцип работы детекторного приемника, представьте, что вам нужно выловить из реки где кишит разная рыба, только один определенный вид.

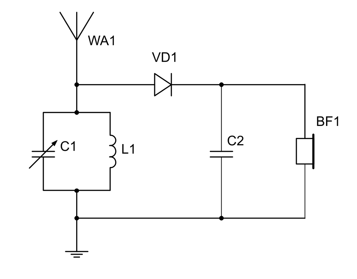
Фото: Википедия.  Для тех, кто не знает C1 - переменные конденсатор и катушка L1 это контур.VD1 - диод, C2 - конденсатор, а BF1 - головные телефоны. WA1 антенна, а внизу как вы уже поняли заземление.
Фото: Википедия. Для тех, кто не знает C1 - переменные конденсатор и катушка L1 это контур.VD1 - диод, C2 - конденсатор, а BF1 - головные телефоны. WA1 антенна, а внизу как вы уже поняли заземление.

Колебательный контур приемника — это как специальная сеть с ячейками точно под нужный размер. Он состоит из катушки индуктивности и конденсатора переменной емкости. Из всех электромагнитных волн, которые «ловит» антенна, этот контур выделяет только волны одной конкретной частоты — той, на которую он настроен. Настройка осуществляется вращением ручки переменного конденсатора или передвижением сердечника в катушке.

Выделенный сигнал представляет собой высокочастотные колебания. Если бы мы подали их прямо на наушники, мы бы ничего не услышали, потому что мембрана наушников просто не успевала бы колебаться с такой скоростью да и наше ухо такие частоты бы не услышало. Здесь на помощь приходит детектор, роль которого обычно играет полупроводниковый диод. Его ключевое свойство — пропускать электрический ток только в одном направлении. Он действует как своеобразный «односторонний клапан» для электрического тока. Представьте волны на воде с чередующимися гребнями и впадинами. Диод срезает все «впадины» (отрицательные полуволны), оставляя только «гребни» (положительные полуволны).

На выходе диода образуется пульсирующий ток. Но в нем все еще смешаны высокочастотные колебания и низкочастотный звуковой сигнал. Чтобы отделить одно от другого, применяется блокировочный конденсатор. Он работает как фильтр: свободно пропускает высокочастотные составляющие, замыкая их накоротко, а для низкочастотного звукового сигнала создает большое сопротивление, заставляя его идти через нагрузку — высокоомные головные телефоны. В результате через наушники проходит ток, изменяющийся со звуковой частотой, и мы слышим речь или музыку.

Детекторный  приемник "Радио" 1923 год.  Фото: rw6ase.narod.ru
Детекторный приемник "Радио" 1923 год. Фото: rw6ase.narod.ru

Ключевая особенность и «чудо» детекторного приемника в том, что ему не требуются батарейки или иной источник питания. Вся энергия, нужная для работы наушников, берется непосредственно из энергии принимаемых радиоволн. Именно поэтому для такого приемника критически важны длинная и хорошо расположенная антенна и качественное заземление — они определяют, сколько энергии попадает в схему.

Радиоприемник ДП 1939 год.  Фото: rw6ase.narod.ru
Радиоприемник ДП 1939 год. Фото: rw6ase.narod.ru

Главное достоинство детекторного приемника — его невероятная простота и надежность. По сути, это самая элементарная схема радиоприема из возможных. Приемник не содержит ни усилительных элементов, ни активных компонентов, требующих питания. Его можно собрать буквально из нескольких деталей: катушки, конденсатора, диода и наушников, причем все это часто можно найти в старой технике или сделать самостоятельно. Собрать работающий детекторный приемник было обязательным практикумом для юных радиолюбителей Советского Союза и входило в программу многих радиокружков. Схема настолько проста и надежна, что в ней практически нечему ломаться.

Но за эту простоту приходится платить серьезными техническими ограничениями. Основной недостаток — крайне низкая чувствительность. Приемник может уверенно принимать только сигналы мощных радиостанций, расположенных относительно недалеко. Для приема даже близких станций нужны очень длинные антенны — десятки метров провода, высоко подвешенного. В городских условиях многоэтажной застройки это часто нереально. Еще один существенный минус — низкая избирательность, то есть способность отделять сигнал нужной радиостанции от соседних по частоте. Она целиком зависит от добротности колебательного контура, которая в простейших конструкциях невысока. Часто приемник ловит не одну, а сразу несколько станций одновременно, и их голоса смешиваются. Из-за слабого сигнала для прослушивания необходимы специальные высокоомные головные телефоны (например, старые советские ТОН-1, ТОН-2 с сопротивлением в несколько килоом), которые сегодня стали раритетом. Обычные низкоомные наушники от плеера с такой задачей не справятся.

Несмотря на скромные характеристики, детекторные приемники сыграли огромную роль в популяризации радио. В 1920-е и 1930-е годы они стали первым и часто единственным окном в мир для миллионов семей по всему свету. Например, в Японии серийное производство первого детекторного приемника началось в 1925 году, почти одновременно с началом регулярного радиовещания в стране. Его создатель, Токудзи Хаякава, основавший позже компанию Sharp, верно предугадал наступление «эпохи радио». Первый японский приемник стоил 3.50 иен, и всего за три года число зарегистрированных в стране радиослушателей превысило 500 000 человек.

В Советском Союзе детекторные приемники также выпускались промышленностью. Одной из самых известных и, вероятно, последней серийной моделью, выпускавшейся не как учебное пособие, был приемник «Комсомолец», который производился с 1947 по 1957 годы. Позже их выпуск продолжился, но уже в качестве наглядных пособий для школьных уроков физики. Эти простые устройства были важным инструментом для приобщения молодежи к радиотехнике и дали старт карьере многих инженеров и изобретателей.

Комсомолец.  Фото: rw6ase.narod.ru
Комсомолец. Фото: rw6ase.narod.ru

Про него почитать можно тут:

Сегодня эпоха массового детекторного приема в его классическом виде практически завершилась. Главная причина — резкое сокращение радиовещания в тех диапазонах, для которых эти приемники были созданы, а именно на длинных (ДВ) и средних (СВ) волнах. Многие мощные вещательные станции, работавшие в этих диапазонах, прекратили свое существование или перешли на частотную модуляцию (FM) и цифровые форматы. Теперь даже для того, чтобы поймать какую-либо станцию на детекторный приемник в городе, может потребоваться большое везение и идеальные условия.

Тем не менее, интерес к этим устройствам не угас. Он превратился из чисто практического в эстетический, исторический и образовательный. Конструирование детекторных приемников стало особым хобби для энтузиастов, ценящих очарование старинных технологий и интеллектуальный вызов. Это способ почувствовать связь с истоками радио, понять фундаментальные принципы его работы, которые лежат в основе даже самых современных беспроводных систем. Эксперименты ведутся и с приемом в других диапазонах, например, на коротких волнах (КВ), где ночью еще можно поймать отраженные от ионосферы сигналы зарубежных станций, или даже с паразитным приемом УКВ-FM станций, что теоретически возможно при определенных условиях интерференции сигнала.

Читайте также:

Поставим лайк детекторному радиоприему? Кто собирал? Я помню в детстве от батареи отопления неплохо ловил радиостанции.