Добавить в корзинуПозвонить
Найти в Дзене
PRACTICAL ELECTRONICS

ЗУ для проведения тренировочных циклов АКБ

Есть мнение, что «жизнь» аккумулятора (АКБ), зависит только лишь от качества его изготовления, и даже более, что срок службы ограничен несколькими годами. Такое мнение навязывается и выгодно только лишь фирмам-производителям. На практике, если следить за уровнем электролита и раз в квартал производить тренировочный цикл (полный разряд с последующим полным зарядом), то срок службы АКБ составляет до 10 лет и более, при достаточно высоких параметров (емкости и максимального разрядного тока). Проведение таких тренировочных циклов разряда-заряда не только продлевает срок эксплуатации АКБ, но и увеличивает максимальный разрядный ток, т.е. уменьшает внутреннее сопротивление аккумулятора. Такая тренировка АКБ (тем более, устранение сульфатации) может отнимать много времени. Поэтому в радиолюбительской литературе и сети, и в частности на этом канале опубликовано много описаний автоматических зарядных устройств, каждое из которых имеет как свои достоинства, так и недостатки. В этой публикации пр
Оглавление

Срок службы АКБ

Есть мнение, что «жизнь» аккумулятора (АКБ), зависит только лишь от качества его изготовления, и даже более, что срок службы ограничен несколькими годами. Такое мнение навязывается и выгодно только лишь фирмам-производителям.

На практике, если следить за уровнем электролита и раз в квартал производить тренировочный цикл (полный разряд с последующим полным зарядом), то срок службы АКБ составляет до 10 лет и более, при достаточно высоких параметров (емкости и максимального разрядного тока).

Проведение таких тренировочных циклов разряда-заряда не только продлевает срок эксплуатации АКБ, но и увеличивает максимальный разрядный ток, т.е. уменьшает внутреннее сопротивление аккумулятора.

Такая тренировка АКБ (тем более, устранение сульфатации) может отнимать много времени. Поэтому в радиолюбительской литературе и сети, и в частности на этом канале опубликовано много описаний автоматических зарядных устройств, каждое из которых имеет как свои достоинства, так и недостатки.

В этой публикации предлагается еще одно устройство, которое при простой схеме обладает широкими функциональными возможностями.

Схема электрическая

Схема электрическая принципиальная ЗУ для проведения тренировочных циклов АКБ
Схема электрическая принципиальная ЗУ для проведения тренировочных циклов АКБ

Принцип работы

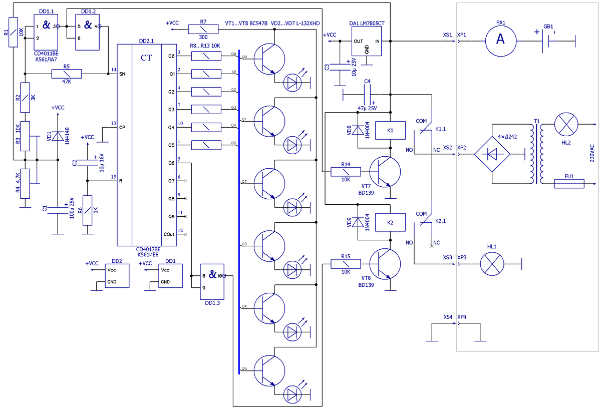
Схема состоит из стабилизатора напряжения (DA1), триггера Шмитта (DD1.1, DD1.2), счетчика циклов разряда-заряда (DD2) с узлом индикации состояния этого счетчика (R8…R13, VT1…VT8, VD2…VD7), двух ключей (VT7, К1 и VT8, К2), инвертора DD1.3, силового выпрямителя с трансформатором T1 и нагрузочного сопротивления, роль которого выполняет лампа HL1.

Стабилизатор напряжения DA1 обеспечивает питание логических микросхем DD1, DD2, а также служит источником опорного напряжения для контроля напряжения на аккумуляторе.

Триггер Шмитта управляет ключом VT7, К1.

Счетчик на микросхеме DD2 подсчитывает количество разрядно-зарядных циклов и управляет ключом VT8, К2, который отключает нагрузку HL1 от АКБ.

При подключении GB1, на выходе стабилизатора DA1 появляется напряжение +5 В (+VCC), а на резисторе R6 образуется короткий положительный импульс напряжения, устанавливающий счетчик DD2 в нулевое состояние. При этом на его выходе Q0 высокий уровень, который открывает транзистор VT1. Загорается светодиод VD2.

Если напряжение подключенного аккумулятора меньше 15 В, то на выходе триггера (выводе 3 DD1.1) – «1», транзистор VT7 открыт, а реле К1 включено. Реле К2 также включено, поскольку на выходе Q5 DD2 – «0», соответственно, на выходе (выводе 10) DD1.3 – «1», и VT8 открыт.

Начинается зарядка аккумулятора GB1. Зарядный ток протекает по цепи: диоды Д242, замкнутые контакты К1.1, аккумулятор GB1.

Величина зарядного тока ограничивается сопротивлением лампы накаливания HL2, включенной в разрыв первичной обмотки трансформатора Т1.

По мере зарядки АКБ напряжение на нем и на резисторе R4 увеличивается. Когда напряжение на GB1 достигает 15 В, триггер Шмитта переключается, на выводе 3 DD1.1 – «0», и транзистор VT7 закрывается. Реле К1 отпускает, и его контакты К1.1 переключают аккумулятор на разрядку (подключают нагрузку – лампу HL1).

Ток разрядки АКБ определяется сопротивлением лампы HL1. При этом перепад напряжения с выхода триггера (вывода 4 DD1.2) поступает на вывод 14 счетчика DD2 и переключает его в следующее состояние, т е «1» на выходе Q1. Тогда открывается транзистор VT2, и загорается светодиод VD3.

По мере разрядки аккумулятора напряжение на нем (и на резисторе R4) уменьшается. Когда напряжение GB1 уменьшается до 10,7 В, триггер опять переключается, транзистор VT7 открывается. Срабатывает реле К1 и переключает аккумулятор на зарядку.

Через несколько циклов заряда-разряда при очередном срабатывании счетчика DD2 на его выходе Q6 появляется «1», транзистор VT8 закрывается, реле К2 отпускает, и лампа HL1 отключается от аккумулятора.

На этом тренировка аккумулятора заканчивается. Дальше оба реле выключены, а АКБ разряжается небольшим током, равным общему току потребления микросхем.

Количество циклов тренировки аккумулятора можно изменять, подключая входы (выводы 8 и 9) элемента DD1.3 к разным выходам микросхемы DD2. Зарядный и разрядный ток аккумулятора регулируется подбором ламп HL1 и HL2 (HL1 должна быть рассчитана на напряжение 12 В, a HL2 – на 230 В).

При помощи резисторов R4 и R3 можно в широких пределах регулировать пороги напряжения на аккумуляторе, при которых происходят переключения триггера. При этом R3 регулирует ширину гистерезиса характеристики триггера, a R4 одновременно и пропорционально изменяет оба пороговых напряжения срабатывания.

Конструкция, детали и наладка.

Чертёж печатной платы приведён ниже.

Печатная плата для схемы ЗУ для проведения тренировочных циклов АКБ
Печатная плата для схемы ЗУ для проведения тренировочных циклов АКБ

Мощность трансформатора Т1 должна быть не менее 150 Вт (для зарядки током 6 А). Используемые реле – 507-2CH-F-C 12VDC – с двумя группами перекидных контактов на 12 А, которые запараллелены.

Для того, чтобы лампа HL2 эффективно ограничивала и стабилизировала зарядный ток, на ней должна выделяться достаточная мощность, поэтому напряжение холостого хода трансформатора должно быть в пределах 19…30 В.

Исходное (нулевое) положение стрелки амперметра РА1 должно быть в середине шкалы, а диапазон измерения тока -10…+10 А.

Налаживание правильно собранного устройства заключается, в основном, в установке пороговых напряжений срабатывания триггера.

Для этого прибор отключается от сети, отсоединяется лампа HL1, а вместо аккумулятора к прибору подключается регулируемый источник постоянного напряжения. Изменяя сопротивления R4 и R3, устанавливаются нужные напряжения срабатывания (моменты срабатывания определяются по щелчкам реле).