Добавить в корзинуПозвонить
Найти в Дзене
Ingenium Corp.

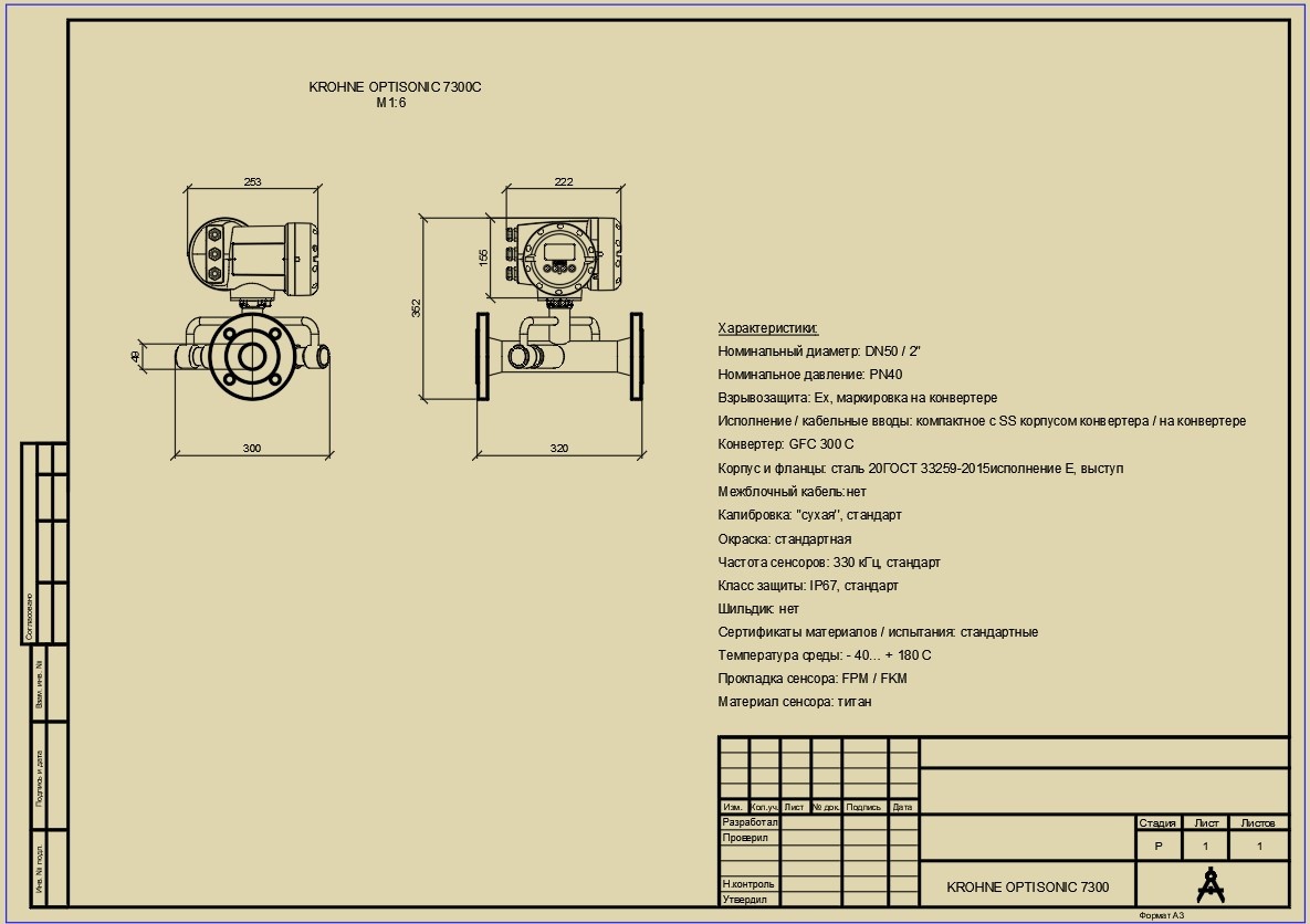
Чертеж ультразвукового расходомера

OPTISONIC 7300C — это ультразвуковой расходомер газа от компании KROHNE, предназначенный для измерения объёмного и массового расхода сухих газов, включая природный, технологический, биогаз, воздух и другие среды. Модель доступна в компактном (OPTISONIC 7300C) и раздельном (OPTISONIC 7000F с конвертером GFC 300F) исполнениях. Принцип работы Прибор использует метод измерения разности времени прохождения ультразвукового импульса в направлении потока и против него. Эта разность пропорциональна скорости потока, что позволяет рассчитать объёмный расход. Конструктивные особенности · Первичный преобразователь: цельносварной, с титановыми акустическими датчиками, оснащёнными кольцевыми прокладками. · Конвертер сигналов: обрабатывает данные от датчиков, вычисляет расход, объём, молярную массу, скорость потока и другие параметры. · Дисплей: ЖКИ с белой подсветкой (128×64 пикселя), поворачивается с шагом 90°. Поддерживает несколько языков (английский, французский, немецкий). · Органы управления

OPTISONIC 7300C — это ультразвуковой расходомер газа от компании KROHNE, предназначенный для измерения объёмного и массового расхода сухих газов, включая природный, технологический, биогаз, воздух и другие среды. Модель доступна в компактном (OPTISONIC 7300C) и раздельном (OPTISONIC 7000F с конвертером GFC 300F) исполнениях.

Принцип работы

Прибор использует метод измерения разности времени прохождения ультразвукового импульса в направлении потока и против него. Эта разность пропорциональна скорости потока, что позволяет рассчитать объёмный расход.

Конструктивные особенности

· Первичный преобразователь: цельносварной, с титановыми акустическими датчиками, оснащёнными кольцевыми прокладками.

· Конвертер сигналов: обрабатывает данные от датчиков, вычисляет расход, объём, молярную массу, скорость потока и другие параметры.

· Дисплей: ЖКИ с белой подсветкой (128×64 пикселя), поворачивается с шагом 90°. Поддерживает несколько языков (английский, французский, немецкий).

· Органы управления: 4 оптические кнопки для настройки параметров без вскрытия корпуса. Опционально доступен ИК-интерфейс (GDC).

Преимущества

· Не требует технического обслуживания и периодической калибровки.

· Не имеет движущихся частей, что исключает износ и потери давления.

· Широкий динамический диапазон измерения (до 100:1).

· Возможность коррекции объёмного расхода с учётом данных о давлении и температуре.

· Устойчивость к коррозии благодаря акустическим сенсорам из титана (сертифицированы по NACE).

Области применения

· Нефтегазовая промышленность: добыча, транспортировка, хранение и распределение природного газа.

· Химическая и нефтехимическая отрасли: измерение технологических газов.

· Энергетика: контроль расхода воздуха и дымовых газов.

· Подземные газохранилища и некоммерческий учёт газа.

Дополнительные опции

· Дистанционное управление через PACTware с DTM-драйвером.

· Взрывозащищённое исполнение для опасных зон.

· Поддержка протоколов Foundation Fieldbus и Profibus PA

Формат – AutoCAD 2010. #Чертежи

👉 Скачать файл "Чертеж ультразвукового расходомера" – ЯндексДиск –

👇Подписчики получают больше материалов: закрытые посты, обновления каждую неделю!👇