Найти в Дзене
Ламповые посиделки

Кенатрон, как радиолампа, блок питания на Кенатрое 5ц3с

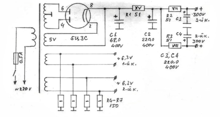
Доброе утро дорогой мой читатель, сегодня хотел бы поговорить про кенатроны. Они относятся к классу радиоламп. О них, мой друг, мы говорили в предыдущей беседе про тиратроны. Кенатрон-вид радиоламп, служащий для выпрямления и сглаживания питания в цепях блоков питания. Но, перед тем, как посмотреть на схему, разберёмся с его строением. В данном случае, разберёмся со строением кенатрона 5ц3с. Первая цифра 5 говорит нам о том, что накальное напряжение равно 5 вольт. Он имеет сдвоенный накал и 2 анода. Цоколёвка электродов такая : 2,8 электроды-накал, а электроды 4,6-аноды.Данный кенатрон имеет октальный цоколь(данный цоколь содержит в себе 8 электродов) Как мы видим, здесь указан ток накала, который равен 3м амперам(ампер-физическая величина силы тока) и частота до 400 герц переменного тока, а напряжение анодов = 500 вольт. Здесь мы видим схему блока питания, собранную на этом кенатроне. В его основу входит трансформатор питания серии "ТП". Сигнал, а именно синус из розетки с начала п

Доброе утро дорогой мой читатель, сегодня хотел бы поговорить про кенатроны. Они относятся к классу радиоламп. О них, мой друг, мы говорили в предыдущей беседе про тиратроны. Кенатрон-вид радиоламп, служащий для выпрямления и сглаживания питания в цепях блоков питания. Но, перед тем, как посмотреть на схему, разберёмся с его строением. В данном случае, разберёмся со строением кенатрона 5ц3с. Первая цифра 5 говорит нам о том, что накальное напряжение равно 5 вольт. Он имеет сдвоенный накал и 2 анода. Цоколёвка электродов такая : 2,8 электроды-накал, а электроды 4,6-аноды.Данный кенатрон имеет октальный цоколь(данный цоколь содержит в себе 8 электродов)

Как мы видим, здесь указан ток накала, который равен 3м амперам(ампер-физическая величина силы тока) и частота до 400 герц переменного тока, а напряжение анодов = 500 вольт.
Как мы видим, здесь указан ток накала, который равен 3м амперам(ампер-физическая величина силы тока) и частота до 400 герц переменного тока, а напряжение анодов = 500 вольт.

Здесь мы видим схему блока питания, собранную на этом кенатроне. В его основу входит трансформатор питания серии "ТП". Сигнал, а именно синус из розетки с начала поступает на первичную обмотку, далее синус выпрямляется самим кенатроном.
Здесь мы видим схему блока питания, собранную на этом кенатроне. В его основу входит трансформатор питания серии "ТП". Сигнал, а именно синус из розетки с начала поступает на первичную обмотку, далее синус выпрямляется самим кенатроном.

Наша беседа подошла к концу! Добра и всех благ!