Добавить в корзинуПозвонить
Найти в Дзене
Клад из кладовки

570 килограмм латуни в 1 т СП3-35.

Приветствую ВАС, господа кладоискатели. Что такое резисторы СП3-35 для радиолюбителя? Это переменные регулировочные цилиндрические однооборотные резисторы. Предназначены для работы в электрических цепях постоянного и переменного тока. Перемещение подвижной системы - круговое. Способ монтажа - навесной. Резисторы имеют повышенную точность функциональной характеристики. А что такое резисторы СП3-35 для кладоискателя? Ищем информацию в интернете. Приятная новость - в резисторах есть серебро. Неприятная новость - его в нем ооооочень мало. В тысяче этих резисторов всего даже нет одного грамма серебра. Но зато в них есть цветмет. А сколько? Масса одного резистора около 26 грамм. В килограмме - 39 штук. Давайте их разберем и посмотрим сколько найдем латуни и железа. В килограмме СП3-35 мы нашли 570 грамм латуни и 125 грамм железа. Как ВАМ такой результат?

Приветствую ВАС, господа кладоискатели. Что такое резисторы СП3-35 для радиолюбителя? Это переменные регулировочные цилиндрические однооборотные резисторы. Предназначены для работы в электрических цепях постоянного и переменного тока. Перемещение подвижной системы - круговое. Способ монтажа - навесной. Резисторы имеют повышенную точность функциональной характеристики.

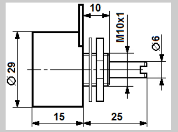
Размеры резистора
Размеры резистора

А что такое резисторы СП3-35 для кладоискателя? Ищем информацию в интернете. Приятная новость - в резисторах есть серебро. Неприятная новость - его в нем ооооочень мало.

-3

В тысяче этих резисторов всего даже нет одного грамма серебра. Но зато в них есть цветмет. А сколько?

-4

Масса одного резистора около 26 грамм. В килограмме - 39 штук. Давайте их разберем и посмотрим сколько найдем латуни и железа.

-5

В килограмме СП3-35 мы нашли 570 грамм латуни и 125 грамм железа.

Как ВАМ такой результат?