Найти в Дзене
МАТРИКС ЭЛЕКТРОНИКА

Цифровые изоляторы, изолированные приемопередатчики и изолированные драйверы затворов компании 2Pai Semiconductor

Цифровые изоляторы являются современной альтернативой оптопарам, при этом они имеют более высокие рабочие характеристики и меньшее энергопотребление. Стандартные цифровые изоляторы обладают различным количеством комбинаций входных и выходных каналов и могут работать со скоростями от нескольких Кбит/с до, как правило, 150 Мбит/с. Помимо этого для организации гальванической развязки сигнальных линий некоторых интерфейсов, таких как USB, I2C, SPI существуют специальные изоляторы интерфейсов или изолированные приемопередатчики, которые обычно основываются на тех же технологиях, что и стандартные цифровые изоляторы. На сегодняшний день в мире насчитывается несколько крупных производителей цифровых и специализированных изоляторов, таких как Analog Devices, Texas Instruments, Silicon Laboratories и Monolithic Power Systems, которые имеют в своем ассортименте большое количество продуктов для организации гальванической развязки, отличающихся своими характеристиками и предназначенных для различн

Цифровые изоляторы являются современной альтернативой оптопарам, при этом они имеют более высокие рабочие характеристики и меньшее энергопотребление. Стандартные цифровые изоляторы обладают различным количеством комбинаций входных и выходных каналов и могут работать со скоростями от нескольких Кбит/с до, как правило, 150 Мбит/с. Помимо этого для организации гальванической развязки сигнальных линий некоторых интерфейсов, таких как USB, I2C, SPI существуют специальные изоляторы интерфейсов или изолированные приемопередатчики, которые обычно основываются на тех же технологиях, что и стандартные цифровые изоляторы.

На сегодняшний день в мире насчитывается несколько крупных производителей цифровых и специализированных изоляторов, таких как Analog Devices, Texas Instruments, Silicon Laboratories и Monolithic Power Systems, которые имеют в своем ассортименте большое количество продуктов для организации гальванической развязки, отличающихся своими характеристиками и предназначенных для различных целей. Но в силу недавних политических событий и общемирового дефицита микросхем данные продукты стали практически недоступны на отечественном рынке, что заставляет российских производителей искать альтернативные решения, одним из которых могут быть изоляторы китайской компании 2Pai Semiconductor (Shanghai) Co. Ltd.

Компания 2Pai Semiconductor (официальный сайт http://www.rpsemi.com), штаб-квартира которой находится в Шанхае, является одним из крупнейших производителей цифровых изоляторов в Китае. Она была создана в 2017 году и за столь короткое время смогла уверенно занять лидирующие позиции на рынке. Помимо цифровых изоляторов она также разрабатывает и выпускает изолированные приемопередатчики и изолированные драйверы затворов полупроводниковых ключей. Компания имеет 17 международных патентов в области изоляции цепей.

Одной из ключевых разработок компании 2Pai Semiconductor является ее запатентованная технология iDivider. Эта технология основана на емкостном принципе передачи сигнала через изоляционный барьер, при котором сигнал передается от одной пластины микроминиатюрного конденсатора к другой с использованием методов модуляции и демодуляции. По информации от 2Pai Semiconductor компания смогла усовершенствовать технологию iDivider настолько, что она может уверенно конкурировать в плане скорости передачи данных, энергопотребления и помехоустойчивости с технологиями гальванической изоляции таких лидеров рынка, как Analog Devices и Texas Instruments.

В ассортименте 2Pai Semi имеется более сотни наименований цифровых изоляторов серии π1xxxxx в различных вариантах по количеству каналов (от 1 до 6), по скорости (от 150 Кбит/с до 600 Мбит/с) и по напряжению изоляции (от 3000 В до 5000 В). Они выпускаются в стандартных корпусах SSOP-16, SOIC-8 и SOIC-16 (в вариантах Narrow и Wide). Также есть серия π1xxx1x, представители которой выпускаются в корпусе DFN.

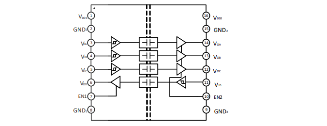
На рисунке 1 в качестве примера показана функциональная блок-схема изолятора π141M61, а в таблице 1 приведены некоторые изоляторы серии π1xxxxx и соответствующие им совместимые по выводам аналоги компаний Analog Devices и Texas Instruments.

Функциональная блок-схема цифрового изолятора π141M61, являющегося аналогом ADUM1401ARWZ и ISO7741DWR
Функциональная блок-схема цифрового изолятора π141M61, являющегося аналогом ADUM1401ARWZ и ISO7741DWR
-3

Важно отметить, что скорость цифровых изоляторов Analog Devices и Texas Instruments ограничивается пределом 150 Мбит/с, в то время как соответствующие продукты 2Pai Semiconductor могут достигать скорости 600 Мбит/с.

В ассортименте цифровых изоляторов 2Pai Semi также присутствуют продукты, сертифицированные в соответствии со стандартом AEC-Q100, что свидетельствует о возможности их применения в автомобильной промышленности. В качестве примеров таких компонентов можно назвать π120E30, π122E31, π122E60, π140E60, π141E61, π142E60 и т.п.

Компания 2Pai Semiconductor также предлагает четыре изолированных приемопередатчика интерфейса I2C серии π22xNx1. Они представляют собой двунаправленные изоляторы шины I2C с выходом типа открытый сток, повышенной защитой от электромагнитных помех, низким энергопотреблением и высокой скоростью передачи данных (до 2 Мбит/см).

На рисунке 2 в качестве примера показана функциональная блок-схема изолятора π221N31, а в таблице 2 приведены изолированные приемопередатчики I2C компании 2Pai Semiconductor и соответствующие им совместимые по выводам компоненты от Analog Devices и Texas Instruments.

Функциональная блок-схема изолированного приемопередатчика π221N31, являющегося аналогом ADUM1251ARZ и ISO1541D
Функциональная блок-схема изолированного приемопередатчика π221N31, являющегося аналогом ADUM1251ARZ и ISO1541D
-5

Изоляторы π220N31 и π221N31 выпускаются в корпусах SOIC-8, а π220N61 и π221N61 в корпусах SOIC-16, при этом π220N31 и π220N61 соответствуют требованиям стандарта AEC-Q100, поэтому могут применяться в автомобильной промышленности.

Помимо этого, 2Pai Semiconductor предлагает изолированные драйверы затворов силовых полупроводниковых ключей, как одноканальные, так и двухканальные. Они отличаются высокими выходными токами (до 6 А), высоким напряжением изоляции (до 5 кВ ср.кв.) и высокой устойчивостью к изменению синфазного напряжения (до 300 кВ/мкс).

На рисунке 3 в качестве примера показана функциональная блок-схема одноканального изолированного драйвера Pai8211A, а в таблице 3 приведены несколько изолированных драйверов затворов и соответствующие им компоненты компаний Analog Devices и Texas Instruments.

Функциональная блок-схема изолированного драйвера затвора Pai8211A, являющегося аналогом ADUM4121ARIZ и UCC5350MCQDQ1
Функциональная блок-схема изолированного драйвера затвора Pai8211A, являющегося аналогом ADUM4121ARIZ и UCC5350MCQDQ1
-7

Где купить 2Pai Semiconductor в России?

Таким образом, несмотря на сложности в поставках изоляторов от таких крупных корпораций, как Analog Devices и Texas Instruments, отечественный производитель может закрыть все свои основные потребности в цифровых изоляторах, изолированных приемопередатчиках интерфейса I2C и изолированных драйверах затвора благодаря продуктам 2Pai Semiconductor, которые можно приобрести в компании Матрикс Электроника.

Данные продукты являются совместимыми по выводам с соответствующими изоляторами названных выше международных корпораций, но при этом они отличаются более высокими скоростями передачи данных, более высокой помехоустойчивостью и более низким энергопотреблением и стоят значительно дешевле западных аналогов.

Наши специалисты помогут подобрать решение под ваши задачи:

свяжитесь с нами через сайт: https://gcmatrix.com/

или по электронной почте: info@gcmatrix.com