Найти в Дзене
Старые схемы...

Байки про усилитель на одном транзисторе.

Транзисторы имеют разброс характеристик, поэтому схему усилителя на одном транзисторе необходимо настраивать под конкретный транзистор. Схема, показанная на рисунке 1 самая простая. В этой схеме постоянный ток идет через катушку динамика. Если значение сопротивления R1 окажется слишком маленьким, то существует вероятность перегреть катушку динамика и вывести динамик из строя. В этой схеме диффузор динамика будет смещен вперед, или назад, поэтому в одну из сторон будет ограничен ход диффузора. Если собрать схему усилителя, как показано на рисунке 2, то постоянный ток не будет проходить через катушку динамика. При нагреве транзистора, ток через транзистор будет расти, что приведет к уменьшению напряжения на коллекторе транзистора. Для получения максимальной выходной мощности, желательно подбирать сопротивление R1 при нагретом транзисторе. У схемы, показанной на рисунке 3, смещение на базу транзистора подается с коллектора транзистора, что позволяет уменьшить рост тока при нагреве тран
Оглавление
Фото 1.
Фото 1.

Транзисторы имеют разброс характеристик, поэтому схему усилителя на одном транзисторе необходимо настраивать под конкретный транзистор.

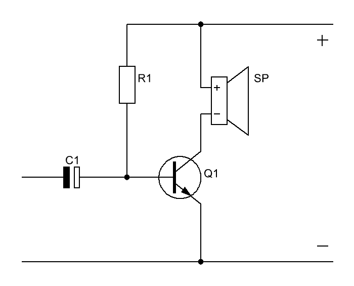
Рисунок 1.
Рисунок 1.

Схема, показанная на рисунке 1 самая простая. В этой схеме постоянный ток идет через катушку динамика. Если значение сопротивления R1 окажется слишком маленьким, то существует вероятность перегреть катушку динамика и вывести динамик из строя. В этой схеме диффузор динамика будет смещен вперед, или назад, поэтому в одну из сторон будет ограничен ход диффузора.

Рисунок 2.
Рисунок 2.

Если собрать схему усилителя, как показано на рисунке 2, то постоянный ток не будет проходить через катушку динамика. При нагреве транзистора, ток через транзистор будет расти, что приведет к уменьшению напряжения на коллекторе транзистора. Для получения максимальной выходной мощности, желательно подбирать сопротивление R1 при нагретом транзисторе.

Рисунок 3.
Рисунок 3.

У схемы, показанной на рисунке 3, смещение на базу транзистора подается с коллектора транзистора, что позволяет уменьшить рост тока при нагреве транзистора. При изменении постоянного напряжения на коллекторе транзистора будет меняться ток смещения на базе транзистора. Резисторы R1 и R2 желательно использовать с одинаковым сопротивлением. Значение сопротивлений подбирается таким, чтобы напряжение на коллекторе транзистора было близким к половине напряжения питания.

Фото 2.
Фото 2.

На фотоснимке показана осциллограмма напряжения на выходе усилителя с подключенной акустической системой. Выходная мощность составляла приблизительно 0,03Вт, потребляемый схемой ток, был 0,1А.

Если внимательно посмотрите на осциллограмму, то на ней заметите небольшие выбросы в начале обратного хода катушки динамика. Они видны в виде точек около максимального и минимального значения синусоидального сигнала.

При уменьшении сопротивления R3 возрастет максимальная выходная мощность усилителя.