Найти в Дзене
Старый радио любитель

Старые журналы. "Радио" №1 за 1963 год. "Стабильный диапазонный генератор".

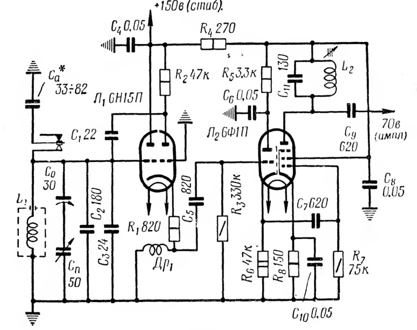
Проблема стабильности задающих генераторов появилась вместе с появлением супергетеродинов. И различным ухищрениям, позволяющим повысить стабильность частоты несть числа. Одна из схем стабильного генератора была помещена в журнале "Радио" №1 за 1963 год. Автором ее был инженер Александр Шадский (UA3BW). Задающий генератор собран на двойном триоде 6Н15П, а буферный каскад и усилитель - на триод-пентоде 6Ф1П. Как пишет автор, генератор собран по схеме с отрицательным сопротивлением, и его можно представить как несимметричный мультивибратор, в одно плечо которого включен колебательный контур. Мне проще представить себе эту схему как каскодный усилитель по схеме общий анод - общая сетка. Левый триод включен как катодный повторитель, имеющий очень большое входное сопротивление, что позволяет подключить контур непосредственно в цепь сетки. Второй каскад с общей сеткой имеет большое выходное сопротивление (сопротивление нагрузки 24 кОм). Связь обоих каскадов осуществляется через общий резисто

Проблема стабильности задающих генераторов появилась вместе с появлением супергетеродинов. И различным ухищрениям, позволяющим повысить стабильность частоты несть числа. Одна из схем стабильного генератора была помещена в журнале "Радио" №1 за 1963 год. Автором ее был инженер Александр Шадский (UA3BW).

Рис. 1. Из журнала "Радио" №1 за 1963 год
Рис. 1. Из журнала "Радио" №1 за 1963 год

Задающий генератор собран на двойном триоде 6Н15П, а буферный каскад и усилитель - на триод-пентоде 6Ф1П. Как пишет автор, генератор собран по схеме с отрицательным сопротивлением, и его можно представить как несимметричный мультивибратор, в одно плечо которого включен колебательный контур.

Мне проще представить себе эту схему как каскодный усилитель по схеме общий анод - общая сетка. Левый триод включен как катодный повторитель, имеющий очень большое входное сопротивление, что позволяет подключить контур непосредственно в цепь сетки. Второй каскад с общей сеткой имеет большое выходное сопротивление (сопротивление нагрузки 24 кОм). Связь обоих каскадов осуществляется через общий резистор R1 в цепях их катодов.

Обратная связь, обеспечивающая возникновение генерации обеспечивается конденсатором малой емкости С1. Так его емкость мала, то анодная цепь второго триода практически не влияет на колебательный контур.

Авторской "фишечкой" в этой схеме является включение последовательно с R1 дросселя. Это позволяет разделить функции элементов этой цепочки: резистор обеспечивает режим по постоянному току. имея относительно малое сопротивление на ВЧ, а дроссель, наоборот, по постоянному току имеет очень низкое сопротивление, а для токов ВЧ - высокое. Именно с этого дросселя снимается напряжение генератора и подается на буферный каскад, выполненный на триоде второй лампы по схеме катодного повторителя, минимизирующего влияние усилительного каскада на генератор.

Усилитель собран по резонансной схеме, в его анодную цепь включен колебательный контур, который имеет высокое сопротивление на резонансной частоте и обеспечивает на аноде размах колебаний порядка 70 В. Кроме того. этот контур улучшает форму сигнала, снижая содержание гармоник.

Конечно, схема - это очень важно, но никак не отменяет компенсацию ТКЕ элементов контура, выбирая соответствующую конструкции катушки и тип конденсатора.

При соблюдении этих требований после 20-ти минутного прогрева уход частоты за следующие 15 минут (при частоте генератора 3,5 МГц) составил 37 Гц, а за следующие 15 минут - 33 Гц. Очень неплохой результат.

Через полвека схема не утратила актуальности, только вместо ламп - полевые транзисторы.

Рис. 2. С сайта https://www.radiokot.ru/forum/
Рис. 2. С сайта https://www.radiokot.ru/forum/

Все практически один в один: каскод ОС-ОЗ, связь через резистор в цепях стока, конденсатор малой емкости в цепи ПОС. Вот только я бы еще между генератором и усилителем на VT3 поставил бы истоковый или эмиттерный повторитель.

Всем здоровья и успехов!