Найти в Дзене

Исследование получения COP > 1 для систем с ЭДС самоиндукции.

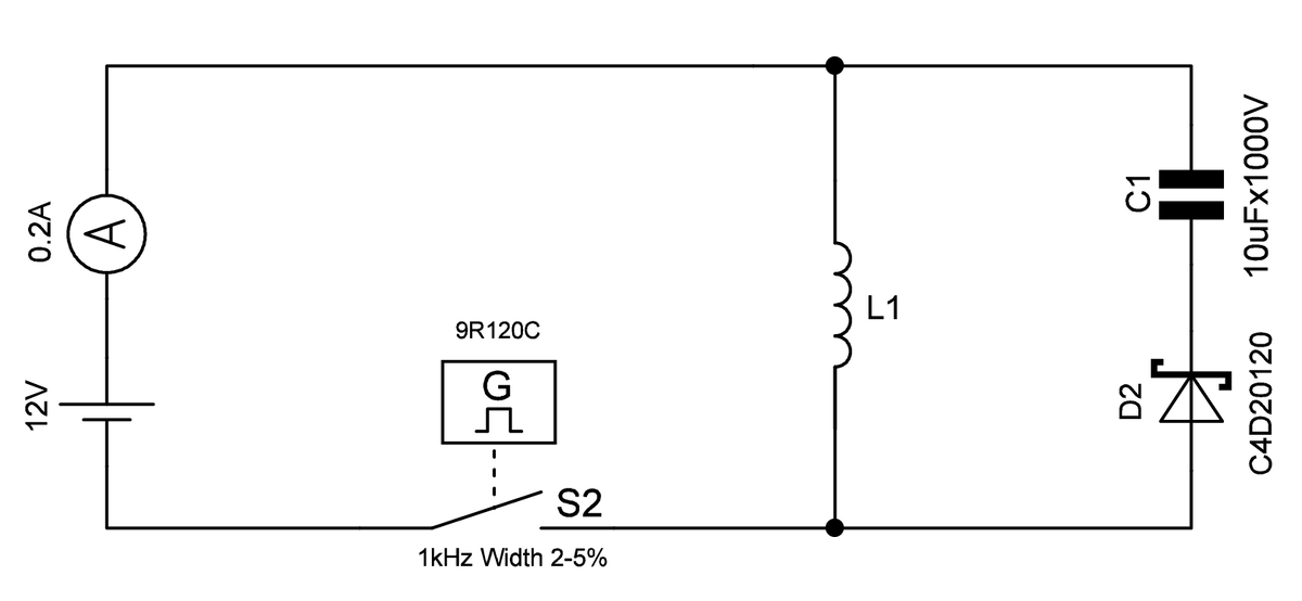
Классический подход к оценке энергетических процессов в импульсных преобразователях опирается на гипотезу о равенстве энергий, накапливаемых в индуктивности и ёмкости. В данной работе это допущение проверяется методом прямого измерения энергии накопительных элементов: по ёмкости и напряжению — для конденсатора и по индуктивности и току — для катушки. Проведённый сравнительный анализ выявил наличие режимов, в которых коэффициент эффективности (COP) превышает единицу. Исследование проведено на основе обратноходового преобразователя. Схема содержит последовательную цепь из источника питания, управляемого внешним генератором ключа (MOSFET) и индуктивности. Ключевой особенностью является подключение накопительного конденсатора через диод Шоттки таким образом, что конденсатор заряжается исключительно импульсами ЭДС самоиндукции, возникающей при разрыве тока, в то время как источник питания напрямую в процессе зарядки конденсатора не участвует. Фаза накопления энергии (ключ замкнут): Фаза п
Оглавление

Over-Unity EMF Converter.

Классический подход к оценке энергетических процессов в импульсных преобразователях опирается на гипотезу о равенстве энергий, накапливаемых в индуктивности и ёмкости. В данной работе это допущение проверяется методом прямого измерения энергии накопительных элементов: по ёмкости и напряжению — для конденсатора и по индуктивности и току — для катушки. Проведённый сравнительный анализ выявил наличие режимов, в которых коэффициент эффективности (COP) превышает единицу.

Описание схемы.

Исследование проведено на основе обратноходового преобразователя. Схема содержит последовательную цепь из источника питания, управляемого внешним генератором ключа (MOSFET) и индуктивности. Ключевой особенностью является подключение накопительного конденсатора через диод Шоттки таким образом, что конденсатор заряжается исключительно импульсами ЭДС самоиндукции, возникающей при разрыве тока, в то время как источник питания напрямую в процессе зарядки конденсатора не участвует.

Принцип работы схемы:

Фаза накопления энергии (ключ замкнут):

  • Источник питания → MOSFET → Индуктивность L
  • Ток в индуктивности линейно (для IGBT) нарастает: I = (V_in/L) × t
  • Диод Шоттки закрыт (обратное смещение)
  • Конденсатор изолирован от цепи

Фаза передачи энергии (ключ разомкнут):

  • Цепь питания разрывается
  • Возникает ЭДС самоиндукции: ε = -L × di/dt
  • Диод Шоттки открывается под действием ε
  • Энергия передается в конденсатор C

Ключевые особенности для COP > 1:

  • Источник питания не участвует напрямую в зарядке C
  • Энергия в C поступает исключительно от ЭДС самоиндукции.
  • Это создает принципиальную возможность COP > 1

При разрыве тока в цепи индуктивность перестаёт быть пассивным накопителем и становится самостоятельным источником питания, генерирующим импульс ЭДС самоиндукции. Величина данной ЭДС определяется скоростью изменения тока (ε = -L·di/dt). Создаваемое этой электродвижущей силой электрическое поле способно совершать работу по перемещению зарядов, что приводит к увеличению энергии, запасённой в конденсаторе.

-2

Оценка энергопотребления в импульсных режимах.

На представленной далее осциллограмме (бордовый луч — напряжение на стоке транзистора) показана методологическая несостоятельность расчёта энергии по формуле W = V_DS × I × t для топологии с нижним ключом.

Системная методологическая ошибка:

  • В открытом состоянии ключа: V_DS ≈ 0 В → расчетная W ≈ 0
  • В закрытом состоянии: V_DS > 0, но ток через ключ отсутствует
  • Реальная энергия источника не учитывается

Особенности измерений:

Осциллограмма показывает, что импульс ЭДС самоиндукции образуется именно на стоке транзистора, поэтому проводить измерения и использовать напряжения других участков цепи методологически неверно.

-3

Таким образом, для корректной оценки энергозатрат источника питания необходимо использовать не показания амперметра и вольтметра в его цепи, а выполнить расчёт полной энергии, накопленной в магнитном поле индуктивности за период нарастания тока по формуле W_source = W_L = (L × I_peak²)/2.

Данный подход, основанный на фундаментальном принципе сохранения энергии в классической электродинамике, обеспечивает физически обоснованную методологию для выявления аномалий в энергетическом балансе системы.

-4

Условие эксперимента.

  • Генератор с частотой 1 кГц управляет ключом (транзистором).
  • Транзистор открывается на 50 мкс в каждом периоде (скважность 5%).
  • В схеме используется катушка индуктивности и конденсатор 10 мкФ.
  • За время 466 мс конденсатор заряжается до напряжения 170 В.

Измерения:

  • Ток измеряется через шунт 2A/75мВ.
  • Осциллограф фиксирует линейное нарастание напряжения
  • Максимальный ток в импульсе: Imax= (264мВ / 75мВ) * 2А = 7.04A.

-5

Формула ЭДС самоиндукции ε = -L * (di/dt) указывает на возможность генерации высокого напряжения путем изменения скорости тока. Классическая электродинамика не накладывает ограничений на минимальное время Δt, поэтому ключевым фактором становится физическая достижимость экстремально высоких значений |di/dt|.

Проектируем источник питания с COP>1,

в котором энергия в конденсаторе будет на 50% выше, чем затраты источника питания, Необходимо определить индуктивность L, которую следует использовать в данной схеме. Энергетические расчеты будут проводиться через величину энергии магнитного поля, накопленной в индуктивности: W_L = (L × I_peak²)/2, что в соответсвии с принципом сохранения энергии равно энергии источника питания.

Энергия, накопленная в конденсаторе:
W_C = (C × U_C²)/2 = (10 × 10⁻⁶ × 170²)/2 = 0.1445 Дж

Энергия, передаваемая за один импульс:
W_imp = W_C/N = 0.1445/466 ≈ 3.10 × 10⁻⁴ Дж

Требуемая энергия от источника за импульс для COP = 1.5:
W_L = W_imp/1.5 ≈ 2.067 × 10⁻⁴ Дж

Расчет индуктивности:
Из формулы W_L = (L × I_peak²)/2: L = (2 × W_L)/I_peak² = (2 × 2.067 × 10⁻⁴)/7.04² ≈ 8.35 мкГн

Верификация расчета:

  • Энергия в индуктивности: W_L = (8.35 × 10⁻⁶ × 7.04²)/2 ≈ 2.067 × 10⁻⁴ Дж
  • Общая энергия источника: W_source = 2.067 × 10⁻⁴ × 466 ≈ 0.0963 Дж
  • Коэффициент преобразования: COP = 0.1445/0.0963 = 1.5

Итог.

  • Для реализации целевого режима COP = 1.5 требуется индуктивность L ≈ 8.35 мкГн.
  • Показания амперметра и вольтметра в импульсных системах не отражают реальные энергозатраты источника.
  • Управляя длительностью импульса, необходимо обеспечить достижение максимального тока через индуктивность I_peak = 7.04 А, контролируя его по падению напряжения на токовом шунте.
  • Практическая длительность импульса, определяемая по достижению заданного тока через шунт, может отличаться от 50 мкс и должна устанавливаться экспериментально.

Методологическое замечание.

Полученное значение COP > 1 следует рассматривать как отправную точку для дальнейшего научного анализа, а не как окончательный вывод. Ключевая значимость результата заключается не в констатации превышения эффективности, а в обнаружении физического эффекта, требующего:

  • Системной верификации методологии измерений и расчётов
  • Углублённого изучения природы наблюдаемого явления
  • Строгой научной интерпретации в рамках фундаментальных законов

Данное наблюдение открывает перспективу для исследования новых физических принципов преобразования энергии в импульсных системах с резкой коммутацией тока. Последующий анализ должен быть направлен на выявление и количественную оценку всех факторов, способных повлиять на энергетический баланс системы.

Полная версия статьи: https://energy4all.ru/

Свободная энергия

Друзья,

Цель платформы Дзен — не обеспечить доступ к информации, коммерческая деятельность вторична, главное — контроль и цензура. Если статья не вписывается в «научный» нарратив, главным инструментом становится не удаление, что может вызвать протест и прекращение публикаций, а искажение статистики. Просмотры исчезают, охват обнуляется, статья становится недоступной.

Это цензура нового типа. Уже не человек, а машина, обученная на миллионах данных, без объяснений и права на апелляцию, решает, что достойно вашего внимания, а что — нет. Она пресекает не ложь, а живой интерес к темам, выходящим за рамки официального курса. Она пресекает не нарушения, а сам потенциал к инакомыслию, как на стороне автора, обесценивая его работу за счёт уменьшения просмотров и ничтожных отчислений, так и на стороне читателя, отказывая ему в праве на информацию.

Если текст заставил вас задуматься — значит, он прошёл первую и главную цензуру, вашу внутреннюю. Теперь помогите ему пройти вторую — алгоритмическую.

Ставьте лайк.
Это способ сказать автору «мне это интересно», а системе: «я имею право на информацию».