Добавить в корзинуПозвонить
Найти в Дзене
Старый радио любитель

Простое решение сложной проблемы.

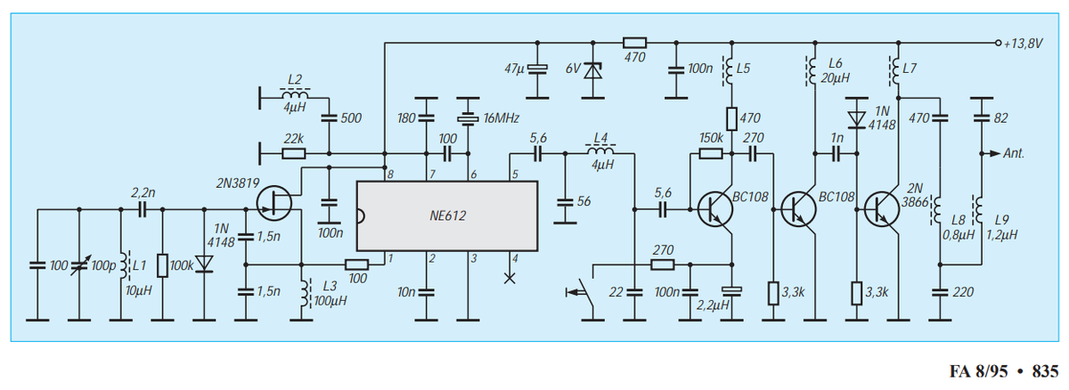
Очень часто телеграфные QRP трансиверы или передатчики строят с использованием кварцевых генераторов, что позволяет иметь высокую стабильность частоты. Но это не позволяет перестраивать трансивер хотя бы в пределах телеграфных участков любительских диапазонов. Это позволяют LC-генераторы (синтезаторы - это другое :)) ), но они не обладают нужной стабильностью, особенно на частотах выше 5-6 МГц. Простое решение в своем передатчике на диапазон 20 м использовал английский радиолюбитель Даг (G4RGF). Схема передатчика была опубликована в журнале Funk Amateur №8 за 1995. Схема задающего генератора - с кварцевой подставкой, т.е. его частота получается в результате смешивания частоты кварцевого генератора 16 МГц и перестраиваемого в диапазоне 2,0 - 2,1 МГц LC-генератора. На такой низкой частоте, да еще и с использованием полевого транзистора. Рассмотрим его схему подробнее. Перестраиваемый генератор построен но схеме емкостной трехточки. Контурная катушка L1 намотана на красном перестройка осу

Очень часто телеграфные QRP трансиверы или передатчики строят с использованием кварцевых генераторов, что позволяет иметь высокую стабильность частоты. Но это не позволяет перестраивать трансивер хотя бы в пределах телеграфных участков любительских диапазонов. Это позволяют LC-генераторы (синтезаторы - это другое :)) ), но они не обладают нужной стабильностью, особенно на частотах выше 5-6 МГц.

Простое решение в своем передатчике на диапазон 20 м использовал английский радиолюбитель Даг (G4RGF). Схема передатчика была опубликована в журнале Funk Amateur №8 за 1995.

Рис. 1. Их журнала Funk Amateur №8 за 1995
Рис. 1. Их журнала Funk Amateur №8 за 1995

Схема задающего генератора - с кварцевой подставкой, т.е. его частота получается в результате смешивания частоты кварцевого генератора 16 МГц и перестраиваемого в диапазоне 2,0 - 2,1 МГц LC-генератора. На такой низкой частоте, да еще и с использованием полевого транзистора. Рассмотрим его схему подробнее.

Рис. 2. Их журнала Funk Amateur №8 за 1995
Рис. 2. Их журнала Funk Amateur №8 за 1995

Перестраиваемый генератор построен но схеме емкостной трехточки. Контурная катушка L1 намотана на красном перестройка осуществляется КПЕ с емкостью 100 пФ. Связь задающего контура с транзистором осуществляется конденсатором очень маленькой емкости - всего 2,2 пФ. Это позволяет миниминизировать влияние на контур и не снижать его добротность. Диод в цепи затвора ограничивает амплитуду колебаний, но именно на затворе, а на контуре размах колебаний будет больше. Большие емкости конденсаторов в делителе (1,5нФ) уменьшают влияние емкостей транзистора (хотя у выбранного транзистора емкости очень малы).

Использование в качестве смесителя микросхемы NE612 позволяет уменьшить количество деталей, так как на ней реализован не только смеситель, но и кварцевый генератор. А вот здесь на схеме ошибка (не только в наших журналах их делают): в точке, указанной красной стрелкой на самом деле соединения проводников быть не должно. Наличие цепочки из конденсатора и дросселя облегчает возбуждение гармониковых генераторов.

Результирующий сигнал 14,0 - 14,1 МГц снимается с вывода 5 и проходит через П-образный фильтр из конденсаторов 56 и 22 пФ и катушки L4.

Вот такой генератор. Сейчас, правда, стоимость SA612 в Чипе почти 500 руб, но вот NE612 стоит дешевле - на Озоне и Али 5 шт за 800 руб. Но никто не мешает использовать диодный кольцевой смеситель, правда к нему нужен будет отдельный кварцевый генератор и усилитель.

Но такой генератор вполне подойдет для однодиапазонного трансивера, так как при многодиапазонном варианте нужно будет переключать не только кварцевые генераторы, но фильтры на выходе смесителя.

Интересно будет испытать такой генератор на уход частоты.

Всем успехов и здоровья.