Добавить в корзинуПозвонить
Найти в Дзене
Павел Зеленцов

Удобный помошник в поиске неисправных конденсаторов.

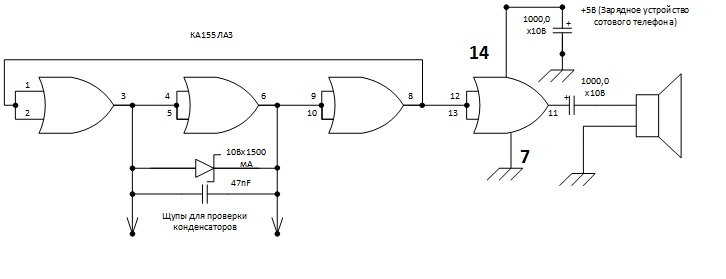
Простой пробник для проверки конденсаторов, без их выпаивания. Позволяет определить на слух примерную ёмкость конденсатора, что очень удобно, так как не нужно переводить глаза со щупов. Можно наверное использовать батарейное питание. Но я использовал старое зарядное устройство, от сотового телефона. Мощный стабилитрон нужен, чтобы защитить микросхему от напряжения, которое может присутствовать на проверяемых конденсаторах. Конденсатор, параллельно щупам, задаёт начальную частоту генератора такой, чтобы мы её ещё слышали. Тогда, при подключении даже не большой ёмкости, мы услышим изменение частоты. И сможем определить емкость подключенного конденсатора. Если, при подключении щупов к конденсатору, генерация срывается, следует поменять щупы местами. При увеличении внутреннего сопротивления проверяемого конденсатора, генерация продолжается на частоте, которая задана внутренним конденсатором пробника. Пробником этим пользуюсь уже больше 30 лет. И он меня всегда выручает. Кто повторил его

Простой пробник для проверки конденсаторов, без их выпаивания. Позволяет определить на слух примерную ёмкость конденсатора, что очень удобно, так как не нужно переводить глаза со щупов. Можно наверное использовать батарейное питание. Но я использовал старое зарядное устройство, от сотового телефона. Мощный стабилитрон нужен, чтобы защитить микросхему от напряжения, которое может присутствовать на проверяемых конденсаторах. Конденсатор, параллельно щупам, задаёт начальную частоту генератора такой, чтобы мы её ещё слышали. Тогда, при подключении даже не большой ёмкости, мы услышим изменение частоты. И сможем определить емкость подключенного конденсатора. Если, при подключении щупов к конденсатору, генерация срывается, следует поменять щупы местами. При увеличении внутреннего сопротивления проверяемого конденсатора, генерация продолжается на частоте, которая задана внутренним конденсатором пробника. Пробником этим пользуюсь уже больше 30 лет. И он меня всегда выручает. Кто повторил его, тоже остались им довольны. Первое время, приходится сравнивать звук с рабочими конденсаторами. Очень быстро запоминаешь, и впоследствии ничего сравнивать уже не нужно. Пробник только отвечает на вопрос - годен, или нет. С его же помощью, иногда, даже приходилось проверять целостность витой пары, и примерное расстояние до обрыва. :)

Схема пробника
Схема пробника