Добавить в корзинуПозвонить
Найти в Дзене
AutoCAD Electrical

Схема с двумя платами

Имеется схема, состоящая из двух плат А1 и А2. На каждой плате установлено 2 разъема Х1 и Х2. Каждая плата – это родительский компонент, состоящий только из атрибутов. Прямоугольник контура платы создается командой AutoCAD и при необходимости легко редактируется. Каждый разъем – это дочерний компонент. Поз. обозначение разъема имеет следующий формат: поз. обозначение платы / поз. обозначение соединителя, например, А1/Х1. Это скрытый атрибут. Для обозначений разъемов используется атрибут DESC1 – Описание строка1. После размещения плат и разъемов построены соединения и пронумерованы. Добавлены копии номеров проводов. По схеме сформирован отчет Кабельный журнал. Таблица – отчет размещена на листе. Я 🩷AutoCAD Electrical !

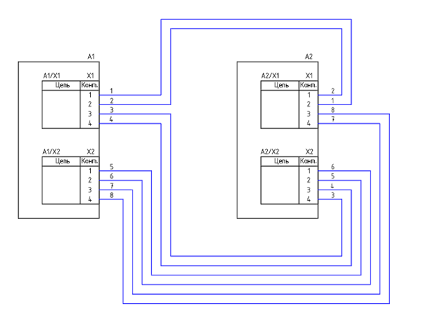
Имеется схема, состоящая из двух плат А1 и А2.

На каждой плате установлено 2 разъема Х1 и Х2.

-2

Каждая плата – это родительский компонент, состоящий только из атрибутов.

Прямоугольник контура платы создается командой AutoCAD и при необходимости легко редактируется.

-3

Каждый разъем – это дочерний компонент.

Поз. обозначение разъема имеет следующий формат:

поз. обозначение платы / поз. обозначение соединителя, например, А1/Х1.

Это скрытый атрибут.

-4

Для обозначений разъемов используется атрибут DESC1 – Описание строка1.

После размещения плат и разъемов построены соединения и пронумерованы.

Добавлены копии номеров проводов.

-5

По схеме сформирован отчет Кабельный журнал.

-6

Таблица – отчет размещена на листе.

-7

Я 🩷AutoCAD Electrical !