Добавить в корзинуПозвонить
Найти в Дзене
ФЛЮМТЭК - FLUMTEC

Установки повышения давления воды: назначение, устройство и применение

Современные системы водоснабжения зависят от стабильного давления. Эту задачу решают установки повышения давления воды (УПД) — эффективные автоматизированные насосные станции, которые поддерживают нужный напор в жилых, коммерческих и промышленных зданиях. Такие решения повышают комфорт, снижают эксплуатационные риски и помогают экономить электроэнергию, обеспечивая стабильную работу всей системы водоснабжения. Установка повышения давления представляет собой комплекс взаимосвязанных элементов, работающих как единая система. Каждый компонент выполняет свою функцию, обеспечивая надёжность и стабильность подачи воды. Основные элементы установки: Компактная сборка позволяет быстро вводить установку в эксплуатацию, а блочный принцип — легко адаптировать систему под нужды объекта. Современные установки повышения давления — это уже не просто насосные станции, а интеллектуальные системы, автоматически регулирующие давление в зависимости от текущего расхода воды. Благодаря частотно-регулируемым
Оглавление

Современные системы водоснабжения зависят от стабильного давления. Эту задачу решают установки повышения давления воды (УПД) — эффективные автоматизированные насосные станции, которые поддерживают нужный напор в жилых, коммерческих и промышленных зданиях. Такие решения повышают комфорт, снижают эксплуатационные риски и помогают экономить электроэнергию, обеспечивая стабильную работу всей системы водоснабжения.

Конструкция и принцип работы

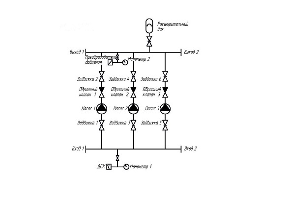
Установка повышения давления представляет собой комплекс взаимосвязанных элементов, работающих как единая система. Каждый компонент выполняет свою функцию, обеспечивая надёжность и стабильность подачи воды.

Схема УПД
Схема УПД

Основные элементы установки:

  • Всасывающий коллектор — равномерно распределяет поток воды между насосами
  • Комплект защиты от сухого хода — предотвращает работу оборудования при отсутствии воды
  • Запорная арматура — регулирует поступление воды и облегчает обслуживание
  • Насосы (2–6 шт.) — формируют необходимое давление, один или несколько работают в резерве
    Обратные клапаны — исключают обратный ток воды
  • Напорный коллектор — обеспечивает стабильное давление в подающем контуре
  • Контрольно-измерительные приборы (КИП) — манометры, датчики давления, расходомеры
  • Расширительный бак — компенсирует гидроудары и колебания давления
  • Пульт управления — автоматизирует запуск, остановку и защиту насосов
  • Рама — служит основой, объединяющей все компоненты в компактный модуль

Компактная сборка позволяет быстро вводить установку в эксплуатацию, а блочный принцип — легко адаптировать систему под нужды объекта.

Почему современные УПД эффективнее

Современные установки повышения давления — это уже не просто насосные станции, а интеллектуальные системы, автоматически регулирующие давление в зависимости от текущего расхода воды. Благодаря частотно-регулируемым насосам они поддерживают стабильные параметры без скачков, снижая энергопотребление и износ оборудования. Встроенная автоматика контролирует работу каждого агрегата, чередуя насосы и включая резерв при необходимости. Компактная компоновка на общей раме облегчает монтаж и обслуживание, а интеллектуальное управление делает систему предсказуемой и экономичной.

В результате УПД нового поколения обеспечивают устойчивое давление, долговечность и ощутимую экономию ресурсов при эксплуатации.

Параллельная работа насосов: когда «вместе» лучше

Для повышения устойчивости и адаптивности насосные станции повышения давления часто используют параллельное подключение насосов.

Схема паралельное подключение насосов
Схема паралельное подключение насосов

Такое решение обеспечивает равномерное распределение нагрузки, повышение производительности и резервирование при выходе агрегата из строя. Дополнительно оно снижает уровень шума, улучшает энергоэффективность и делает автоматику проще в управлении. Благодаря этой схеме система продолжает стабильно работать даже при отключении отдельных насосов.

Специальные исполнения под сложные условия

Некоторые объекты требуют нестандартных решений. Для агрессивных сред, повышенной влажности, запылённости или санитарных ограничений применяются УПД специального исполнения — с нержавеющими коллекторами, герметичными шкафами управления (IP54+), системой кондиционирования, виброразвязками и встроенной диагностикой. Такое оборудование устойчиво к коррозии, стабильно работает в сложных условиях и обеспечивает предсказуемое обслуживание.

Установка повышения COR-3 MVL/Skw-MB-EB-R
Установка повышения COR-3 MVL/Skw-MB-EB-R

Чтобы проще ориентироваться в разновидностях и комплектациях, используется система маркировки УПД.

Пример расшифровки маркировки

На примере COR-3 MVL 3204/2-1/SKw-MB-EB-R-S:

  • CO — компактная установка
  • R — наличие частотного регулирования
  • MVL — тип насоса
  • 32 — номинальная подача одного насоса (м³/ч)
  • 4 — количество ступеней
  • 2 — число обточенных рабочих колёс
  • 1 — материал корпуса (AISI304)
  • SKw — шкаф управления с частотным преобразователем;
  • MB — дополнительные опции (RS485/USB, GSM, WEB и др.)
  • EB — тип коллектора
  • R — российская сборка

S — специальное исполнение

Такая система маркировки позволяет быстро определить характеристики и конфигурацию установки.

Материалы коллекторов

Коллекторы — один из основных элементов, от которого зависит равномерность потока и долговечность системы. Выбор материала влияет на устойчивость к коррозии, давление и гигиенические свойства.

Коллекторы из нержавеющей стали (AISI304) применяются там, где важна чистота среды и долговечность. Они устойчивы к коррозии, не образуют отложений и служат десятилетиями даже при высокой влажности.

Коллекторы из углеродистой стали (09Г2С) чаще используются в отоплении и технологических системах. Они прочные, надёжные и значительно дешевле нержавеющих, при этом защищены катафорезным покрытием.

Оба типа изготавливаются по ГОСТ 33259, имеют унифицированные размеры и просты в монтаже.

Материалы коллекторов определяют механическую надёжность станции, а её «интеллект» — системы управления, задающие точность и энергоэффективность работы.

Системы управления и режимы работы

Контроллеры уровня SK-712 управляют 1–6 насосами, поддерживают ручной/автоматический режим, ведут индикацию параметров и событий, защищают двигатели (PTC/WSK), работают с аналоговыми сигналами (4–20 мА/0–10 В) и поддерживают удалённый доступ.

Прибор управления
Прибор управления

Возможны два базовых режима:

  • Без преобразователя частоты (ПЧ) — ступенчатое включение/отключение по уставкам (простая, но менее точная схема)
Схема режим управления без ПЧ
Схема режим управления без ПЧ
  • С преобразователем частоты (ПЧ) — плавное регулирование оборотов по датчику давления, точное удержание уставки и лучшая энергоэффективность
Схема режим управления с ПЧ
Схема режим управления с ПЧ

Использование преобразователя частоты обеспечивает оптимальную энергоэффективность и мягкую работу оборудования даже при резких изменениях расхода воды.

Области применения

Установки повышения давления востребованы во всех инженерных системах, где требуется стабильный напор. Чем переменнее потребление и выше требования к комфорту и безопасности, тем очевиднее эффект от автоматической насосной станции.

Жилые здания и комплексы
В многоэтажных домах установки повышения давления решают проблему слабого напора на верхних этажах и суточных колебаний давления. Станция стабильно держит напор во всех точках водоразбора, а автоматика сама регулирует работу насосов. Это исключает ручные настройки и перетоки между стояками, обеспечивая равномерное давление по всему зданию.

Жилые здания и комплексы
Жилые здания и комплексы

Коммерческие объекты
Гостиницы, торговые и бизнес-центры, а также спорткомплексы испытывают пиковые нагрузки в определённые часы и дни недели. Установки повышения давления сглаживают эти пики, работают тише и экономичнее благодаря частотному регулированию, обеспечивая стабильную температуру воды и комфорт для посетителей — без перепадов напора и жалоб на качество водоснабжения.

Коммерческие объекты
Коммерческие объекты

Промышленность
Технологические линии и системы охлаждения требуют стабильного давления даже при переменном расходе воды. УПД с параллельной работой насосов и автоматическим чередованием по наработке поддерживают точные параметры подачи, уменьшают износ оборудования и предотвращают незапланированные простои.

Промышленность
Промышленность

Пожаротушение
В таких системах особенно важно, чтобы давление создавалось сразу и оставалось стабильным. Станции повышения давления оснащаются резервными насосами, отдельными установками и системой самодиагностики, которая контролирует состояние оборудования. В режиме «холодного резерва» станция находится в постоянной готовности и автоматически включается при падении давления или запуске линии, поддерживая бесперебойную работу системы.

Пожаротушение
Пожаротушение

Сельское хозяйство и инфраструктура
Системы орошения, тепличные комплексы, коммунальные насосные станции и узлы водоочистки требуют стабильного давления даже при сильных колебаниях расхода. Установки повышения давления поддерживают нужные параметры подачи, а интеграция с автоматикой полива и АСУ ТП упрощает управление, снижает затраты и делает работу системы более эффективной.

Сельское хозяйство и инфраструктура
Сельское хозяйство и инфраструктура

Независимо от сферы применения, принцип работы УПД остаётся единым — точное регулирование, надёжность и энергоэффективность. Датчики давления и частотное управление обеспечивают стабильный напор без колебаний, а каскадная работа насосов с резервированием и самодиагностикой повышает надёжность. Благодаря оптимизации режимов система потребляет меньше энергии и продлевает срок службы оборудования.

Вывод

Установки повышения давления воды — это комплексные решения, сочетающие надёжность, энергоэффективность и автоматизацию. Они поддерживают стабильное давление, снижают эксплуатационные затраты и увеличивают срок службы насосного оборудования. Современная насосная УПД является инвестицией в эффективность и бесперебойную работу систем водоснабжения любого масштаба.