Добавить в корзинуПозвонить
Найти в Дзене
Старый радио любитель

Старые журналы. "Моделист конструктор" №10, 1977 год.

Статьи для радиолюбителей печатались не только в "Радио", но и в других научно-популярных журналах. В журнале "Моделист конструктор" (№10 за 1977 год) была напечатана статья "Меньше карманного", посвященная конструкции приемника прямого усиления на микросхеме К237ХА2. Эта серия была мне известна с начала 70-х потому, что на этой серии был собран приемник "Меридиан 201", который я купил себе в 1974 году. Эта микросхема представляла собой усилитель ПЧ,детектор АМ и АРУ. Причем АРУ хорошая: при изменении сигнала на входе в 60 раз на выходе сигнал меняется в 2 раза. Чувствительность на частоте 465 кГц около 20 мкВ. Конечно, для приемника прямого усиления самое то. Приемник хорош тем, что не требует налаживания и доступен даже для начинающего радиолюбителя. Особенно, если вместо трансформатора в нагрузке каскада УНЧ использовать наушники. Но, как говориться, есть варианты: в статье приведен бестрансформаторный двухтактный каскад УНЧ. На самом деле приемник все-таки карманный, о чем можно су

Статьи для радиолюбителей печатались не только в "Радио", но и в других научно-популярных журналах. В журнале "Моделист конструктор" (№10 за 1977 год) была напечатана статья "Меньше карманного", посвященная конструкции приемника прямого усиления на микросхеме К237ХА2. Эта серия была мне известна с начала 70-х потому, что на этой серии был собран приемник "Меридиан 201", который я купил себе в 1974 году.

Эта микросхема представляла собой усилитель ПЧ,детектор АМ и АРУ. Причем АРУ хорошая: при изменении сигнала на входе в 60 раз на выходе сигнал меняется в 2 раза. Чувствительность на частоте 465 кГц около 20 мкВ. Конечно, для приемника прямого усиления самое то.

Рис. 1. Из журнала "Моделист  конструктор" №10, 1977 год
Рис. 1. Из журнала "Моделист конструктор" №10, 1977 год

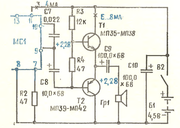
Приемник хорош тем, что не требует налаживания и доступен даже для начинающего радиолюбителя. Особенно, если вместо трансформатора в нагрузке каскада УНЧ использовать наушники. Но, как говориться, есть варианты: в статье приведен бестрансформаторный двухтактный каскад УНЧ.

Рис. 2. Из журнала "Моделист  конструктор" №10, 1977 год
Рис. 2. Из журнала "Моделист конструктор" №10, 1977 год

На самом деле приемник все-таки карманный, о чем можно судить по картинке на вкладке.

Рис. 3. Из журнала "Моделист  конструктор" №10, 1977 год
Рис. 3. Из журнала "Моделист конструктор" №10, 1977 год

Да и какому же ему быть, если питался он от плоской батарейки.

У меня есть парочка таких микросхем, поэтому непременно повторю этот радиоприемник, но с современным УНЧ. Интересно, что удастся услышать на средних волнах?

Всем здоровья и успехов!