Добавить в корзинуПозвонить
Найти в Дзене
Старые схемы...

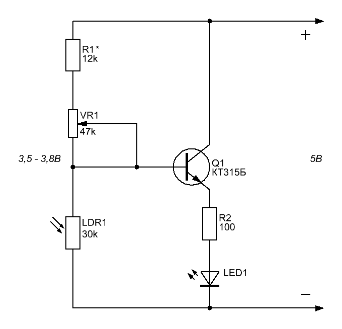
Простой фотодатчик.

Простой фотодатчик можно собрать на одном транзисторе. На рисунке показана схема фотодатчика. Работает схема следующим образом, при уменьшении освещенности увеличивается сопротивление фоторезистора, что приводит к увеличению напряжения на базе транзистора, в результате чего транзистор открывается. С помощью переменного резистора настраивается срабатывание фотодатчика при слабом освещении. На схеме указано напряжение на базе транзистора, при котором включен светодиод. Напряжение указано при использовании белого светодиода. Если светодиод не гаснет при ярком освещении, то необходимо увеличить сопротивление резистора R1. Для увеличения входного сопротивления каскада на транзисторе, нагрузка включена в цепь эмиттера транзистора. Такое включение светодиода облегчает закрытие транзистора. У схемы нет четкого порога срабатывания, при плавном уменьшении освещения, яркость светодиода будет плавно увеличиваться. Но если в помещении выключить свет, то светодиод загорится сразу. Схему можно испол
Фото 1.
Фото 1.

Простой фотодатчик можно собрать на одном транзисторе.

Рисунок 1.
Рисунок 1.

На рисунке показана схема фотодатчика. Работает схема следующим образом, при уменьшении освещенности увеличивается сопротивление фоторезистора, что приводит к увеличению напряжения на базе транзистора, в результате чего транзистор открывается. С помощью переменного резистора настраивается срабатывание фотодатчика при слабом освещении. На схеме указано напряжение на базе транзистора, при котором включен светодиод. Напряжение указано при использовании белого светодиода. Если светодиод не гаснет при ярком освещении, то необходимо увеличить сопротивление резистора R1. Для увеличения входного сопротивления каскада на транзисторе, нагрузка включена в цепь эмиттера транзистора. Такое включение светодиода облегчает закрытие транзистора.

У схемы нет четкого порога срабатывания, при плавном уменьшении освещения, яркость светодиода будет плавно увеличиваться. Но если в помещении выключить свет, то светодиод загорится сразу. Схему можно использовать для автоматического включения ночника при выключении освещения.

Вместо транзистора КТ315Б, подойдет КТ315Г, КТ312В, КТ503 с любой буквой, КТ3102А, S8050, S9013, 2N2222A.