Добавить в корзинуПозвонить
Найти в Дзене
Илья 'Nem0' Стельмах

LC-резонансный ИИП на базе IRS27952 (совместимый с CDPA2092)

В этой статье будет показан один из возможных вариантов реализации полностью совместимого источника питания для усилителя мощности CDPA2092. Источник питания, представленный в данной статье, построен на базе микросхемы IRS27952. Это не первая разработка автора с использованием этой микросхемы - несколько лет назад была опубликована статья, посвящённая LLC-резонансному источнику питания на её основе. В этот раз речь пойдет об LC-резонансной топологии, которая отличается по принципу работы и конструкции. Важно не путать LC и LLC - несмотря на схожесть названий, это разные типы резонансных преобразователей. LC-резонансный источник питания - это разновидность импульсного преобразователя, в основе которого лежит резонансный контур, состоящий из индуктивности (L) и емкости (C), что позволяет эффективно преобразовывать энергию, значительно снижая потери при переключении силовых ключей и тем самым повышая общий КПД устройства. Резонансные источники питания обладают рядом ключевых преимуществ,

В этой статье будет показан один из возможных вариантов реализации полностью совместимого источника питания для усилителя мощности CDPA2092.

Внешний вид собранного источника питания 27952LC.00
Внешний вид собранного источника питания 27952LC.00

Источник питания, представленный в данной статье, построен на базе микросхемы IRS27952. Это не первая разработка автора с использованием этой микросхемы - несколько лет назад была опубликована статья, посвящённая LLC-резонансному источнику питания на её основе. В этот раз речь пойдет об LC-резонансной топологии, которая отличается по принципу работы и конструкции. Важно не путать LC и LLC - несмотря на схожесть названий, это разные типы резонансных преобразователей.

LC-резонансный источник питания - это разновидность импульсного преобразователя, в основе которого лежит резонансный контур, состоящий из индуктивности (L) и емкости (C), что позволяет эффективно преобразовывать энергию, значительно снижая потери при переключении силовых ключей и тем самым повышая общий КПД устройства.

Резонансные источники питания обладают рядом ключевых преимуществ, делающих их особенно привлекательными. Они обеспечивают мягкое переключение силовых ключей при нулевом напряжении (zero voltage switching - ZVS), что значительно снижает тепловые потери и повышает КПД. Работа преобразователя на высоких частотах позволяет уменьшить габариты трансформатора и фильтрующих элементов, обеспечивая компактность и лёгкость конструкции. Кроме того, такие преобразователи характеризуются низким уровнем электромагнитных помех и высокой надёжностью.

Источник питания описанный в статье разработан специально для совместной работы с усилителем мощности CDPA2092. Он оснащён всеми необходимыми питающими шинами, обеспечивающими полноценную и эффективную работу усилителя. Кроме того, он поддерживает функцию аварийного отключения по сигналу от усилителя в случае появления постоянного напряжения на его выходе. Также источник питания оснащён токовой защитой от короткого замыкания в нагрузке, основанная на контроле падения напряжения на сопротивлении Rdson нижнего ключевого транзистора. Предусмотрен софт-старт, обеспечивающий ограничение пускового тока и плавную зарядку конденсаторов на вторичной стороне источника питания.

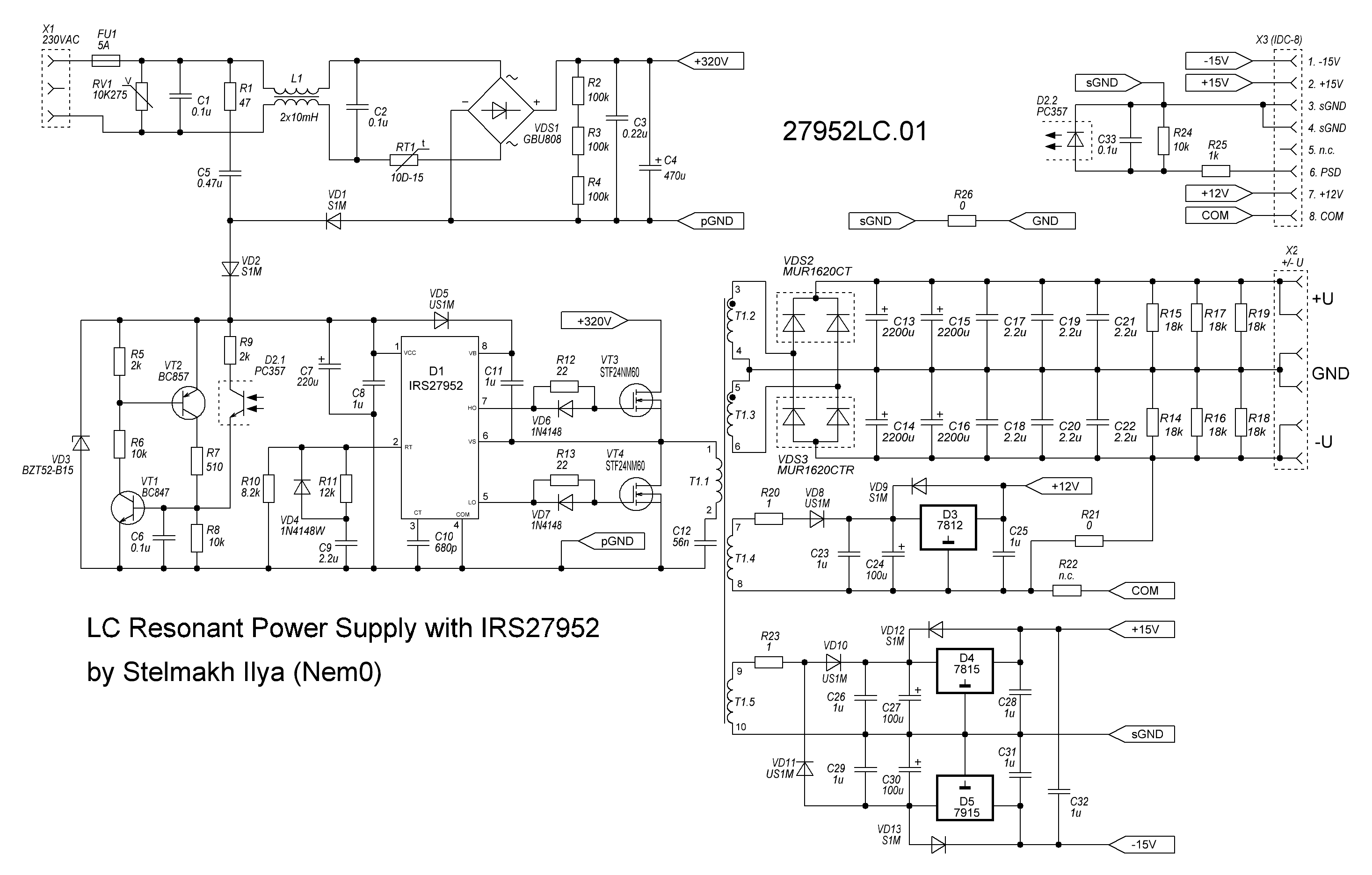
Схема источника питания 27952LC.01:

Принципиальная электрическая схема источника питания 27952LC.01
Принципиальная электрическая схема источника питания 27952LC.01

Рассмотрим схему источника питания подробно. Сетевое напряжение 230 В поступает на вход схемы через разъем X1, за ним следует предохранитель FU1, а после - входной фильтр, состоящий из элементов RV1, C1, L1, и C2. Сразу за фильтром расположен термистор RT1, который предназначен для ограничения пускового тока. Далее по схеме расположен диодный мост VDS1 и пара сглаживающих конденсаторов первичной стороны источника питания C3 и C4. Параллельно этим конденсаторам включена цепочка резисторов R2-R4, предназначенная для их разрядки после отключения входного напряжения.

Полумостовой преобразователь источника питания управляется микросхемой D1, которая запитана от сети 230 В, через гасящий конденсатор C5 и выпрямитель, построенный на диодах VD1 и VD2. Конденсаторы C7 и C8 сглаживают пульсации питания микросхемы. Резистор R1 перед гасящим конденсатором C5, выполняет функцию предохранителя на случай нештатных ситуаций. Стабилитрон VD3 ограничивает величину питающего напряжения микросхемы.

Схема включения IRS27952 - стандартная. Диод VD5 и конденсатор C11 - элементы бутстрепного питания драйвера верхнего уровня. В цепь управления затвором верхнего ключевого транзистора VT3 входят элементы - R12 и VD6, а в цепь управления нижним ключевым транзистором VT4 элементы - R13 и VD7.

Емкость конденсатора C10, подключенного к третьему выводу микросхемы D1, задает продолжительность мертвого-времени. Ко второму выводу IRS27952 подключены элементы, задающие значения рабочей частоты - R10, и частоты софт-старта - R11. Диод VD4 предназначен для разрядки конденсатора C9 после отключения питания, емкость которого определяет продолжительность работы источника питания в режиме софт-старта.

Параллельно цепи питания микросхемы подключен дискретный триггер, собранный на элементах VT1, VT2, R5-R8 и C6. При поступлении управляющего напряжения на его вход - через открывшийся транзистор оптопары D2 и резистор R9 - триггер замыкает питание микросхемы D1 на себя, тем самым отключая устройство.

К выходу преобразователя, через резонансный конденсатор C12 (который может состоять из нескольких параллельно включенных конденсаторов, для чего на печатной плате предусмотрены посадочные места), подключен силовой трансформатор, имеющий в своем составе одну первичную обмотку T1.1 и четыре вторичные обмотки T1.2-T1.4.

Вторичные обмотки T1.2 и T1.3 являются основными источниками питания выходного каскада усилителя мощности. Переменное напряжение, снимаемое с этих обмоток, выпрямляется с помощью двух диодных сборок VDS2 и VDS3, после чего сглаживается батареей конденсаторов C13-C22. Для обеспечения разрядки конденсаторов после отключения питания параллельно им подключены резисторы R14-R19, номиналы которых подбираются исходя из требуемого значения выходного напряжения на основных шинах. Выпрямленное и сглаженное двухполярное постоянное напряжение поступает на разъем X2.

Переменное напряжение со вторичной обмотки T1.4, через резистор R20 (выполняющий роль предохранителя), выпрямляется диодом VD8, сглаживается конденсаторами C23 и C24, после чего поступает на вход микросхемы-стабилизатора напряжения D3, на выходе которой формируется напряжение +12 В (относительно минуса основного питающего напряжения -U), для питания микросхемы IRS2092 в усилителе. Напряжение +12 В поступает на соответствующий вывод разъема X3. Диод VD9 выполняет защитную функцию для микросхемы D3. Установкой одной из перемычек R21 или R22, происходит выбор способа коммутация минуса питания для IRS2092: он либо соединяется напрямую с основным минусом в источнике питания (для версий усилителя CDPA2092.00, CDPA2092.01 и CDPA2092.02), либо подается по отдельному проводу в усилитель мощности через соответствующий вывод разъема X3 (для версии CDPA2092.03).

Вторичная обмотка T1.5 служит для формирования двухполярного напряжения +/- 15 В, предназначенного для питания слаботочных цепей усилителя CDPA2092. Переменное напряжение с этой обмотки, через резистор R23, выпрямляется при помощи диодов VD10 и VD11, после чего разделяется на две ветви: положительную и отрицательную, соответственно. Каждая из ветвей имеет в своем составе по паре сглаживающих конденсаторов C26 и C27, C29 и C30, включенных до микросхем-стабилизаторов D4 и D5, соответственно. Каждая из микросхем оснащена собственным защитным диодом: VD12 для D4, VD13 для D5. На выходе каждого из стабилизаторов расположено по одному сглаживающему конденсатору C28 и C31, для положительной и отрицательной питающих шин, соответственно. Также присутствует конденсатор C32, который включен между положительной и отрицательной шинами. С выходов стабилизаторов, сформированные напряжения +15 В и -15 В поступают на соответствующие им выводы разъема X3. Слаботочная земля sGND соединяется с соответствующими выводами разъема X3, а также, при необходимости, через перемычку R26, соединяется в основной землей источника питания GND.

Разъем X3 служит для подачи на плату усилителя мощности CDPA2092 всех необходимых напряжений питания, а также для передачи на плату источника питания сигнала об аварии в усилителе, который поступает через резистор R25 на светодиод оптопары D2, свечение которого приводит к отключения источника питания. Для предотвращения ложных срабатываний используются резистор R24 и конденсатор C33, включенные параллельно светодиоду оптопары.

Еще раз обращаю внимание на то, что распиновка разъема X3 отличается для различных версий усилителя CDPA2092: при использовании данного источника питания с усилителем, собранном на платах версий 00, 01 и 02, необходимо установить резистор-перемычку в позицию R21, а при использовании с усилителем, собранном на плате версии 03, необходимо установить резистор-перемычку в позицию R22.

Собранный источник питания 27952LC.00 со стороны дорожек
Собранный источник питания 27952LC.00 со стороны дорожек

Методика расчета и сборки источника питания на примере авторского варианта. Показанная выше схема соответствует авторскому варианту источнику питания, который был рассчитан под авторские исходные данные: номинальная выходная мощность 300 Вт, выходное напряжение под номинальной нагрузкой +/- 52 В, рабочая частота 65 кГц (в ходе экспериментов увеличена до 85 кГц).

В результате расчетов были получены следующие данные для намотки силового трансформатора:

Расчетные данные из авторского калькулятора
Расчетные данные из авторского калькулятора

Фактически число витков обмоток трансформатора:

Число витков первичной обмотки T1.1 - 35 витков;
Число витков основных вторичных обмоток T1.2 и T1.3 - 2х11 витков;
Число витков обмотки T1.4 - 5 витков;
Число витков обмотки T1.5 - 6 витков;

Трансформатор для авторского варианта источника питания изготовлен на базе Epcos ETD39. Каркас трансформатора разделен на две равные секции при помощи пластиковой вставки шириной 1 мм, что необходимо для увеличения индуктивности рассеивания первичной обмотки трансформатора.

Каркас трансформатора ETD39, разделенный на две секции и установленный на плату для примерки
Каркас трансформатора ETD39, разделенный на две секции и установленный на плату для примерки

Обмотки T1.1, T1.2 и T1.3 намотаны литцендратом 0,1х80 (80 жил по 0,1 мм). Намотка основных обмоток литцендратом является важным условием эффективной работы резонансного источника питания. Остальные обмотки (T1.4 и T1.5), намотаны проводом МГТФ небольшого сечения. Марка обмоточного провода для этих обмоток не является критичным моментом, так как, потребление тока от этих обмоток очень мало, соответственно - потери тоже малы, при любой используемой марке провода.

Каркас трансформатора с намотанными обмотками
Каркас трансформатора с намотанными обмотками

В магнитопровод трансформатора введен немагнитный зазор, путем приклеивания по одному слою лавсановой ленты (толщиной 0,05 мм), на все прилегающие поверхности магнитопровода. Наличие немагнитного зазора в магнитопроводе силового трансформатора источника питания, работающего в резонансном режиме, является необходимым условием для обеспечения мягкой коммутации ключевых транзисторов в широком диапазоне выходных мощностей.

Половины магнитопровода с наклеенной лавсановой лентой на прилегающие поверхности
Половины магнитопровода с наклеенной лавсановой лентой на прилегающие поверхности

Когда трансформатор изготовлен, необходимо измерять получившееся значение индуктивности рассеивания его первичной обмотки - Ls. Измерение производится при замыкании выводов всех вторичных обмоток. Получившееся значение индуктивности рассеивания первичной обмотки в авторском трансформаторе: Ls = 78 мкГн.

Затем, необходимо измерять полную индуктивность первичной обмотки - Lp, которая измеряется при разомкнутых выводах вторичных обмоток, после чего, вычислит индуктивность намагничивания первичной обмотки - Lm. Измеренное значение полной индуктивности первичной обмотки в авторском трансформаторе - Lp = 825 мкГн, тогда индуктивность намагничивания: Lm = Lp - Ls =830 - 78 = 752 мкГн.

Одним из ключевых условий правильной работы LC-резонансного источника питания является то, что индуктивность намагничивания должна превышать индуктивность рассеивания как минимум в 8–10 раз (Lm/Ls > 8...10), чтобы индуктивность намагничивания не оказывала слишком значительного влияния на передаточную характеристику резонансного контура. В авторском трансформаторе это условие выполняется. В случае, когда превышение индуктивности намагничивания над индуктивностью рассеивания составляет менее чем в 8 раз, необходимо уменьшить величину немагнитного зазора в магнитопроводе трансформатора.

Cлишком большое превышение индуктивности намагничивания по сравнению с индуктивностью рассеивания (более чем в 20–50 раз), также может негативно сказаться на работе LC-резонансного преобразователя. Именно поэтому в силовом трансформаторе необходимо применять секционную намотку: без этого, скорее всего, не удастся обеспечить оптимальное соотношение индуктивности намагничивания (Lm), к индуктивности рассеивания (Ls), при приемлемом значении Lm. Слишком низкое значение индуктивности намагничивания может привести к значительному нагреву силового трансформатора даже без нагрузки и насыщению магнитопровода при высоких токах.

Трансформатор без магнитопровода
Трансформатор без магнитопровода

После того как трансформатор готов и стала известна индуктивность рассеивания его первичной обмотки, рассчитывается емкость резонансного конденсатора C12, таким образом, чтобы резонансная частота получившегося резонансного контура, была на 10-20% ниже, чем рабочая частота преобразователя. В авторском варианте рабочая частота выбрана равной 85 кГц. Тогда, резонансная частота контура должна находиться в диапазоне 68-78 кГц, что обеспечивается установкой конденсатора C12 с емкостью 56-60 нФ (в авторском варианте используется параллельное соединение двух конденсаторов - 10 нФ и 47 нФ).

Расчет емкости резонансного конденсатора с помощью авторского калькулятора
Расчет емкости резонансного конденсатора с помощью авторского калькулятора

Следующим шагом выбирается продолжительность мертвого-времени, соответствующая ему емкость конденсатора С10, а также номиналы резисторов R10 и R11, задающие рабочую частоту и частоту софт-старта.

Расчет номиналов C10, R10, R11, исходя из продолжительности мертвого времени
Расчет номиналов C10, R10, R11, исходя из продолжительности мертвого времени

Подбор оптимальной продолжительности мертвого времени стоит начать со значения 1 мкс (что соответствует емкости конденсатора С10 равной 1000 пФ), после чего, экспериментируя в железе, необходимо найти оптимальную продолжительность мертвого времени, с тем расчетом, чтобы без нагрузки, при сохранении ZVS, продолжительность паузы была минимальной.

Выбор правильной продолжительности мертвого времени
Выбор правильной продолжительности мертвого времени

Синяя кривая - напряжение на стоке нижнего ключевого транзистора, зеленая кривая - напряжение на затворе нижнего ключевого транзистора.

В реальном источнике питания это выглядят следующим образом:

Графики коммутации ключевых транзисторов в различных значениях мертвого времени
Графики коммутации ключевых транзисторов в различных значениях мертвого времени

Желтый луч - напряжение стоке нижнего ключевого транзистора, синий луч - напряжение на затворе нижнего ключевого транзистора.

В первом случае продолжительность мертвого времени недостаточна, так как, на графике четко видна полка Миллера и ZVS отсутствует. Во втором случае продолжительность мертвого времени немного больше, чем было бы необходимо (идеальной была бы продолжительность мертвого времени порядка 500 нс), но ZVS уже имеет место. Однако, автор решил остановится на значении 620 нс, что соответствует емкости конденсатора C10 = 680 пФ.

Важное замечание. Мёртвое время подбирается именно при отсутствии нагрузки или при минимально возможной нагрузке на выходе источника питания. Это связано с тем, что чем меньше нагрузка на выходе источника питания - тем ниже ток в первичной обмотке трансформатора и тем медленнее разряжаются паразитные ёмкости ключевых транзисторов.

Продолжительность паузы при различных значениях выходной мощности
Продолжительность паузы при различных значениях выходной мощности

Можно видеть, что по мере увеличения нагрузки на выходе и возрастания тока в первичной обмотке трансформатора, напряжения на стоке транзистора спадает все быстрей, что приводит к увеличению паузы перед его включением, при одинаковом значении мертвого-времени. Это немного снижает эффективность работы источника питания и является платой за мягкое переключение во всём диапазоне выходных мощностей. Для устранения данного недостатка следовало бы использовать микросхему с адаптивным мертвым временем, но об этом в другой раз.

Работа источника питания. Далее будут показаны некоторые осциллограммы снятые в процессе работы авторского варианта источника питания при различных величинах нагрузки на его выходе.

Холостой ход (работа без нагрузки):

Форма напряжения на первичной обмотке силового трансформатора при работе без нагрузки
Форма напряжения на первичной обмотке силового трансформатора при работе без нагрузки
Пульсации напряжения на выходе одного из плеч основной питающей шины источника питания при работе без нагрузки
Пульсации напряжения на выходе одного из плеч основной питающей шины источника питания при работе без нагрузки

Выходное напряжение основных шин на холостом ходу - +/- 58 В;
Среднеквадратическое значение пульсаций выходного напряжения - 46 мВ;
Амплитуда пульсаций - +/- 100 мВ.

Без нагрузки источник питания работает стабильно и сколько угодно долго, при этом выходное напряжение со временем не увеличивается, элементы источника питания не греются.

Работа при малой нагрузке (34 Вт):

Форма напряжения на первичной обмотке силового трансформатора, выходная мощность 34 Вт
Форма напряжения на первичной обмотке силового трансформатора, выходная мощность 34 Вт
Пульсации напряжения на выходе одного из плеч основной питающей шины источника питания, выходная мощность 34 Вт
Пульсации напряжения на выходе одного из плеч основной питающей шины источника питания, выходная мощность 34 Вт

Выходное напряжение основных шин при нагрузке 34 Вт - +/- 56,5 В;
Среднеквадратическое значение пульсаций выходного напряжения - 51 мВ;
Амплитуда пульсаций - +/- 100 мВ.

Работа при номинальной выходной мощности:

Форма напряжения на первичной обмотке силового трансформатора при номинальной выходной мощности
Форма напряжения на первичной обмотке силового трансформатора при номинальной выходной мощности
Пульсации напряжения на выходе одного из плеч основной питающей шины источника питания при номинальной выходной мощности
Пульсации напряжения на выходе одного из плеч основной питающей шины источника питания при номинальной выходной мощности

Выходное напряжение основных шин при номинальной нагрузке - +/- 52 В;
Среднеквадратическое значение пульсаций выходного напряжения - 290 мВ;
Амплитуда пульсаций - +/- 500 мВ.

При номинальной нагрузке имеет место умеренный нагрев основного радиатора, обмоток силового трансформатора, а также термистора на входе источника питания и диодного моста.

Работа с усилителем мощности CDPA2092.03:

Усилитель мощности CDPA2092.03 работающий в паре с источником питания 27952LC.00
Усилитель мощности CDPA2092.03 работающий в паре с источником питания 27952LC.00

Источник питания продемонстрировал уверенную работу в реальных условиях, при использовании его в связке с усилителем мощности CDPA2092. Работая от данного источника питания, усилитель смог развить мощность 285 Вт на нагрузке 4 Ом (до ограничения синусоидального сигнала на своем выходе), в этот момент напряжение на выходе источника составляло +/- 52 В.

Функция аварийного отключения. Как уже было отмечено, данный источник питания способен отключаться по сигналу от усилителя CDPA2092, при появлении постоянного напряжения на его выходе, чтобы защитить подключённую к нему акустическую систему. В этом разделе будет рассмотрен вопрос эффективности данной защиты, поскольку существует мнение о том, что наличие конденсаторов на вторичной стороне источника питания может представлять опасность для акустической системы даже после отключения источника питания.

Убедиться в эффективности защиты несложно - достаточно ознакомиться с осциллограммами, демонстрирующими, насколько быстро снижается выходное напряжение источника питания при поступлении аварийного сигнала:

Скорость спадания выходного напряжения при аварийном отключении источника питания
Скорость спадания выходного напряжения при аварийном отключении источника питания

Желтым лучом показано напряжение на входе защиты (вывод PSD разъема X3). Всплеск на желтой кривой соответствует моменту поступления сигнала об аварии и отключения источника питания. Синим лучом показано напряжение на выходе одного из плеч источника питания.

При нагрузке на выходе источника питания порядка 30 Вт, выходное напряжение снижается с номинального значения 52 В, до относительно безопасного уровня 10 В за 1,5 сек. При номинальной нагрузке 300 Вт, снижение выходного напряжения до того же уровня происходит значительно быстрее - всего за 0,15 сек. До нуля, выходное напряжение снижается за 2,5 и 0,3 сек, при нагрузке на выходе источника питания 30 и 300 Вт, соответственно.

Следует учитывать, что при реальной аварии в усилителе, например при пробое одного из выходных транзисторов, нагрузка усилителя - акустическая система, фактически подключается напрямую к выходу источника питания и становится уже его нагрузкой. При сопротивлении акустической системы 4 Ом, мощность, потребляемая от источника питания, составит приблизительно: 52^2/4 = 676 Вт (при выходном напряжении как в авторском варианте источника питания). В такой ситуации, напряжение на выходе источника питания будет снижаться гораздо быстрее, чем на осциллограммах, приведённых выше в качестве примеров.

Из всего выше изложенного можно сделать вывод, что данная защита является эффективной, поскольку она не позволяет опасному постоянному напряжению воздействовать на акустическую систему достаточно долго, чтобы вызвать её повреждение.

Печатная плата источника питания. Печатная плата создана в программе Sprint Layout 5. Плата односторонняя и имеет габариты 136х80 мм.

Печатная плата 27952LC.01 в окне программы Sprint Layout 5
Печатная плата 27952LC.01 в окне программы Sprint Layout 5

Печатная плата была изготовлена автором методом ЛУТ:

Печатная плата изготовленная методом ЛУТ
Печатная плата изготовленная методом ЛУТ

Под статьёй размещён архив с Gerber-файлами, предназначенными для заказа изготовления печатной платы на заводе и Lay-файл для самостоятельного изготовления платы, а также калькулятор для расчета источника питания.

Благодарности. Вместо традиционного перечисления имен, в этот раз благодарности адресованы не человеку, а цифровому разуму, который помог в подготовке данной работы. В процессе разработки LC-резонансного импульсного источника питания ИИ оказал существенную помощь в проведении расчетов, предоставил рекомендации, способствовавшие уточнению технических решений, а также помог восполнить отдельные пробелы в теоретических знаниях. Кроме того, его участие оказалось полезным и на этапе написания статьи, где он содействовал в изложении мыслей и оформлении статьи.

Спасибо за внимание!

Перечень используемых элементов:

-24
-25
-26

Ссылки:
Место первой публикации - сайт "Паяльник" -
https://cxem.net/pitanie/5-432.php

Файлы:
Lay-файл печатной платы 27952LC.01 -
https://disk.yandex.by/d/l3sG2nU4TooxXA

Гербер-файлы печатной платы 27952LC.01 - https://disk.yandex.by/d/uJCQpv72mz7_RA

Калькулятор 27952LC.01 Calc Lite (2025) для расчета источника питания -
https://disk.yandex.by/i/1k-AshlS28D2dA

Дата первой публикации: 5 ноября 2025
Дата изменения: 2 марта 2025