Найти в Дзене
СПОРТ-АКТИВ

От тефлона до куртки: случайное открытие. Дышит, но не промокает. Как это вообще возможно?

Все мы видели на одежде и обуви отметки Gore-Tex. Вот, как на картинке ниже. Давайте сегодня поговорим, что это такое и кто это все придумал. Своего рода ликбез. Gore-Tex — это высокотехнологичная мембрана, которая надежно защищает от дождя и ветра, но при этом позволяет телу «дышать», отводя пот наружу. Её история началась с случайного открытия, а сегодня это одна из самых авторитетных технологий во всем мире не только для outdoor-экипировки, но и для массы вещей для активного отдыха. История случайного открытия История компании WL Gore & Associates — это пример того, как настойчивость и случайность могут привести к великому изобретению, которое изменило мир. От кабелей к текстилю: в 1958 году в г. Ньюарк (штат Делавэр, США) Уилберт (Билл) Гор (Wilbert L. Gore) и его жена Женевьева (Genevieve Gore) основали компанию WL Gore & Associates (а это - небольшое производство в подвале своего дома). Пока в 1969 году не произошел прорыв, который дал огромный толчок в развитии компании. Ра

Все мы видели на одежде и обуви отметки Gore-Tex. Вот, как на картинке ниже.

От тефлона до куртки: случайное открытие. Дышит, но не промокает. Как это вообще возможно? Источник фотографии: gore-tex.com. 2006 год выпущено первое поколение GORE-TEX PRO.
От тефлона до куртки: случайное открытие. Дышит, но не промокает. Как это вообще возможно? Источник фотографии: gore-tex.com. 2006 год выпущено первое поколение GORE-TEX PRO.

Давайте сегодня поговорим, что это такое и кто это все придумал.

Своего рода ликбез. Gore-Tex — это высокотехнологичная мембрана, которая надежно защищает от дождя и ветра, но при этом позволяет телу «дышать», отводя пот наружу. Её история началась с случайного открытия, а сегодня это одна из самых авторитетных технологий во всем мире не только для outdoor-экипировки, но и для массы вещей для активного отдыха.

От тефлона до куртки: случайное открытие. Дышит, но не промокает. Как это вообще возможно? Источник фотографии: gore-tex.com
От тефлона до куртки: случайное открытие. Дышит, но не промокает. Как это вообще возможно? Источник фотографии: gore-tex.com
От тефлона до куртки: случайное открытие. Дышит, но не промокает. Как это вообще возможно? Источник фотографии: gore-tex.com
От тефлона до куртки: случайное открытие. Дышит, но не промокает. Как это вообще возможно? Источник фотографии: gore-tex.com

История случайного открытия

История компании WL Gore & Associates — это пример того, как настойчивость и случайность могут привести к великому изобретению, которое изменило мир.

От кабелей к текстилю: в 1958 году в г. Ньюарк (штат Делавэр, США) Уилберт (Билл) Гор (Wilbert L. Gore) и его жена Женевьева (Genevieve Gore) основали компанию WL Gore & Associates (а это - небольшое производство в подвале своего дома). Пока в 1969 году не произошел прорыв, который дал огромный толчок в развитии компании. Разработки компании WL Gore & Associates сейчас находят применение в автоматизации, переработке сырья, энергетическом секторе. Например, гидравлические насосы, тепловые генераторы, системы контроля качества, компрессоры. Компания создаёт водоотталкивающую и дышащую ткань GORE-TEX, а также специальную защитную одежду для военных, пожарных, полицейских и рабочих. Gore поставляет кабели для различных устройств, например, для космических спутников и беспилотников. В медицине - производство имплантов. Биоматериалы и мембраны для фильтрации и вентиляции для реанимации. Архитектурная ткань компании Gore используется в новой раздвижной крыше над центральным кортом на Уимблдонском тенистом турнире в Лондоне в 2009 году.

1979 год выпуск уплотнительных машин Gore-Seam и ленты Gore-Seam. От тефлона до куртки: случайное открытие. Дышит, но не промокает. Как это вообще возможно? Источник фотографии: gore-tex.com
1979 год выпуск уплотнительных машин Gore-Seam и ленты Gore-Seam. От тефлона до куртки: случайное открытие. Дышит, но не промокает. Как это вообще возможно? Источник фотографии: gore-tex.com
1981 - скафандры, изготовленные из волокон Gore-Tex, которые использовались в первой миссии челнока NASA. От тефлона до куртки: случайное открытие. Дышит, но не промокает. Как это вообще возможно? Источник фотографии: gore-tex.com
1981 - скафандры, изготовленные из волокон Gore-Tex, которые использовались в первой миссии челнока NASA. От тефлона до куртки: случайное открытие. Дышит, но не промокает. Как это вообще возможно? Источник фотографии: gore-tex.com

Счастливый рывок: в 1969 году сын основателей, Боб Гор, экспериментировал с растяжением нагретых тефлоновых стержней. После череды неудач он в сердцах резко дёрнул стержень — и тот неожиданно растянулся на 800%. Так был получен расширенный ПТФЭ (ePTFE) — микропористый материал, лёгкий и невероятно прочный. А в 1970 году компания получает патент на изобретение и начинает производить свои первые изделия. В 1976 году поступил первый коммерческий заказ от NASA.

1969 Боб Гор открывает возможности расширенного  ПТФЭ и представляет миру революционную мембрану Gore-Tex. От тефлона до куртки: случайное открытие. Дышит, но не промокает. Как это вообще возможно? Источник фотографии: gore-tex.com
1969 Боб Гор открывает возможности расширенного ПТФЭ и представляет миру революционную мембрану Gore-Tex. От тефлона до куртки: случайное открытие. Дышит, но не промокает. Как это вообще возможно? Источник фотографии: gore-tex.com

От фильтров к одежде: изначально ePTFE использовали в промышленных фильтрах. Затем обнаружили ключевое свойство: материал свободно пропускал водяной пар, но задерживал жидкую воду. В 1976 году была представлена первая в мире палатка из материала Gore-Tex, а в 1977-м — первые куртки.

1989 год Gore-Tex первый слоган GUARANTEED TO KEEP YUO DRY (ГАРАНТИЯ СУХОСТИ) От тефлона до куртки: случайное открытие. Дышит, но не промокает. Как это вообще возможно? Источник фотографии: gore-tex.com
1989 год Gore-Tex первый слоган GUARANTEED TO KEEP YUO DRY (ГАРАНТИЯ СУХОСТИ) От тефлона до куртки: случайное открытие. Дышит, но не промокает. Как это вообще возможно? Источник фотографии: gore-tex.com

Главное преимущество: как это работает

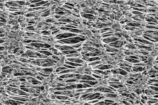
Секрет Gore-Tex в уникальной микропористой структуре ePTFE.

Молекулы и капли: на одном квадратном сантиметре мембраны расположено более 1,4 миллиарда пор. Каждая пора в 20 000 раз меньше капли воды, поэтому влага снаружи не может просочиться внутрь.

В то же время пора в 700 раз больше молекулы водяного пара, поэтому пот в виде пара легко выводится наружу.

Защита от ветра: густая сетчатая структура мембраны поглощает потоки воздуха, обеспечивая полную ветрозащиту.

1991 год выпуск первых изделий с технологией WINDSTOPPER. От тефлона до куртки: случайное открытие. Дышит, но не промокает. Как это вообще возможно? Источник фотографии: gore-tex.com
1991 год выпуск первых изделий с технологией WINDSTOPPER. От тефлона до куртки: случайное открытие. Дышит, но не промокает. Как это вообще возможно? Источник фотографии: gore-tex.com

Гарантия: компания Gore настолько уверена в своей продукции, что дает гарантию «Guaranteed To Keep You Dry™» («Гарантируем, что вы останетесь сухими»).

От тефлона до куртки: случайное открытие. Дышит, но не промокает. Как это вообще возможно? Источник фотографии: gore-tex.com
От тефлона до куртки: случайное открытие. Дышит, но не промокает. Как это вообще возможно? Источник фотографии: gore-tex.com

Области применения

Технология компании WL Gore & Associates в производстве мембранных материалов Gore-Tex вышла в лидеры, которые используются для изготовления одежды и обуви для альпинизма, бега и активного отдыха.

Одежда - куртки, брюки, парки для туризма, альпинизма, горнолыжного спорта, бега и повседневной носки.

Обувь - треккинговые и горные ботинки, беговая обувь, городская обувь, обеспечивающие сухость стоп.

2017 год внедрение технологии Gore-Tex для обуви. От тефлона до куртки: случайное открытие. Дышит, но не промокает. Как это вообще возможно? Источник фотографии: gore-tex.com
2017 год внедрение технологии Gore-Tex для обуви. От тефлона до куртки: случайное открытие. Дышит, но не промокает. Как это вообще возможно? Источник фотографии: gore-tex.com
От тефлона до куртки: случайное открытие. Дышит, но не промокает. Как это вообще возможно? Источник фотографии: gore-tex.com
От тефлона до куртки: случайное открытие. Дышит, но не промокает. Как это вообще возможно? Источник фотографии: gore-tex.com

Аксессуары - перчатки, шапки, гетры, защищающие от непогоды конечности.

От тефлона до куртки: случайное открытие. Дышит, но не промокает. Как это вообще возможно? Источник фотографии: gore-tex.com
От тефлона до куртки: случайное открытие. Дышит, но не промокает. Как это вообще возможно? Источник фотографии: gore-tex.com

Снаряжение - палатки и рюкзаки, в которых не скапливается конденсат.

Отличие от конкурентов

Gore-Tex выделяется на рынке не только своей историей, но и комплексным подходом.

Комбинированная мембрана: в отличие от многих аналогов, большинство продуктов Gore-Tex сегодня — это комбинированные мембраны. Слой ePTFE защищён тонкой полиуретановой плёнкой, что повышает долговечность и защиту от загрязнений.

Жёсткий контроль качества: Gore не производит готовую одежду, а поставляет тканевые ламинаты партнёрам (The North Face, Arc'teryx, Salomon и др.) и строго контролирует каждый этап — от ткани до фурнитуры и клея для швов. Каждое готовое изделие тестируется в дождевых камерах и полевых условиях.

Экосистема технологий: бренд предлагает не одну мембрану, а целое семейство технологий, адаптированных для разных задач:

Gore-Tex Pro: Максимальная износостойкость и защита для альпинизма и экспедиций.

Gore-Tex Active: Максимальная "дышимость" и лёгкость для бега и высоких нагрузок.

Gore-Tex (классический): Универсальный баланс характеристик для туризма и города.

Технология Gore-Tex — продуманная до мелочей инженерная система. Она гарантированно подарит вам главное — сухость и комфорт. Это тот случай, когда за проверенным именем стоят десятилетия инноваций и реальная уверенность в том, что непогода вас не остановит.

От тефлона до куртки: случайное открытие. Дышит, но не промокает. Как это вообще возможно? Источник фотографии: gore-tex.com
От тефлона до куртки: случайное открытие. Дышит, но не промокает. Как это вообще возможно? Источник фотографии: gore-tex.com

"Я до сих пор восхищаюсь теми переменами, которые он создал. Изобретение GORE-TEX изменило то, как люди воспринимают одежду. Это знаменует собой момент, когда бренды и потребители начали говорить о технологиях и одежде в одном контексте. Это похоже на то, что произошло с персональными компьютерами. Внезапно технологии космической эры, которые вы ассоциируете с НАСА, стали доступны каждому."

Крис Харджес