Найти в Дзене
PRACTICAL ELECTRONICS

Релейная защита громкоговорителей от постоянного напряжения

Публикация посвящена одной из самых простых релейных схем защиты громкоговорителей (АС) от постоянного напряжения на выходе УМЗЧ, в следствие его поломки. Узел защиты и предназначен для использования в усилителях с двухполярным питанием. Входное напряжение срабатывания, В – ±5,4…6,6;
Время задержки срабатывания, сек. – 2;
Время задержки включения громкоговорителя, сек. – 1,5...2
Входное сопротивление, кОм – 22;
Напряжение питании, В – ±24
Потребляемый ток, мА не более – 50. Для медленно изменяющихся синфазных входных сигналов (с периодом более 1 с) пороговая чувствительность устройства вдвое выше, что также является полезным для защиты нагрузки. Если инфранизкочастотные колебания, включившие узел зашиты, пропадут, то выход УМЗЧ подключится к АС автоматически. Из особенностей схемы стоит отметить отключение обоих выходов УМЗЧ при повреждении хотя бы одного канала. Схема состоит из двух транзисторных ключей, входы которых включены в диагональ резисторного моста. Их срабатывание происх
Оглавление

Публикация посвящена одной из самых простых релейных схем защиты громкоговорителей (АС) от постоянного напряжения на выходе УМЗЧ, в следствие его поломки. Узел защиты и предназначен для использования в усилителях с двухполярным питанием.

Параметры узла защиты:

Входное напряжение срабатывания, В – ±5,4…6,6;
Время задержки срабатывания, сек. – 2;
Время задержки включения громкоговорителя, сек. – 1,5...2
Входное сопротивление, кОм – 22;
Напряжение питании, В – ±24
Потребляемый ток, мА не более – 50.

Для медленно изменяющихся синфазных входных сигналов (с периодом более 1 с) пороговая чувствительность устройства вдвое выше, что также является полезным для защиты нагрузки.

Если инфранизкочастотные колебания, включившие узел зашиты, пропадут, то выход УМЗЧ подключится к АС автоматически.

Из особенностей схемы стоит отметить отключение обоих выходов УМЗЧ при повреждении хотя бы одного канала.

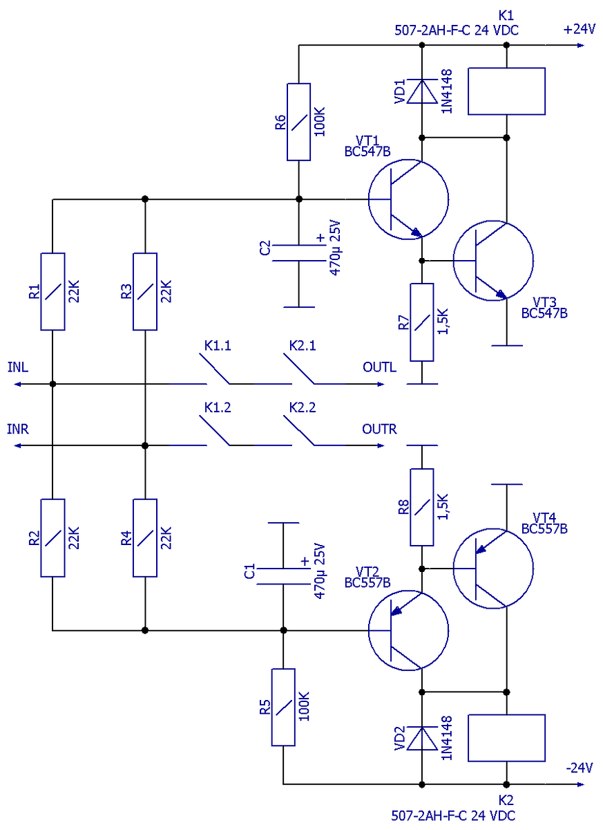
Схема состоит из двух транзисторных ключей, входы которых включены в диагональ резисторного моста. Их срабатывание происходит при входном напряжении 5,4…6,6 В, причём один чувствителен к входному напряжению отрицательной полярности, а другой положительной.

Схема электрическая

Схема электрическая принципиальная релейной защиты громкоговорителей от постоянного напряжения
Схема электрическая принципиальная релейной защиты громкоговорителей от постоянного напряжения

Принцип работы защиты

После подачи питания питания конденсатор C2 начинает заряжаться через резистор R6, и пока напряжение на нем недостаточно чтобы открыть транзисторные ключи VT1 и VT3, электромагнитное реле К1 обесточено, контакты его разомкнуты, нагрузка отключена от усилителя.

По мере увеличении напряжения на конденсаторе С2 транзисторы VT1, VT3 отпираются (примерно через 2 с) и реле включается, подключая выход УМЗЧ к АС.

Аналогичный процесс происходит в другом пороговом устройстве (VT2, VT4, К2).

В этом состоянии схема защиты остается до выключения питания или до возникновения аварийной ситуации, когда на одном из его входов появляется постоянное напряжение, превышающее 5,4 В.

В зависимости от его знака закрываются либо транзисторы одного ключа, либо другого, обесточивается соответствующее реле, и выходы УМЗЧ отключаются от АС.

Резисторы R1…R4 задают порог срабатывания и совместно с конденсаторами C1, С2 образуют ФНЧ, предотвращающий проникание на базы входных транзисторов переменного напряжения.

Налаживания правильно собранный узел не требует.

Чертёж печатной платы из одностороннего фольгированного стеклотекстолита показан ниже.

Печатная плата для схемы релейной защиты громкоговорителей от постоянного напряжения
Печатная плата для схемы релейной защиты громкоговорителей от постоянного напряжения