Добавить в корзинуПозвонить
Найти в Дзене
Электронный досуг

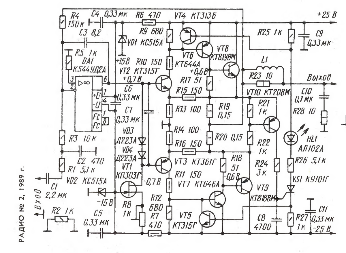
УМЗЧ класса супер-А Митрофанова.

Статья в журнале Радио 1986 N'6 стр. 40...43.
Это первое и , наверное и последнее описание УМЗЧ класса супер-А в журнале Радио. Статья посвящена попытке моделировать данный УМЗЧ в симуляторе Microcap.
Сначала о недостатках схемы. При срабатывании защитных транзисторов VT6, VT7 ток через транзисторы VT2, VT4, VT3, VT5 могут превысить допустимое значение. Вых каскад УМЗЧ Арасланова выполнен по аналогичной схеме.
У Арасланова для защиты входных транзисторов выходного каскада от превышения допустимого тока при срабатывании защиты предусмотрены резисторы R10, R11 сопротивлением 150 Ом. При повышении напряжения питания их сопротивление надо увеличивать. Многие, повторяющие эту конструкцию, об этом забывают.
Второй недостаток этой схемы - термостабилизация осуществляется во входной части выходного каскада, которое имеет усиление. Не так просто осуществить термостабилизацию такого выходного каскада. Правильная компенсация осуществляется распределением тока между транзистором термостаб

Статья в журнале Радио 1986 N'6 стр. 40...43.
Это первое и , наверное и последнее описание УМЗЧ класса супер-А в журнале Радио. Статья посвящена попытке моделировать данный УМЗЧ в симуляторе Microcap.
Сначала о недостатках схемы. При срабатывании защитных транзисторов VT6, VT7 ток через транзисторы VT2, VT4, VT3, VT5 могут превысить допустимое значение. Вых каскад УМЗЧ Арасланова выполнен по аналогичной схеме.
У Арасланова для защиты входных транзисторов выходного каскада от превышения допустимого тока при срабатывании защиты предусмотрены резисторы R10, R11 сопротивлением 150 Ом. При повышении напряжения питания их сопротивление надо увеличивать. Многие, повторяющие эту конструкцию, об этом забывают.

-2

Второй недостаток этой схемы - термостабилизация осуществляется во входной части выходного каскада, которое имеет усиление. Не так просто осуществить термостабилизацию такого выходного каскада. Правильная компенсация осуществляется распределением тока между транзистором термостабилизации VT1 и резистором R18. (См. схему УМЗЧ Митрофанова). Это же касается и схемы УМЗЧ Арасланова. Эта проблема решена в УМЗЧ Натали. Там термостабилизация и контроль за режимом работы транзисторов без отсечки тока осуществляется непосредственно управлением смещения выходных повторителей, собранных по схеме Дарлингтона.
Режим супер А - режим работы транзисторов выходного каскада без отсечки тока в схеме Митрофанова осуществляется при помощи цепочек R28, VD7 и R32, R33, VD8. Транзисторы VT6, VT7 являются ограничителями тока. Без них в этой схеме не обойтись. Почему - будет показано ниже.

-3

Это схема выходного каскада.

АЧХ и ФЧХ выходного каскада.
АЧХ и ФЧХ выходного каскада.
Входной сигнал - синус 20 кГц. На выходе 20В. Ниже - токи на резисторах R97, R98. Как видим, амплитуда тока на транзисторе не активного плеча при таком выходном напряжении достигает 1 А.
Входной сигнал - синус 20 кГц. На выходе 20В. Ниже - токи на резисторах R97, R98. Как видим, амплитуда тока на транзисторе не активного плеча при таком выходном напряжении достигает 1 А.
Гармоники выходного каскада. Кровень третьей гармоники - -59 дБ относительно уровня сигнала. Гармоники чуть более 0,1%.
Гармоники выходного каскада. Кровень третьей гармоники - -59 дБ относительно уровня сигнала. Гармоники чуть более 0,1%.

На частоте 1 кГц.

1 кГц. На выходе 20 В. Амплитуда тока транзистора не активного плеча - 800 mA.
1 кГц. На выходе 20 В. Амплитуда тока транзистора не активного плеча - 800 mA.

Гармоники сигнала 1 кГц.

Уровень третьей гармоники - 63 дБ относительно уровня сигнала.
Уровень третьей гармоники - 63 дБ относительно уровня сигнала.

На входе 1,33 В. (Усиление выходного каскада - 4).

График выходного напряжения и токов на резисторах R97, R98. Как видим, амплитуда тока не активного плеча 421 mB.
График выходного напряжения и токов на резисторах R97, R98. Как видим, амплитуда тока не активного плеча 421 mB.

На входе 1,33 В. Частота 20 кГц. Напряжение на выходе и токи на резисторах R97, R98.

-10

На входе 1,33 В. Частота 20 кГц. Гармоники.

-11

На входе 0,04 В. 1 кГц. Выходное напряжение и токи на резисторах R97, R98.

Установлен ток выходного каскада 100 mA. Как видим, амплитуда тока незначительно выше установленного.
Установлен ток выходного каскада 100 mA. Как видим, амплитуда тока незначительно выше установленного.

Попытки симулировать УМЗЧ с операционным усилителем на входе успехом не увенчались. Поэтому состряпал входной каскад на транзисторах. Усилитель инвертирующий. Усиление - 20. Входное сопротивление всего 1 кОм. Поэтому необходим хороший буферный предусилитель.

-13

Добавил резисторы R122, R123 - они предназначены для ограничения тока через входные транзисторы выходного каскада при срабатывании защиты по току. Защита по току здесь не показана, но она для данной схемы необходима.
При экспериментах с этой конструкцией ее надо ввести согласно исходной схеме Митрофанова. Эти резисторы ухудшают ФЧХ УМЗЧ. Но без них никак, как и без схемы ограничения тока.
Стабилитроны на 15 В, 1 Вт.
Резисторы R120, R121 на мощность 1 Вт.
R97, R98 - 5 Вт.
R80, R2 - 2 Вт.
R94, R95 - 1 Вт.
R86, R87 - 0,5 Вт.
R95 - 1 Вт.

R81, R82 - 0,25 Вт.

Остальные резисторы 0,125 - 0,25 Вт.
Установка тока покоя - R91 - последовательно соединенные постоянный и подстроечный резисторы. Подстройку начинать с большего значения сопротивления. Подбором R89 устанавливается термокомпенсация.
Цепь R86, R87 надо сделать как у автора, Для возможности настройки симметрии. Так же резисторы R92, R93 - требуют подбора. Ими настраивается ток не активного плеча, как указано в статье автора.

АЧХ и ФЧХ.
АЧХ и ФЧХ.
20 кГц. Напряжение на выходе и токи на резисторах R97, R98.
20 кГц. Напряжение на выходе и токи на резисторах R97, R98.
20 кГц.  Гармоники.
20 кГц. Гармоники.
1 кГц. Напряжение на выходе и токи на резисторах R97, R98.
1 кГц. Напряжение на выходе и токи на резисторах R97, R98.
1 кГЦ. Напряжение на выходе 20 В (Амплитуда). Гармоники.
1 кГЦ. Напряжение на выходе 20 В (Амплитуда). Гармоники.
20  кГц. Напряжение на выходе 10 В. Гармоники.
20 кГц. Напряжение на выходе 10 В. Гармоники.

А теперь казус этой схемы. Отключаем нагрузку.

Частота 1 кГц. При отключении нагрузки пропадает ток на эмиттерных резисторах выходного каскада. Т.е он не пропадает - остается ток покоя. Как бы не так. При наличии сигнала схема не даст пропадать току - амплитуда тока не активного плеча равна амплитуде тока активного плеча!
Частота 1 кГц. При отключении нагрузки пропадает ток на эмиттерных резисторах выходного каскада. Т.е он не пропадает - остается ток покоя. Как бы не так. При наличии сигнала схема не даст пропадать току - амплитуда тока не активного плеча равна амплитуде тока активного плеча!

Конечно, нельзя во всем полагаться симулятору. Но многие процессы симулятор

показывает правильно. Схема не без недостатков. Не зря автор рекомендует жесткие требования по сборке. Видимо у схемы автора низкая устойчивость.
Измененная схема по симулятору устойчива. Но запас устойчивости маленький.
У кого ест интерес, а, главное, время, вполне может поэкспериментировать.

Успехов в творчестве!