Найти в Дзене
Изучаю с НОЛЯ.

Лабораторный блок питания 0-30В 1А с ATX

Представляем универсальную самодельную конструкцию — регулируемый
лабораторный блок питания, построенный с нуля, и дополнительно
модификацию старого, но все еще работающего блока питания ATX, как
источника более мощного тока и нескольких напряжений (которых вечно не
хватает на тестах). Стабилизатор источника питания — хорошо известная схема на операционных
усилителях, с популярными измерителями ICL7107 и термоуправляемым
регулятором скорости вращения вентилятора охлаждения (хотя можно
обойтись просто радиатором побольше). В конструкцию стабилизатора было внесено несколько изменений, в том
числе увеличение значений резисторов R7 и R18, что способствовало
плавной настройке ограничения тока в диапазоне 1 А. Силовой транзистор
был заменен на TIP31A, а диоды для выпрямления на ток 2 A из-за
габаритов и экономии, потому что в столе уже были такие элементы.
Трансформатор, который помещён в блок питания, имеет конечно слишком
мало силы, он будет заменен в ближайшем будущем на тор
Оглавление

Представляем универсальную самодельную конструкцию — регулируемый
лабораторный блок питания, построенный с нуля, и дополнительно
модификацию старого, но все еще работающего блока питания ATX, как
источника более мощного тока и нескольких напряжений (которых вечно не
хватает на тестах).

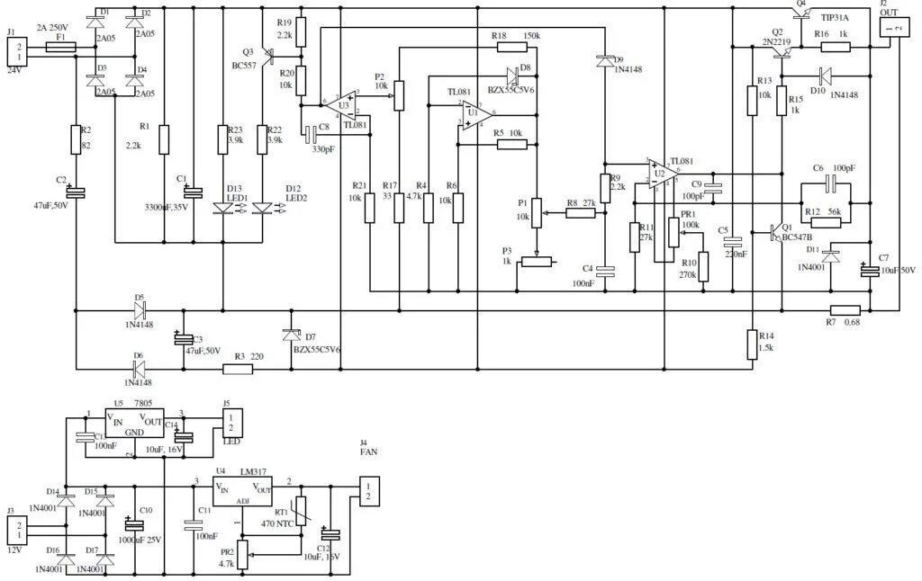
Схема стабилизатора

-2

Стабилизатор источника питания — хорошо известная схема на операционных
усилителях, с популярными измерителями ICL7107 и термоуправляемым
регулятором скорости вращения вентилятора охлаждения (хотя можно
обойтись просто радиатором побольше).

-3
-4

В конструкцию стабилизатора было внесено несколько изменений, в том
числе увеличение значений резисторов R7 и R18, что способствовало
плавной настройке ограничения тока в диапазоне 1 А. Силовой транзистор
был заменен на TIP31A, а диоды для выпрямления на ток 2 A из-за
габаритов и экономии, потому что в столе уже были такие элементы.
Трансформатор, который помещён в блок питания, имеет конечно слишком
мало силы, он будет заменен в ближайшем будущем на тороидальный 150 Вт.

Регулятор скорости вращения вентилятора основан на
стабилизаторе LM317, а также на термисторе NTC, расположенном рядом с силовым транзистором.

На основной плате устройства имеется вспомогательный источник питания
для А/В-метров и терморегулятора, выполненный на выпрямительном мосте,
конденсаторе фильтра и стабилизаторе LM7805. Оба стабилизатора размещены
на небольшом радиаторе, который довольно сильно нагревается.
Вспомогательный источник питания подключен к отдельным трансформаторным отводам, то есть на него идёт 12 В переменного тока.

-5

Шунт из резистора 0,1 Ом 5 Вт гарантирует довольно стабильные показания. Все платы были спроектированы с нуля. Они изготовлены методом термопереноса.

Корпус БП

-6

По экономическим причинам решено было использовать корпус от сгоревшего
блока питания ATX. Ненужные отверстия запаяны металлическими пластинами,
которые были заполнены полиэфирной смолой. Все покрашено в черный цвет
акриловой краской.

-7

Запуск блока питания

Когда дело дошло до первого запуска, то это стоило немало нервов,
поскольку БП не хотел толком работать, и причиной стала микросхема на
плате. Также сгорел один операционный усилитель, из-за неправильно
подключенного транзистора Q1. Кроме того, вольтметр не хотел работать
сразу, что проявлялось в скачках показаний. Причиной был неисправный
конденсатор на измерительном входе. Ну и вишенка на торте — случайно
сжег одну ICL7107.

-8
-9

Преобразование старого блока питания ATX

Вся операция состояла из косметических изменений, то есть размещения
гнёзд на передней панели, светодиода указывающего работу и выключателя
питания.

-10

Соответствующие контакты также были закорочены, так что источник питания
работает сразу после включения питания сети 220 В. Он очень хорошо
работает в качестве блока питания для сверлилки печатных плат и в то же
время не занимает рабочее место.

-11

Амперметр должен измерять ток до 9.99 A, но при более высоких токах
падение напряжения на выходе будет весьма значительным, и,
следовательно, мощность, выделяемая на шунте, будет также значительной,
что может привести к его нагреву, изменению сопротивления и, как
следствие, значительной погрешности измерений. Например, для тока 10 А
падение напряжения на резисторе 0,1 Ом составит 1 В, что даст
разделенную мощность, равную 10 Вт (P = U • I). Конечно вы можете
использовать резистор значительно большей мощности, но это будет
довольно неуклюжее решение. Будет гораздо лучше использовать шунт с
более низким сопротивлением или резистор 0,01 Ом и соответственно
изменить делитель напряжения на входе амперметра.

-12

Что касается текущей эффективности 1 А, конечно этого иногда
недостаточно. Первоначально предполагалось 2 А, но проблема возникла с
размещением элементов в корпусе, особенно с большим радиатором, поэтому
решено использовать 1 А. Тем не менее, не исключается возможность
обновления конструкции до 2 А в будущем, при этом потребует установки
радиатора снаружи корпуса.

-13

Во всяком случае, этот регулируемый источник питания должен
использоваться скорее для запитки небольших схем. Для питания дрелей
печатных плат и других энергоемких устройств подключается старый ATX.

🔥 Добро пожаловать на канал! 🔥

Здесь влоги о ремонте электроники. Если ты любишь узнавать новые полезные
лайфхаки или просто интересуешься, как я провожу свой день, тебе точно
понравится! 😊

🔔 Поделитесь мнением после просмотра!👍

Поставьте лайк и поделитесь с друзьями – это будет огромной поддержкой!
Ваша активность помогает каналу развиваться. Это несложно для вас, но приятно для меня! 💪

💌 По вопросам сотрудничества и рекламы: Fetch74@mail.ru

🎥 Не забывайте подписаться на канал: @Gerich174 – тут много интересного! 📲

💰 Если хотите поддержать развитие канала:

💳 Донат: https://yoomoney.ru/to/4100117056657007
🔧 Ваш вклад помогает улучшать контент!

👨‍👧‍👦 Канал для своих и для тех, кто в теме!

Подписывайтесь и становитесь частью моей маленькой, но дружной аудитории! 😎