Найти в Дзене
Изучаю с НОЛЯ.

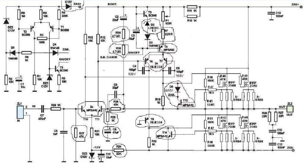
Усилитель на полевых N-канальных транзисторах

Эта схема основана на известном усилителе мощности на двух парах
транзисторов IRFP250. Сделаны печатные платы методом термопереноса. Ток
покоя установлен на 50 мА. Выходная мощность ватт по 200 на канал будет. БП состоит из трансформатора 800 ВА. Напряжение трансформатора 2х 50
В. Далее диодный мост и конденсаторы 30000 мкФ на плечо. Напряжение
холостого хода составляет 70 В, и когда оба УМЗЧ полностью приведены в
действие, оно падает до 55 В. Трансформатор имеет систему плавного
пуска. Предусилитель представляет собой конструкцию, взятую из фирменного
усилителя высокого класса, однажды он был опубликован в радиожурнале под
названием регулятор тона REVOX. Очень доволен этим предусилителем, это
был третий, который попробовал в этой схеме, и он был единственным,
который оправдал ожидания. Когда делал усилитель, думал о добавлении эквалайзера, к сожалению, с 10
полосами — это около 12 операционных усилителей и места такое дело
займёт немало (плюс шумы). Заметил, что в оборудов
Оглавление

Эта схема основана на известном усилителе мощности на двух парах
транзисторов IRFP250. Сделаны печатные платы методом термопереноса. Ток
покоя установлен на 50 мА. Выходная мощность ватт по 200 на канал будет.

-2
-3

Блок питания УНЧ

БП состоит из трансформатора 800 ВА. Напряжение трансформатора 2х 50
В. Далее диодный мост и конденсаторы 30000 мкФ на плечо. Напряжение
холостого хода составляет 70 В, и когда оба УМЗЧ полностью приведены в
действие, оно падает до 55 В. Трансформатор имеет систему плавного
пуска.

-4
-5

Предварительный усилитель

Предусилитель представляет собой конструкцию, взятую из фирменного
усилителя высокого класса, однажды он был опубликован в радиожурнале под
названием регулятор тона REVOX. Очень доволен этим предусилителем, это
был третий, который попробовал в этой схеме, и он был единственным,
который оправдал ожидания.

-6

Когда делал усилитель, думал о добавлении эквалайзера, к сожалению, с 10
полосами — это около 12 операционных усилителей и места такое дело
займёт немало (плюс шумы). Заметил, что в оборудовании высокого класса
есть только низкие / высокие частоты, поэтому начал смотреть на
оригинальные схемы. Схема очень интересного регулятора НЧ-ВЧ от всемирно
известной компании REVOX исходит от усилителя B-251, и это
действительно работает круто. Сделал печатную плату в виде отдельного
модуля.

-7

Предварительный усилитель питается от симметричного напряжения 18 В,
получаемого от источников питания на основе стабилитронов и
транзисторов.

Охлаждение УНЧ

Охлаждение состоит из двух радиаторов размерами 20 x 10 x 5 см.
Радиаторы имеют фрезерованные выемки для вентиляторов, сами вентиляторы
толщиной 1 см. У них нет регулятора, но они настолько тихие, что их
вообще не слышно при работе.

-8
-9

Корпус усилителя

-10

Корпус изготовлен из алюминиевого листа толщиной 3 мм. Листы были
нарезаны лазером на заказ по техническому чертежу. Всё привинчивается с
использованием хромированных уголков и винтов с внутренним
шестигранником M4 и M5. Вентиляционные отверстия снизу и сверху были
тоже вырезаны лазером в корпусе.

-11

Усилитель сделан специально для больших фирменных и прекрасно управляет
ими. Мощность, которую измерили при частоте 50 Гц, составляет 350 Вт на
канал без видимых искажений. На эквалайзере, как правило, поднимал
нижние и верхние частоты.

-12

Правда корпус очень тесный, его размеры: высота 11,5 см при ширине 40
см, глубина 21 см. Но это обычное дело, всегда хочется компактнее, что
потом вылазит боком.
Файлы проекта тут

🔥 Добро пожаловать на канал! 🔥

Здесь влоги о ремонте электроники. Если ты любишь узнавать новые полезные
лайфхаки или просто интересуешься, как я провожу свой день, тебе точно
понравится! 😊

🔔 Поделитесь мнением после просмотра!👍

Поставьте лайк и поделитесь с друзьями – это будет огромной поддержкой!
Ваша активность помогает каналу развиваться. Это несложно для вас, но приятно для меня! 💪

💌 По вопросам сотрудничества и рекламы: Fetch74@mail.ru

🎥 Не забывайте подписаться на канал: @Gerich174 – тут много интересного! 📲

💰 Если хотите поддержать развитие канала:

💳 Донат: https://yoomoney.ru/to/4100117056657007
🔧 Ваш вклад помогает улучшать контент!

👨‍👧‍👦 Канал для своих и для тех, кто в теме!

Подписывайтесь и становитесь частью моей маленькой, но дружной аудитории! 😎