Добавить в корзинуПозвонить
Найти в Дзене
Сергей Гайдук

ЛАБОРАТОРНЫЙ БЛОК ПИТАНИЯ. ПРОСТОЙ ИЛИ СЛОЖНЫЙ?

Здравствуйте мои читатели! И особенно начинающие электронщики!!! Продолжаем разбираться с токовым ограничением… И здесь надо решить какое ограничение требуется или это переход в режим источника тока, или выключение нагрузки – «электронный предохранитель». Какой же режим выбрать? Выбирает автор конструкции! У меня вопрос к моим читателям, имеющим опыт работы: - «А в каких случаях такой режим необходим? Подскажите, сколько раз Вы применяли источник тока, и при каких работах?» Вариантов не так и много: подгонка режима светодиодов; заряд аккумуляторов. А что ещё? Практически больше нет вариантов, но возможно читатели и подскажут… Надо отметить, что регулируемый режим источника тока требует установки на передней панели переключатель или потенциометр, а если требуется точная регулировка, требуется дополнительный потенциометр точной настройки! Выбор за конструктором – есть место на передней панели, можно позволить такую «роскошь», а если места мало, то «забываем» об этом до следующего ЛБП… Но

Здравствуйте мои читатели! И особенно начинающие электронщики!!!

Продолжаем разбираться с токовым ограничением…

И здесь надо решить какое ограничение требуется или это переход в режим источника тока, или выключение нагрузки – «электронный предохранитель». Какой же режим выбрать? Выбирает автор конструкции!

У меня вопрос к моим читателям, имеющим опыт работы: - «А в каких случаях такой режим необходим? Подскажите, сколько раз Вы применяли источник тока, и при каких работах?»

Вариантов не так и много: подгонка режима светодиодов; заряд аккумуляторов. А что ещё? Практически больше нет вариантов, но возможно читатели и подскажут…

Надо отметить, что регулируемый режим источника тока требует установки на передней панели переключатель или потенциометр, а если требуется точная регулировка, требуется дополнительный потенциометр точной настройки! Выбор за конструктором – есть место на передней панели, можно позволить такую «роскошь», а если места мало, то «забываем» об этом до следующего ЛБП…

Но есть второй вариант – это «электронный предохранитель» и здесь работать будет только защита или самого ЛБП, или «спасение» от неаккуратного монтажа (ошибок разводки, некачественной пайки), но это опять же защита ЛБП.

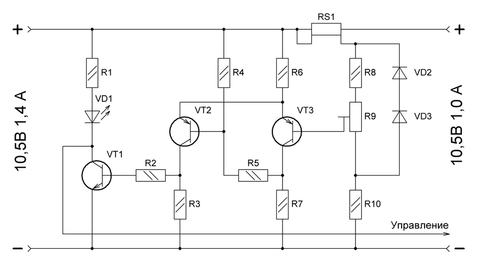
В своём очередном ЛБП (о котором и идет повествование), выбран вариант защиты схемы стабилизатора +5В и трансформатора от перегрузки, но не короткого замыкания, если ток превышает допустимый ток – схема ограничивает его до минимума и возвращается в нормальный режим при снижении нагрузки. Порог отключения и порог включения подбирается схемно, а эту функцию выполняет триггер Шмитта (компаратор напряжения). Схема этого узла приблизительно будет такая

-2

Рис.1. Триггер Шмитта в качестве «электронного предохранителя».

При нагрузке менее 1А, на линии «Управление» присутствует низкий уровень (транзистор VT1 открыт), светодиод VD1 сигнализирует, что на клеммах «+5В» присутствует напряжение. Подбором режима триггера Шмитта устанавливается порог срабатывания при перегрузке и выхода из режима ограничения. Для этого потребуется подробный расчёт всех элементов этого каскада. Такие расчёты есть на просторах интернета и я приведу короткие расчёты в материале с окончательным вариантом конструкции уже готового ЛБП. Но для этого надо решить ещё несколько проблем…

Очень интересная задача – это передняя панель! Очень интересная!!!

Почему в своих материалах большинство авторов ЛБП публикуют только схемы? Правильно! Проверили на «собачнике» или на макетке – работает! Есть ЛБП!!! Вот только это не ЛБП, а только платы со схемой и остальным…

Первая проблема – это регулировка выходного напряжения! Каким регулятором (потенциометром или реостатом) её осуществлять? Все ли потенциометры для этого пригодны? Не все, ой, не все!!!

На большинстве фото таких ЛБП (печатная плата, транзистор на радиаторе и всё соединено проводами) и виден потенциометр…

Простенький, китайский или старый советский! А этот потенциометр должен иметь повышенную износостойкость на стирание! Редко авторы приводят его марку и зря!

Теперь о величине интервала выходного напряжения. Многие высказывают пожелание такого интервала 0…30В. Очень хороший ЛБП, но как при помощи одного потенциометра производить регулировку? Делаем простейший расчет. Регулировочную ось потенциометра можно повернуть от 0 до 300 угловых градусов (в очень хороших – это почти 330…350 угловых градусов).

Делим 30В на 300 градусов и получаем 0,1В. Нужна снайперская точность, чтобы установить желаемое напряжение. Вывод? Правильно – ставим многооборотный потенциометр (10 оборотов – это почти 3000 угловых градусов!). Здесь получается точнее – 0,01В на один градус шкалы! Для рабочего интервала 0…15 В точность уже будет 0,005 В. С такой регулировкой приятно работать.

Можно обойтись и без многооборотного, но потребуется подстроечный регулятор. Если основная регулировка осуществляется реостатом, то и с подстройкой всё просто – ставим последовательно второй реостат меньшего номинала и проблема решена! Остаётся выделить для него только рабочее место на передней панели.

А как быть, если регулировка производится потенциометром? Прошу опытных читателей подсказать начинающим такой схемный вариант применительно к конкретной схеме.

Следующий интересный вопрос – это измерительные приборы на передней панели. Сколько их должно быть? И какие они должны быть? Очень красиво смотрятся на передней панели стрелочные приборы, но сколько они занимают места!!! Самые доступные имеют габаритный размер «по фейсу» 40 х 40 мм. Если ставим амперметр и вольтметр рядом, получается очень много!!! Про проблемы с их креплением я умалчиваю…

Позволяет передняя панель «отдать» 32 кв.см – ставим стрелочные приборы (но это только на одно напряжение), при условии, что найдутся с заданной шкалой. Нет смысла ставить амперметр на 5А (за 130 рублей) для измерения токов 1А и меньше. Вывод здесь какой? Правильно! Ставим китайский цифровой «показометр» вольтметр-амперметр.

Теперь по поводу «показометра»… Кто-то его так назвал, не понимая сути процесса измерения токов и напряжений при наладке или ремонте. Поясните дорогие читатели, за какую «провинность» его так ОБИДЕЛИ???

Вот и прояснили основные проблемы с лицевой панелью.

ЛБП который я сейчас делаю и о котором идёт речь, имеет очень удобные габариты, которые меня устраивают на 100%.

Вот только передняя панель маловата и, действительно, пришлось ставить «показометр», осталось решить какой поставить три разряда или четыре… И будет он измерять параметры напряжения стабилизатора 1,2…15В. В качестве потенциометра применю многооборотный потенциометр. Размер панели (передней и задней) 131,5 х 54,5 мм, не сильно ограничивает задуманное и даже есть немного свободного места (возможно, поставлю параллельно к клеммам +5В, ещё и USB-разъём). Панель будет выглядеть примерно так

-3

Рис.2. Вариант передней панели. Серым цветом показаны отверстия для установки элементов.

Вариант задней панели приводить не буду, там установлены только сетевой разъём (как на БП компьютера), вентилятор 40 х 40 мм с красивой сеткой.

Очень ровные панели, качественно вырублены (толщина 1,5 мм), есть только существенный недостаток – материал, мягкий алюминий, обрабатывается тяжело! Не в том смысле, что он твёрдый, а в том, что очень «тягучий» - тянется за инструментом при резке, даже если сверло заточено очень остро. Приходится потом «дорабатывать» напильником (надфилем). Но «терпение и труд, всё перетрут»!!!

Вот такой получился чертёж для вырезки отверстий

-4

Рис.3. Разметка отверстий на передней панели ЛБП.

Придётся поработать, но в прошлые разы (для других приборов) всё получалось нормально…

Надеюсь, материал понравился моим читателям.

В следующем материале расскажу о самом корпусе.

Желаю Всем моим читателям крепкого здоровья, успехов во всех делах и прекрасного настроения!

Желаю Всем чистого и мирного неба над головой!!!

БЕРЕГИТЕ СЕБЯ И БЛИЗКИХ!!!