Найти в Дзене
Кастон

Мифы, ток и немножко магии: правда о частотных преобразователях

Сегодня мы попробуем выступить в роли «разрушителей мифов». Частотные преобразователи (далее ПЧ/частотник) нередко воспринимаются как нечто почти волшебное, ведь их работа действительно производит впечатление. Но именно эта «магия» часто становится причиной появления множества мифов и заблуждений. В этой статье мы разберём 10 самых популярных мифов о частотных преобразователях и наглядно покажем, где скрыта правда, а где лишь красивая легенда. Частотный преобразователь не «забирает» мощность у двигателя — он лишь управляет его скоростью. На низких оборотах момент остаётся тем же, но мощность меньше, потому что двигатель вращается медленнее. При выходе на номинальную скорость двигатель развивает и паспортный момент, и паспортную мощность. А выше номинала момент постепенно снижается, но за счёт роста оборотов мощность остаётся примерно такой же. К тому же, на выходе частотника формируется то же напряжение и тот же ток, которые потребляет двигатель, а значит, и выделяемая мощность остаётс
Оглавление

Сегодня мы попробуем выступить в роли «разрушителей мифов». Частотные преобразователи (далее ПЧ/частотник) нередко воспринимаются как нечто почти волшебное, ведь их работа действительно производит впечатление. Но именно эта «магия» часто становится причиной появления множества мифов и заблуждений. В этой статье мы разберём 10 самых популярных мифов о частотных преобразователях и наглядно покажем, где скрыта правда, а где лишь красивая легенда.

Миф №1: При использования ПЧ двигатель теряет свою мощность и момент на валу.

Частотный преобразователь не «забирает» мощность у двигателя — он лишь управляет его скоростью. На низких оборотах момент остаётся тем же, но мощность меньше, потому что двигатель вращается медленнее. При выходе на номинальную скорость двигатель развивает и паспортный момент, и паспортную мощность. А выше номинала момент постепенно снижается, но за счёт роста оборотов мощность остаётся примерно такой же. К тому же, на выходе частотника формируется то же напряжение и тот же ток, которые потребляет двигатель, а значит, и выделяемая мощность остаётся неизменной в пределах паспортных характеристик.

  • До номинальной скорости: он подаёт больше частоты и напряжения → двигатель крутится быстрее, момент остаётся таким же → мощность растёт.
  • После номинальной скорости: напряжение уже на максимуме, поэтому момент постепенно падает, но скорость увеличивается → в итоге мощность остаётся примерно той же.

Миф №2: Частотник вреден для двигателя.

У многих возникает предубеждение, что электронное устройство «портит» двигатель:

  • якобы напряжение «неровное»;
  • появляются токи искажения;
  • падает ресурс изоляции;
  • мотор перегревается быстрее.

Современные частотные преобразователи построены на принципе ШИМ и формируют напряжение, близкое к синусоиде, поэтому двигатель получает «правильное питание» и работает в номинальных режимах. Преобразователь подаёт именно то напряжение и ток, которые соответствуют нагрузке, а значит, не вызывает лишнего нагрева или перегрузок. Более того, ПЧ выполняет функции защиты: контролирует ток, температуру, предотвращает перегрузки и частые пуски. В отличие от прямого включения в сеть, частотник обеспечивает плавный пуск и торможение, снижая удары по обмоткам и механике. Если двигатель подобран корректно и соответствует требованиям (например, класс изоляции и конструкция подшипников), его ресурс не снижается. Напротив, работа с частотником чаще продлевает срок службы оборудования.

Миф №3: Частотник можно ставить на любой двигатель.

Далеко не каждый электродвигатель рассчитан на работу с частотным преобразователем. Распространённое мнение «частотник универсален» возникло из-за того, что многие современные двигатели успешно работают с ПЧ, и создаётся впечатление, будто это возможно для любого мотора. На самом деле у ПЧ есть особенности работы (ШИМ-напряжение, высокочастотные гармоники, возможность работы на низких скоростях), которые предъявляют дополнительные требования к двигателю.

На какие двигатели ставят частотники:

  • На современные трехфазные асинхронные двигатели, рассчитанные на питание от ПЧ.
  • На двигатели с классом изоляции не ниже «F» и допустимой температурой нагрева класса «B».
  • На моторы с возможностью дополнительного или принудительного охлаждения при низких оборотах.

ПЧ работает корректно только с двигателями, подходящими по мощности, напряжению, конструкции и условиям эксплуатации. Иначе возможен перегрев, пробой изоляции или ускоренный износ подшипников. Поэтому, перед покупкой ПЧ, рекомендуем обратиться в техническую поддержку компаний «Кастон» для корректного подбора оборудования во избежание дополнительных рисков.

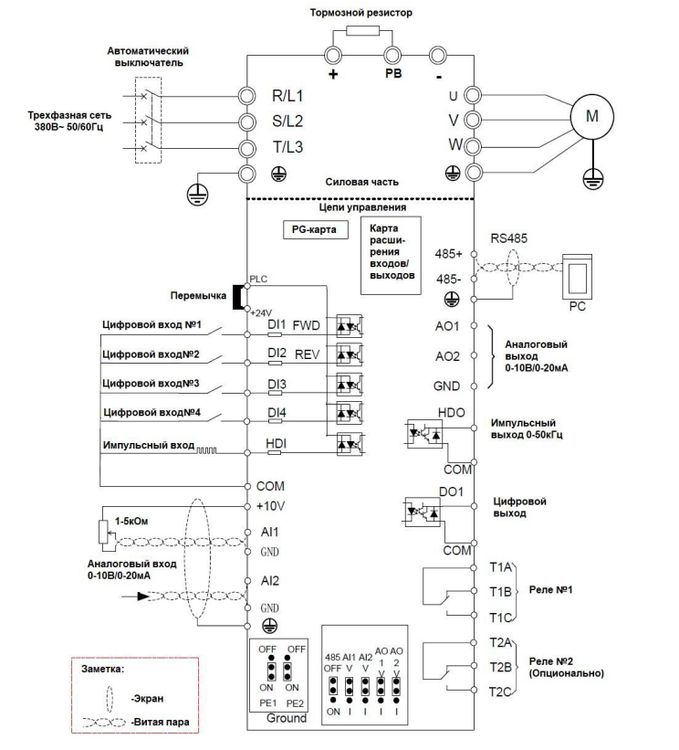
Миф №4: Частотный преобразователь — это только для регулировки скорости.

Да, это основное, но у ПЧ есть много дополнительных функций управления и защиты двигателей. Частотник может обеспечить: ПИД-регулирование, многоскоростное управление, управление через внешних цепей управления. Если вы взгляните на схему подключения VFD500, то можете увидеть 5 цифровых входов (один из которых быстрый цифровой вход HDI), 2 аналоговых входов, 2 цифровых выходов (один из которых быстрый цифровой выход HDO), 1 релейного выхода (опционально можно добавить еще один), и 2 аналоговых выхода:

-2

Эта цепь управления позволяет конфигурировать ПЧ на различные функций управления вашим двигателем.

К тому же ПЧ может защитить ваш двигатель от короткого замыкания, перегрузки, от потери фазы и многих других аварийных случаев.

Миф №5: ПЧ и УПП (Устройство плавного пуска) – это одно и то же.

-3

Частотный преобразователь и УПП часто путают, но это совершенно разные устройства с разными принципами работы. УПП нужен только для плавного пуска и останова двигателя: он снижает пусковые токи и механические удары за счёт временного ограничения напряжения, а после выхода на номинальный режим практически не участвует в работе. Частотный преобразователь, напротив, управляет двигателем постоянно — регулирует скорость, момент, направление вращения, обеспечивает защиту и дополнительные функции автоматизации.

УПП подключается последовательно между сетью и двигателем. При пуске он постепенно увеличивает напряжение на обмотках за счёт тиристорных ключей, тем самым снижая пусковой ток и механические удары. Когда двигатель выходит на номинальную скорость, УПП обычно шунтируется (байпасируется) и перестаёт влиять на питание — дальше мотор работает напрямую от сети.

Частотный преобразователь, в отличие от УПП, работает постоянно. Он сначала выпрямляет напряжение сети в звене постоянного тока, затем формирует новое трёхфазное напряжение с регулируемой частотой и амплитудой с помощью транзисторных ключей (IGBT). Это позволяет не только плавно запускать и останавливать двигатель, но и изменять его скорость, крутящий момент и направление вращения в широком диапазоне.

Миф №6: Частотник всегда улучшает cos φ (коэффициент мощности).

Часто говорят, что частотник имеет высокий коэффициент мощности (0,95–0,98), и это верно — но речь идёт только о его входе при исправной схеме выпрямителя и нормальных условиях работы.

-4

Что на самом деле:

  • На входе ПЧ действительно нет реактивной мощности, как у двигателя при прямом пуске. Но вместо этого появляются гармоники тока от работы выпрямителя (6-пульсного моста). Эти искажения портят качество электроэнергии и могут снижать «истинный cos φ» в сети.
  • На выходе ПЧ двигатель питается от ШИМ-напряжения, и там cos φ измерять напрямую бессмысленно, потому что форма сигнала искажена.
  • Для реального улучшения cos φ на предприятии иногда требуется дополнительная фильтрация (моторные дросселя или синус-фильтры)

Миф №7: ПЧ сам защищает двигатель от всех аварий.

Да, частотный преобразователь действительно обеспечивает базовую электронную защиту двигателя: он контролирует напряжение, частоту, перегрузку и может остановить двигатель при превышении допустимых параметров. Однако, он не способен защитить от всех возможных аварий. ПЧ не «видит» перегрев обмоток при нарушении вентиляции, механические заклинивания, износ подшипников, пробой изоляции, обрыв кабеля, перекос или потерю фазы на входе, а также не защищает саму питающую сеть.

Поэтому, помимо встроенных функций ПЧ, необходимы дополнительные элементы защиты:

  • автоматический выключатель или предохранители на входе;
  • датчики температуры (PTC/PT100) в обмотках двигателя;
  • реле контроля изоляции;
  • устройства защиты механизма (концевики, датчики давления, вибрации и т.д.).

Не надо забывать что, ПЧ является частью системы защиты, но не её заменой.
Он повышает надёжность и управляемость привода, но его основная функция – это управление двигателем. А полноценная безопасность обеспечивается только комплексом защит — электрических, тепловых и механических.

Миф №8: Частотник нельзя ставить после автомата или контактора.

Этот миф возник потому, что в инструкциях производителей часто встречается предупреждение: «Не размыкайте цепь между ПЧ и двигателем при работе устройства». Некоторые восприняли это как запрет на использование любых коммутационных аппаратов рядом с ПЧ вообще, хотя смысл совсем другой.

-5

Частотник можно ставить после автомата или контактора — но с соблюдением условий. Автоматический выключатель всегда устанавливается на входе частотного преобразователя — он защищает питающую линию и сам ПЧ от коротких замыканий.

Контактор также можно ставить на входе, если он используется как средство сервисного отключения или дистанционного включения питания, но коммутировать им следует только при остановленном частотнике, а не во время работы. На выходе ПЧ, между преобразователем и двигателем, контактор допустим лишь в тех случаях, когда ПЧ полностью остановлен или заблокирован по сигналу управления. Размыкание цепи между ПЧ и двигателем во время работы категорически недопустимо.

При разрыве цепи на выходе работающего частотника возникает высокочастотное перенапряжение и дуговой разряд, которые могут привести к пробою изоляции кабеля, повреждению IGBT-транзисторов и ложным аварийным срабатываниям. Такие всплески напряжения создают сильные электромагнитные помехи, влияющие на работу других устройств. Поэтому коммутационные аппараты должны устанавливаться в соответствии с рекомендациями производителя ПЧ и использоваться только при снятом выходном напряжении.

Миф №9: Длинный кабель между ПЧ и двигателем не имеет значения.

Этот миф возник из-за того, что внешне кабель между частотником и двигателем кажется обычным силовым проводом, как при прямом пуске без ПЧ. Многие электрики и монтажники по привычке считают, что, если двигатель крутится — значит всё в порядке, и длина кабеля роли не играет. На низких мощностях и при коротких трассах это действительно не вызывает проблем, поэтому создаётся впечатление, что «так можно всегда».

На практике длина кабеля между частотным преобразователем и электродвигателем имеет большое значение. Чтобы избежать проблем, при длине кабеля более 15–20 м рекомендуется использовать:

  • Экранированный кабель с симметричной жилой и правильным заземлением экрана с обеих сторон;
  • Моторный дроссель (du/dt) при длине 50–100 м;
  • Синус-фильтр, если длина превышает 100 м и не достигает 500 м.
-6

При длинных кабелях между ПЧ и двигателем из-за отражения импульсов на конце линии возникают высоковольтные пики, которые могут превышать допустимое напряжение изоляции двигателя. Это приводит к ускоренному старению изоляции, перегреву, пробоям и даже выходу из строя обмоток. Кроме того, длинный неэкранированный кабель работает как антенна, создавая электромагнитные помехи, способные нарушить работу чувствительной электроники поблизости. Поэтому длина кабеля должна быть учтена при проектировании — с установкой фильтров, правильным выбором сечения и соблюдением рекомендаций производителя частотника.

Миф №10: Частотный преобразователь – дорогая игрушка.

Частотный преобразователь — это не роскошь, а инструмент оптимизации энергоэффективности и ресурса оборудования. На самом деле стоимость быстро окупается за счёт энергосбережения, меньших нагрузок на оборудование и сокращения простоев.

Он регулирует скорость вращения двигателя точно под нагрузку, устраняет пиковые токи при пуске, снижает износ механики и продлевает срок службы двигателя.

За счёт плавного пуска и остановки уменьшается механический удар на муфты, подшипники и ременные передачи. Кроме того, ПЧ позволяет реализовать гибкое управление по датчикам давления, расхода, температуры, что повышает стабильность технологического процесса и снижает количество аварийных остановов.

Экономическая выгода:

  1. Энергосбережение — на вентиляторах и насосах (где нагрузка кубически зависит от скорости) экономия может достигать 30–60%.
  2. Меньше поломок и простоев — за счёт плавных режимов снижается количество ремонтов и замен оборудования.
  3. Сокращение эксплуатационных затрат — меньше расход электроэнергии, меньше запасных частей, выше надёжность.
  4. Быстрая окупаемость — в среднем 6–18 месяцев для промышленных применений, иногда даже быстрее.
  5. Дополнительные функции — встроенные защиты, диагностика, связь с АСУ ТП — позволяют отказаться от части внешних приборов и реле, что снижает общую стоимость системы.

Отказ от ПЧ «ради экономии» часто приводит к скрытым потерям: высокие пусковые токи изнашивают контакторы, нагружают сеть, сокращают срок службы двигателей; механические удары повышают риск аварий и сбоев. На фоне этих расходов покупка ПЧ — это не лишняя трата, а инвестиция в надёжность.

Частотные преобразователи — это не просто устройства для регулирования скорости вращения электродвигателя, а ключевой элемент современной системы автоматизации и энергоэффективности. Однако вокруг них до сих пор существует множество мифов и заблуждений, возникших из устаревших представлений, поверхностных знаний и неправильной эксплуатации.

Частотный преобразователь — это не «дорогая игрушка» и не панацея от всех проблем, а высокотехнологичное оборудование, требующее грамотного подбора, настройки и обслуживания. При правильном применении ПЧ обеспечивает значительную экономию электроэнергии, продлевает срок службы двигателя, повышает надёжность технологических процессов и снижает износ оборудования.