Найти в Дзене
Изучаю с НОЛЯ.

Операционные усилители для высоковольтных схем

Есть большое количество аналоговых схем, например связанных с
источниками питания, предназначенных для управления более высокими
напряжениями. В некоторых случаях речь идет о поддержке эффективной
передачи мощности, поскольку более высокие напряжения требуют меньшего
тока для заданного уровня мощности и, следовательно, приводят к меньшему
падению напряжения на сопротивлении или потерям мощности. Также есть
много устройств, в которых требуется более высокое напряжение даже если
ток низкий, а требования к питанию скромные. Это широко используемые
пьезоэлектрические преобразователи, используемые в ультразвуковых
схемах, прецизионные пьезоэлектрические позиционеры, работающие в
нанометровом диапазоне, лавинные фотодиоды (APD) в системах LIDAR, и
другие. Задача: адаптировать обычный операционный усилитель для
работы с напряжением от 50 вольт или выше. Обычно это делалось, начиная со стандартного включения операционного усилителя для работы в диапазоне от 15 до 24 В, а затем усил

Есть большое количество аналоговых схем, например связанных с
источниками питания, предназначенных для управления более высокими
напряжениями. В некоторых случаях речь идет о поддержке эффективной
передачи мощности, поскольку более высокие напряжения требуют меньшего
тока для заданного уровня мощности и, следовательно, приводят к меньшему
падению напряжения на сопротивлении или потерям мощности. Также есть
много устройств, в которых требуется более высокое напряжение даже если
ток низкий, а требования к питанию скромные. Это широко используемые
пьезоэлектрические преобразователи, используемые в ультразвуковых
схемах, прецизионные пьезоэлектрические позиционеры, работающие в
нанометровом диапазоне, лавинные фотодиоды (APD) в системах LIDAR, и
другие.

Задача: адаптировать обычный операционный усилитель для
работы с напряжением от 50 вольт или выше. Обычно это делалось, начиная со стандартного включения операционного усилителя для работы в диапазоне от 15 до 24 В, а затем усиливая его выходное напряжение с помощью транзисторов. В принципе, это может показаться простым решением. Но для достижения высокой производительности при симметричном питании требуется более сложная схема с большим количеством пассивных компонентов.

-2

Вот улучшенная схема повышения напряжения, которая требует гораздо
большего количества компонентов для обеспечения симметричной и линейной
работы во всем диапазоне выходного сигнала.

-3

Полное описание характеристик для различных нагрузок и других условий
эксплуатации схемы занимает много времени и требует анализа, основанного
на неизбежных допусках добавленных пассивных компонентов. Некоторое
время назад на рынке также были гибридные компоненты, которые объединяли
пассивные элементы, указанные на схемах выше, в одном корпусе, который
был похож на корпус классической интегральной схемы или модуля, но они
обеспечивали возможность работы с более высоким напряжением, а также
имели дополнительную встроенную защиту от перегрузка по току или
чрезмерная температура.

-4

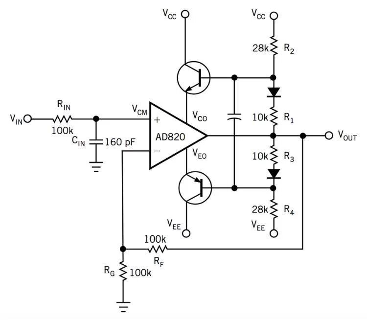
Выше практическая схема включения стандартной микросхемы NE5534 в высоковольтную цепь.

Высоковольтные ОУ OPA462  и ADHV4702

К счастью, в течение последних нескольких лет поставщики чипов
работали над преодолением технологических ограничений, которые
ограничивали аналоговые компоненты более низким напряжением. Например,
операционный усилитель OPA462 с высоким напряжением (180 В) и высоким
током (максимум 45 мА) работает от двухполярного источника питания от ± 6
В (12 В) до ± 90 В (180 В) и имеет полосу пропускания 6,5 МГц, со
скоростью нарастания сигнала на выходе до 32 В / мкс. Небольшие размеры
корпуса этого элемента также впечатляют, всего 5 мм х 4 мм.

-5

В области высоковольтных операционных усилителей также доступны Analog
Devices — ADHV4702-1, что представляет собой прецизионный операционный
усилитель с питанием от 24 до 220 В, который может использовать
симметричные или несимметричные блоки питания. Этот ОУ обеспечивает
скорость нарастания выходного сигнала до 74 В / мкс и имеет полосу
пропускания сигнала до 10 МГц. 12-контактный корпус этой микросхемы
имеет размеры всего 7 × 7 мм.

-6

В целом, хотя цепи высокого напряжения похожи на классические
операционные усилители, есть некоторые тонкости, такие как необходимость
использовать защитное кольцо вокруг неинвертирующего входа и подавать
на него потенциал который отслеживает вход, чтобы минимизировать утечку с
близлежащих контактов.

🔥 Добро пожаловать на канал! 🔥

Здесь влоги о ремонте электроники. Если ты любишь узнавать новые полезные
лайфхаки или просто интересуешься, как я провожу свой день, тебе точно
понравится! 😊

🔔 Поделитесь мнением после просмотра!👍

Поставьте лайк и поделитесь с друзьями – это будет огромной поддержкой!
Ваша активность помогает каналу развиваться. Это несложно для вас, но приятно для меня! 💪

💌 По вопросам сотрудничества и рекламы: Fetch74@mail.ru

🎥 Не забывайте подписаться на канал: @Gerich174 – тут много интересного! 📲

💰 Если хотите поддержать развитие канала:

💳 Донат: https://yoomoney.ru/to/4100117056657007
🔧 Ваш вклад помогает улучшать контент!

👨‍👧‍👦 Канал для своих и для тех, кто в теме!

Подписывайтесь и становитесь частью моей маленькой, но дружной аудитории! 😎