Добавить в корзинуПозвонить
Найти в Дзене
МАТРИКС ЭЛЕКТРОНИКА

Аналоговые решения и компоненты питания для электросчетчиков – Belling, SGMICRO и Shinhom. Часть 1

Электросчётчики стали неотъемлемой частью энергосистем и используются повсеместно для точного измерения объема потребленной электроэнергии. Однако сегодня выполняют и дополнительные задачи, такие как мониторинг качества электроэнергии, обнаружение перегрузок и интеграцию в «умный дом». Развитие технологий в области электроники и связи привело к значительным изменениям в конструкции и функционале электросчетчиков. Простые устройства, которые лишь фиксировали показания, постепенно уступили место интеллектуальным системам, способным собирать и передавать данные в режиме реального времени. Они помогают оптимизировать работу энергосетей, прогнозировать нагрузки и предотвращать аварии. Ключевой составляющей устройства электросчетчиков является микроэлектроника. Благодаря современным схемотехническим решениям она обеспечивает высокую точность измерений и надежную передачу данных при минимальном энергопотреблении. Электросчетчики подразделяются на однофазные и трехфазные в зависимости от типа

Электросчётчики стали неотъемлемой частью энергосистем и используются повсеместно для точного измерения объема потребленной электроэнергии. Однако сегодня выполняют и дополнительные задачи, такие как мониторинг качества электроэнергии, обнаружение перегрузок и интеграцию в «умный дом».

Развитие технологий в области электроники и связи привело к значительным изменениям в конструкции и функционале электросчетчиков. Простые устройства, которые лишь фиксировали показания, постепенно уступили место интеллектуальным системам, способным собирать и передавать данные в режиме реального времени. Они помогают оптимизировать работу энергосетей, прогнозировать нагрузки и предотвращать аварии.

Ключевой составляющей устройства электросчетчиков является микроэлектроника. Благодаря современным схемотехническим решениям она обеспечивает высокую точность измерений и надежную передачу данных при минимальном энергопотреблении.

Электросчетчики подразделяются на однофазные и трехфазные в зависимости от типа электрической сети, в которой они используются. Они отличаются сферой применения и схемотехническими решениями, обеспечивающими их работу.

Однофазные счетчики предназначены для работы в сетях с напряжением 220 В и частотой 50 Гц, которые наиболее распространены в жилых домах и малых коммерческих объектах. Измеряют потребление энергии только в одной фазе, что делает их конструкцию сравнительно простой.

Трехфазные счетчики предназначены для работы в сетях с напряжением 380 В, которые используются на промышленных объектах, крупных предприятиях и в зданиях с высоким энергопотреблением. Такие счетчики могут работать как в трехфазных сетях с симметричной нагрузкой, так и с асимметричной. Приборы характеризуются более сложной конструкцией по сравнению с однофазными счетчиками и расширенным функционалом (учет перекоса фаз, гармоник и других параметров).

Современные разработки в области электросхемотехники позволяют создавать универсальные решения для любых потребностей, делая учет энергии точным и удобным.

Далее в статье:

В следующей статье:

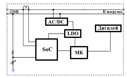
Рассмотрим структуру однофазного счетчика электроэнергии, которая представлена на рисунке ниже.

-2

Как видно из рисунка, основу современных счетчиков электроэнергии составляет специальная микросхема – система-на-кристалле (SoC), которая обеспечивает съем параметров электросети (напряжение, ток) и их преобразование в полезную информацию для последующей цифровой системы (например, микроконтроллера) или для непосредственного вывода на дисплей.

Такие микросхемы выпускает китайская компания Shanghai Belling Corp., Ltd. (далее Belling), которая входит в линейку поставок компании Матрикс Электроника.

Belling была основана Шанхайским муниципальным бюро приборостроения и компанией Shanghai Bell в сентябре 1988 года и на сегодняшний день является крупным в Китае производителем полупроводниковых устройств, таких как микросхемы управления питанием, АЦП, ЦАП, полевые транзисторы, память EEPROM, цифровые изоляторы и, конечно, микросхемы для счетчиков электроэнергии.

Микросхемы для электросчетчиков Belling не уступают по качеству измерителям электроэнергии серии ADE компании Analog Devices и могут служить в качестве их функциональной замены.

Компания выпускает довольно широкий ассортимент микросхем для однофазных счетчиков электроэнергии, основные из которых перечислены в таблице ниже.

-3

Рассмотрим структуру и принцип работы SoC Belling на примере BL0940. Функциональную блок-схему этой микросхемы можно увидеть ниже.

-4

Система-на-кристалле BL0940 со внутренней системой тактирования (Internal Clock), схемой сброса по питанию (Power On/Reset), LDO-стабилизатором и ИОН (Reference Voltage) сочетает в себе 2 высокоточных АЦП на основе сигма-дельта модуляторов (SDM) с программируемыми усилителями (PGA) на входах для одновременного измерения тока и напряжения.

Эта микросхема может измерять и вычислять электрические параметры, такие как среднеквадратичные ток и напряжение, активную мощность, моментальное значение тока (для защиты от перегрузки по току), а также обеспечивает обнаружение температуры за счет датчика температуры (Temperature Sensor). Все вычисления выполняются в процессоре цифровой обработки сигналов (DSP), а выводятся данные через интерфейс UART или SPI.

Характеристики и особенности:

  • диапазон тока от 10 мА до 35 А при 1 МОм;
  • диапазон активной энергии от 1 Вт до 7700 Вт при 1 МОм и 220 В;
  • измерение среднеквадратичного напряжения и тока, мгновенного тока, активной мощности, активной энергии;
  • погрешность усиления составляет менее 1% без калибровки, когда периферийные компоненты соответствуют определенным условиям;
  • токовый канал поддерживает функцию контроля перегрузки по току, порог и время отклика можно настроить;
  • имеется логический выход при пересечении синусоидой напряжения нуля;
  • встроенный регистр формы сигнала для анализа типа нагрузки;
  • SPI работает на частоте до 900 кГц, UART работает со скоростью 4800 бит/с;
  • встроенная функция мониторинга питания, сброс микросхемы, когда напряжение питания ниже 2,7 В;
  • встроенный источник опорного напряжения 1,218 В;
  • встроенная схема генератора 4 МГц;
  • источник питания 3,3 В, низкое энергопотребление 10 мВт.
-5

Для питания различных компонентов внутри счетчика необходим, как минимум AC/DC преобразователь, который сможет преобразовать переменное напряжение сети 220 В в постоянное напряжение питания компонентов (например, 5 В или 3,3 В) или в промежуточное постоянное напряжение, которое затем уменьшит LDO-стабилизатор или DC/DC преобразователь.

Компания Belling выпускает микросхемы AC/DC преобразователей как с регулированием по первичной цепи преобразователя (PSR), так и по вторичной цепи (SSR).

В качестве PSR-преобразователя можно взять BL8802, выпускаемый в корпусе DIP-7. Он оснащен полевым транзистором на 1000 В и обеспечивает выходную мощность 15 Вт.

Ниже на рисунке показана типичная цепь AC/DC преобразователя на основе BL8802.

-6

Для формирования схемы с SSR-преобразователем можно взять ШИМ-преобразователь BL8851 в корпусе SOT23-6. Он обеспечивает выходную мощность 60 Вт и при этом использует внешний полевой транзистор.

Схема на его основе BL8851 показана ниже.

-7

Продолжим вас знакомить с решениями для электросчетчиков в следующей статье.

Расскажем про:

Для получения квалифицированной помощи по продуктам свяжитесь с нами — наши специалисты всегда готовы вам помочь.

Сайт: gcmatrix.com

Email: info@gcmatrix.com