Найти в Дзене

Автоматы лестничного освещения с акустическим датчиком и функцией таймера

Автор: Одинец Александр В статье рассмотрены два автомата, представляющие собой так называемые «трёхполюсник» и «двухполюсник». Первый автомат включает лампу накаливания на время от 15 с до 2 мин при появлении звуковых сигналов. Выдержка времени продлевается по мере поступления новых звуковых сигналов. Второй вариант автомата обеспечивает двухступенчатую задержку выключения освещения. По прошествии половины временно́го интервала автомат уменьшает яркость лампы накаливания до 50%, а по прошествии всей временно́й выдержки уменьшает до 10%. Первый автомат «трёхполюсник» имеет три выходных контакта, а второй автомат – «двухполюсник» – два контакта, что позволяет включать его последовательно с лампой накаливания без необходимости дополнительной проводки. Стандартную сетевую разветвительную коробку промышленного производства, в которую устанавливается каждый из автоматов, можно разместить в любом удобном месте, обеспечив хорошую вентиляцию коммутирующим элементам в целях пожарной безопасност
Оглавление

Автор: Одинец Александр

В статье рассмотрены два автомата, представляющие собой так называемые «трёхполюсник» и «двухполюсник». Первый автомат включает лампу накаливания на время от 15 с до 2 мин при появлении звуковых сигналов. Выдержка времени продлевается по мере поступления новых звуковых сигналов. Второй вариант автомата обеспечивает двухступенчатую задержку выключения освещения. По прошествии половины временно́го интервала автомат уменьшает яркость лампы накаливания до 50%, а по прошествии всей временно́й выдержки уменьшает до 10%.

Общие сведения

Первый автомат «трёхполюсник» имеет три выходных контакта, а второй автомат – «двухполюсник» – два контакта, что позволяет включать его последовательно с лампой накаливания без необходимости дополнительной проводки. Стандартную сетевую разветвительную коробку промышленного производства, в которую устанавливается каждый из автоматов, можно разместить в любом удобном месте, обеспечив хорошую вентиляцию коммутирующим элементам в целях пожарной безопасности.

Значительно увеличить срок службы лампы накаливания можно, только обеспечив наиболее благоприятный режим её работы. Как известно, разрушение нити лампы накаливания происходит в большинстве случаев именно в момент включения, когда сопротивление нити в холодном состоянии почти в 10 раз меньше, чем в разогретом. Разогрев нити происходит в течение нескольких полупериодов сетевого напряжения, поэтому при включении происходит большой бросок тока, достигающий по амплитуде нескольких ампер. Применение тиристорного регулятора яркости с фазоимпульсным управлением в составе автомата лестничного освещения позволяет ограничить максимальное напряжение в вечерние часы, когда оно возрастает по причине уменьшения числа потребителей. Такой автомат можно дополнить акустическим датчиком и функцией таймера, что позволит при появлении звукового сигнала включать лампу накаливания с максимальной яркостью на время от 15 секунд до 2 минут. Кроме того, ограничение по времени включения лампы накаливания позволяет достичь дополнительной экономии электроэнергии.

Схема электрическая и принцип работы первого варианта устройства

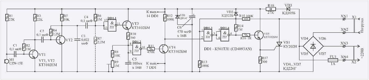
Первый вариант автомата с акустическим датчиком (микрофоном), схема электрическая которого показана на рис. 1, при звуке шагов, хлопке закрываемой двери и других достаточно громких звуках автоматически включает свет на лестничной площадке, в арке или где-нибудь в подсобном помещении.

Рис. 1. Автомат лестничного освещения c акустическим датчиком. Схема электрическая принципиальная
Рис. 1. Автомат лестничного освещения c акустическим датчиком. Схема электрическая принципиальная

После прекращения звуковых сигналов производится выдержка времени (от 15 с до 2 мин), после чего освещение выключается. Автомат обладает высокой чувствительностью, питается непосредственно от осветительной сети и не требует применения дополнительных блоков питания.

Работает автомат следующим образом. При появлении звукового сигнала переменное напряжение амплитудой несколько милливольт с выхода микрофона через разделительный конденсатор C1 поступает на двухкаскадный усилитель, выполненный на транзисторах VT1 и VT2, и после усиления до напряжения 6…7 В через разделительный конденсатор C4 поступает на входы триггера Шмитта DD1.1, который формирует на выходе прямоугольные импульсы положительной полярности. Каждый такой импульс открывает эмиттерный повторитель VT3, усиливающий сигнал по току, и быстро заряжает конденсатор C5. На входах элемента DD1.2 формируется уровень лог. 1, который, инвертируясь, закрывает ключевой транзистор VT4 и формирует на его коллекторе, благодаря резистору R12, напряжение уровня лог. 1, разрешающее работу схемы управления коммутирующим тиристором VS1.

Для коммутации лампы накаливания используется узел на основе цифрового компаратора, рассмотренный в [1], который реализует наиболее экономичное импульсное управление тиристором в моменты перехода сетевого напряжения, близкие к нулю. Опыт повторения автором данной конструкции показал частичную неработоспособность данного автомата по приведённой в [1] схеме двухполюсника, однако схемотехническое решение управления коммутирующим тиристором заслуживает внимания, так как позволяет значительно повысить экономичность автомата и рассеивание мощности на балластном резисторе за счёт импульсного управления тиристором, а не постоянным током. Рассмотрение причин неработоспособности оригинальной конструкции [1] выходит за рамки данной статьи, но здесь отметим, что автору всё-таки удалось заставить работать оригинальный автомат управления освещением, но только включив его по схеме «трёхполюсника».

В схеме на рис. 1 на элементах DD1.3 и DD1.4 выполнен вышеназванный компаратор, срабатывающий при каждой полуволне сетевого напряжения в момент, когда её значение достигает порога переключения элемента DD1.3 (примерно половина питающего напряжения ИМС). При этом на выходе элемента DD1.4 формируются положительные импульсы, равные по длительности времени открывания тиристора. Каждый такой импульс открывает транзистор VT5. В результате тиристор VS1 также открывается и подключает лампу накаливания последовательно с диодным мостом. Но после этого напряжение на тиристоре уменьшается примерно до 1,5 В, что приводит компаратор, собранный на элементах DD1.3 и DD1.4, в исходное состояние, напряжение с выхода которого закрывает транзистор VT5. Тиристор же остаётся в открытом состоянии до тех пор, пока сетевое напряжение не достигнет «нулевого» значения. Затем начнётся вторая полуволна сетевого напряжения и описанный процесс повторится.

Ток протекает через транзистор VT5, а значит, и подаётся на управляющий электрод тиристора, только в течение времени, необходимого для открывания тиристора, – несколько десятков микросекунд. Таким образом, тиристор открывается коротким мощным импульсом тока с небольшой задержкой после начала каждой полуволны сетевого напряжения. Это и обеспечивает устройству высокую экономичность, а тиристору – надёжное включение.

После исчезновения звукового сигнала конденсатор C5 начинает постепенно разряжаться, и когда напряжение на нём снизится до порога переключения элемента DD1.2, напряжение на коллекторе транзистора VT4 упадёт до нуля, и лампа накаливания погаснет. При появлении новых звуковых сигналов открывающийся транзистор VT3 будет подзаряжать конденсатор C5, и время выдержки будет продлеваться. Время задержки свечения лампы накаливания определяется ёмкостью конденсатора C5 и величиной введённой части сопротивления подстроечного резистора R9 и может изменяться в пределах от 15 секунд до 2 минут.

Рис. 2. Автомат лестничного освещения с акустическим датчиком. Рисунок печатной плат
Рис. 2. Автомат лестничного освещения с акустическим датчиком. Рисунок печатной плат

Конструкция и детали. Данный автомат собран на печатной плате (рис. 2) из одностороннего фольгированного стеклотекстолита толщиной 1,5 мм из квадратной заготовки размерами 78×78 мм. Для установки в стандартную пластмассовую сетевую разветвительную коробку типа КЭМ5-10-7 в квадратной заготовке вырезаются уголки размерами 13×13 мм. В автомате применены постоянные резисторы типа МЛТ-0,125, МЛТ-0,5 (R15), МЛТ-2 (R18), подстроечный – СП3-38б в горизонтальном исполнении, электролитические конденсаторы – типа К50-35 или аналогичные импортные, неполярные – К10-17. Микрофон может быть типа CZN-15E, МКЭ-332, МКЭ-333, МКЭ-389-1 (используются в телефонии). На месте стабилитрона VD1 могут работать Д814В (а также с индексами «Г», «Д»), Д810, Д811, Д812, КС510, КС512 или аналогичные импортные маломощные с напряжением стабилизации 10…12 В – BZX55C10, BZX55C12. Диод VD2 – любой маломощный кремниевый из серий КД503, КД521, КД522, 1N4148 – ограничивает напряжение, подводимое к входу элемента DD1.3 с делителя R13–R15 уровнем, чуть превышающим (на величину прямого напряжения диода VD2) напряжение питания микросхемы. Диод VD3 – типа КД105 с индексами «Б», «В», «Г» или Д226 с индексами «Б», «В» или КД209 с индексами «А», «Б», «В». Диоды моста VD4…VD7 могут быть из серии КД226 с индексами «Г», «Д», «Е» или другие с минимально допустимым током не менее 1 А и обратным напряжением не менее 400 В. На месте тиристора VS1 могут работать КУ201 с индексами «К», «Л», «М» (при мощности нагрузки до 300 Вт), а также КУ202М, КУ202Н (при мощности нагрузки до 2 КВт). Во втором случае диоды выпрямительного моста должны быть рассчитаны на ток не менее 10 А и все силовые элементы должны устанавливаться на теплоотводящие радиаторы. Транзисторы VT1, VT2 должны быть из серии КТ3102 с индексом «ЕМ» или импортные ВС547C или BC549C, но обязательно со статическим коэффициентом передачи тока не менее 400; VT3…VT5 – из серий КТ3102, КТ503 с любым буквенным индексом. Микросхема К561ТЛ1 (CD4093AN) заменима на КР1561ТЛ1 (CD4093BN).

Автомат в настройке практически не нуждается, за исключением установки желаемого времени задержки свечения лампы накаливания после исчезновения звукового сигнала с помощью резистора R9. Для получения ещё большей чувствительности (для срабатывания на звук поворота ключа в замочной скважине) в устройство устанавливают резистор R7 сопротивлением 2,2 МОм, показанный на схеме штриховой линией.

Схема электрическая и принцип работы второго варианта устройства

В качестве базового схемотехнического решения второго варианта автомата лестничного освещения (рис. 4) используется тиристорный регулятор яркости [2] с некоторыми изменениями (рис. 3).

Рис. 3. Автомат защиты ламп накаливания. Схема электрическая принципиальная
Рис. 3. Автомат защиты ламп накаливания. Схема электрическая принципиальная
Рис. 4. Автомат лестничного освещения с функцией таймера. Схема электрическая принципиальная
Рис. 4. Автомат лестничного освещения с функцией таймера. Схема электрическая принципиальная

В частности, два транзистора КТ361, образующие составной, заменены одним из серии КТ3107ЕМ с большим коэффициентом усиления, а для уменьшения времени разрядки конденсатора С1 после выключения питания введён резистор R2.

Автомат (рис. 4) обеспечивает ступенчатое снижение яркости лампы накаливания по прошествии половины выдержки времени, а после полного завершения отсчёта всего временно́го интервала переходит в режим пониженного энергопотребления с минимальной яркостью лампы. Длительность выдержки может составлять от 1 до 18 часов. Соответственно полупериод отсчёта составляет от 30 минут до 9 часов. По прошествии полупериода отсчёта времени яркость лампы снижается вдвое, к примеру, до 50% от максимальной, что исключает превышение максимально допустимого напряжения в вечерние часы, когда число потребителей сокращается и напряжение в сети возрастает.

Благодаря применению фазоимпульсного регулятора яркости (рис. 3) в своём составе автомат обеспечивает плавное нарастание тока в момент включения в течение 1 с, что исключает бросок тока благодаря плавному разогреву нити накаливания. Данный автомат (рис. 4) использует фазоимпульсное управление моментом включения тиристора, что определяет мощность, отдаваемую в нагрузку. Сущность фазоимпульсного метода заключается в изменении задержки до момента открывания тиристора, считая с момента перехода сетевого напряжения через нуль. Чем раньше открывается тиристор, тем больше мощность, отдаваемая в нагрузку, и наоборот – чем позже открывается тиристор, тем меньше мощность, отдаваемая в нагрузку.

В начальный момент времени, когда сетевое напряжение близко к нулю, конденсатор C2 разряжен, транзисторы VT2, VT3 и тиристор VS1 закрыты. После завершения зарядки конденсатора C1 транзистор VT1 полностью открыт, и момент открывания тиристора определяется только постоянной времени цепи R4-R5-C2. По мере заряда конденсатора С2 падение напряжения на эмиттерном переходе транзистора VT2 возрастает. При достижении значения около 0,6 В начинает приоткрываться транзистор VT3, поскольку в его базовой цепи начинает протекать ток. Это приводит к ещё большему увеличению тока базы транзистора VT2 и лавинообразному включению двух последних и тиристора. Момент появления тока управляющего электрода тиристора VS1 определяет мощность, отдаваемую в нагрузку.

Схема электрическая усовершенствованного варианта автомата лестничного освещения, предназначенного для ступенчатого снижения яркости лампы, приведена на рис. 4. В его составе используется рассмотренный выше тиристорный регулятор яркости с фазоимпульсным управлением, но для нормальной работы автомата и обеспечения питающих напряжений в состав регулятора введена цепочка последовательно включённых резисторов R29–R30, задающая начальную яркость свечения лампы накаливания на уровне 10…15%. Это необходимо для получения стабильного питающего напряжения автомата «+5 В».

В момент замыкания цепи питания (SA1) падение напряжения на лампе накаливания максимально, и, так как в состав параметрического стабилизатора введены балластные конденсаторы C5, C6 относительно небольшой ёмкости, зарядка конденсатора C4 происходит не сразу, а в течение десятых долей секунды. По этой причине постоянная времени интегрирующей цепи R4–C2 выбрана несколько больше времени установления питающего напряжения «+5 В» на выходе интегрального стабилизатора DA1 для обеспечения надёжного обнуления счётчиков DD2 и DD3 в момент включения питания. После установления питающего напряжения «+5 В» на входе инвертирующего элемента DD1.3 с триггером Шмитта ещё некоторое время (определяется номиналами R4, C2) поддерживается уровень лог. 0, который после инвертирования этим элементом обнуляет счётчики DD2 и DD3.

После установки счётчиков DD2 и DD3 в нулевое состояние на выходе «Q12» счётчика DD3 (вывод 1) старшего разряда появляется уровень лог. 0, который, инвертируясь элементом DD1.5, закрывает диод VD8, и, благодаря уровню лог. 1 с выхода элемента DD1.6, открывается ключевой транзистор VT1. Нижний по схеме вывод резистора R18 оказывается подключённым к общему проводу, и происходит зарядка конденсатора C7. Яркость лампы накаливания возрастает в течение 1 с до максимального значения, определяемого сопротивлением резистора R27. Для указанного на схеме номинала R27 максимальное значение яркости составляет около 80%. Таким образом, при первом включении автомата лампа накаливания горит с максимальной яркостью 80% в течение полупериода отсчёта временно́го интервала. Ещё большую яркость лампы (до 95%) можно обеспечить, только включив автомат по схеме «трёхполюсника», как в случае первого варианта автомата (рис. 1). Для автомата лестничного освещения ограничение максимальной яркости непринципиально, поскольку большой яркости освещения обычно не требуется, но в случае необходимости компенсировать потерю яркости можно за счёт установки лампы накаливания большей мощности.

Одновременно уровень лог. 1 с выхода элемента DD1.5 закрывает диод VD1 и разрешает работу генератора, собранного на элементах DD1.1, DD1.2, R1…R3, С1. Импульсы положительной полярности являются счётными для DD2, а импульсы с его выхода – счётными для DD3, который при достижении 1024 состояния формирует на выходе своего предпоследнего разряда «Q11» (вывод 15) уровень лог. 1. Этот уровень открывает транзистор VT2, а вслед за ним – и VT3. Уровень лог. 0 с выхода элемента DD1.6 закрывает транзистор VT1, и яркость лампы теперь определяется введённым сопротивлением резистора R28 и может быть выбрана в диапазоне 10…80%.

При достижении счётчиком DD3 своего 2048 состояния уровень лог. 1 на выходе его разряда «Q11» (вывод 15) сменяется уровнем лог. 0, а на выходе старшего разряда «Q12» (вывод 1) счётчика появляется уровень лог. 1, который, инвертируясь элементом DD1.5, приводит к остановке генератора. Этот же уровень лог. 0 шунтирует правый по схеме вывод резистора R14 на «землю» и закрывает транзистор VT1. Одновременно уровнем лог. 0 с выхода «Q11» счётчика DD3 закрываются транзисторы VT2 и VT3, и автомат переходит в режим ожидания с минимальной яркостью (устанавливается резистором R30), что необходимо для обеспечения минимального энергопотребления.

Визуальную оценку прошедшего времени выдержки (при настройке таймера) производят по линейкам светодиодов HL1…HL4 и HL5…HL8 (для удобства HL1, HL2, HL5, HL6 выбраны зелёные, HL3, HL7 – жёлтые и HL4, HL8 – красные).

Рис. 5. Автомат лестничного освещения с функцией таймера. Рисунок печатной платы
Рис. 5. Автомат лестничного освещения с функцией таймера. Рисунок печатной платы

Конструкция и детали. Данный автомат собран на печатной плате (рис. 5) из двустороннего стеклотекстолита толщиной 1,5 мм из квадратной заготовки размерами 78×78 мм. Для установки в стандартную сетевую разветвительную коробку типа КЭМ5-10-7 в квадратной заготовке вырезаются уголки размерами 13×13 мм. В автомате применены постоянные резисторы МЛТ-0,125, МЛТ-2 (R33), подстроечные СП3-38б в горизонтальном исполнении, балластные конденсаторы С5, С6 типа К73-17 с номинальным напряжением 400 В, остальные неполярные – К10-17, электролитические – К50-35. На месте стабилитронов VD2, VD7, как и в предыдущем варианте, могут работать Д814В (а также с индексами «Г», «Д»), КС510, КС512, КС515 или аналогичные импортные маломощные BZX55C10, BZX55C12, BZX55C15 с напряжением стабилизации 10…15 В. Транзисторы VT1, VT2, VT6 могут быть из серии КТ3102 с любыми индексами или импортные BC547; VT3…VT5 – КТ3107 или импортные BC557. ИМС DD1 КР1564ТЛ2 (74HC14N), содержащая шесть триггеров Шмитта, заменима CD40106, счётчик КР1561ИЕ20 (CD4040BN) заменим КР1564ИЕ20 (74HC4040N).

Настройка второго варианта устройства заключается в установке минимальной яркости в режиме ожидания с помощью резистора R30, яркости в режиме пониженного энергопотребления резистором R28 и времени выдержки резистором R3. При мощности лампы накаливания более 75 Вт тиристор необходимо установить на теплоотвод.

Внимание! Элементы устройств имеют непосредственный гальванический контакт с сетью 220 В / 50 Гц, поэтому при работе с ними следует соблюдать требования техники безопасности! При настройке следует использовать отвёртку с ручкой из изоляционного материала, а также избегать прикосновения к элементам, находящимся под напряжением сети!

Литература

  1. Нечаев И. Автомат управляет освещением // Радио. 1996. № 5. С. 46–47.
  2. Регулируем яркость светильника // Радио. 1992. № 1. С. 22.

© СТА-ПРЕСС, 2025