Добавить в корзинуПозвонить
Найти в Дзене
Валерий Грачиков

«Телевизор в линзу так хорошо видно». КВН-49 – история легенды и где на нее можно посмотреть сейчас

7 октября 1949 года на первой странице газеты «Московский большевик» появилась небольшая заметка, давшая начало большой эпохе. Заводы Минсвязи начали производство новой модели телевизора: «… выпущен новый упрощенный телевизионный приемник «КВН-49», сконструированный под руководством инженера В.К.Кенигсона. Новый приемник имеет оригинальную схему управления, меньшее количество ламп и высокие технические показатели качества принимаемого изображения. Он может быть снабжен специальной увеличительной линзой. Образцы новых приемников утверждены и пущены в серийное производство». Так советская промышленность и торговля начали выпускать и продавать знаменитый «КВН» - первый действительно массовый телевизор в СССР. «КВН» станет героем восторженных репортажей и критических заметок, опытные радиолюбители станут использовать его для дальнего приема телевизионных программ, а большинство владельцев станут ругать за регулярные поломки, неторопливость гарантийных мастерских и отсутствие запчастей в ма
Оглавление

7 октября 1949 года на первой странице газеты «Московский большевик» появилась небольшая заметка, давшая начало большой эпохе. Заводы Минсвязи начали производство новой модели телевизора:

«… выпущен новый упрощенный телевизионный приемник «КВН-49», сконструированный под руководством инженера В.К.Кенигсона.
Новый приемник имеет оригинальную схему управления, меньшее количество ламп и высокие технические показатели качества принимаемого изображения. Он может быть снабжен специальной увеличительной линзой.
Образцы новых приемников утверждены и пущены в серийное производство».
-2

Так советская промышленность и торговля начали выпускать и продавать знаменитый «КВН» - первый действительно массовый телевизор в СССР. «КВН» станет героем восторженных репортажей и критических заметок, опытные радиолюбители станут использовать его для дальнего приема телевизионных программ, а большинство владельцев станут ругать за регулярные поломки, неторопливость гарантийных мастерских и отсутствие запчастей в магазинов, начиная от ламп и заканчивая кинескопами.

Посмотрите, насколько разными были заметки, связанные с телевизором «КВН-49» в советских газетах:

-3

«Вечерняя Москва» 19 августа 1953 года

«Торговля телевизорами

Сегодня утром на квартире слесаря С.Зотова, проживающего по 1-й Извозной улице, в доме №2, появилась новая вещь – телевизор КВН-49-4. Рабочий приобрел его в филиале №5 Центрального универмага по Можайскому шоссе.

Сегодня в этом же магазине в числе многих других приобрел телевизор слесарь одного из заводов города Подольска К. Кириллов.

С каждым месяцем увеличивается продажа населению телевизионных аппаратов. За семь с половиной месяцев этого года в магазинах Москвы их продано несколько десятков тысяч. Только филиал №5 Центрального универмага продал за это время 10500 телевизоров Т-2 и 10118 – КВН-49-4…»

«Вечерняя Москва» 13 января 1951 года

«Телевизор бездействует
… Из пяти месяцев гарантийного срока телевизор не работает уже три месяца, констатирует товарищ Злочевский, - Чего же стоит такая гарантия?»
-4

«Вечерняя Москва» 29 мая 1956 года

«Управление торговли промышленных товаров Мосгорисполкома доводит до сведения населения, что с 22 мая розничная цена на телевизор КВН-49 значительно снижена. Вместо прежней стоимости телевизора «КВН-49» - 1275 рублей установлена цена 950 рублей…»

-5

«Вечерняя Москва» 25 сентября 1958 года

«Запасных частей нет

…Те же мытарства с поисками запасных частей приходится испытывать в магазинах Москультторга владельцам телевизоров «КВН-49»

«К нам обращаются тысячи москвичей, разыскивающих фокусирующую отклоняющую систему, строчной и силовой трансформаторы, сопротивление фокусировки и т. д. И всем им приходится отвечать отказом этих деталей в продаже давно нет», пишет в редакцию директор специализированного магазина Москультторга No 14 Н. Тарасов.

Со второй половины 1956 года Александровский завод прекратил выпуск телевизоров «КВН-49». Одновременно там перестали делать и запасные части к ним, не подумав о людях, которые еще многие годы будут пользоваться этим телевизором…»

-6

«Московский большевик» 19 декабря 1958 года

«Где купить кинескоп?

Уважаемая редакция!

Я имею телевизор «КВН-49». К несчастью, в телевизоре испортился кинескоп. Я ищу его целый месяц, и все безрезультатно. В телеателье No 41 мне сказали, что нужно записаться в очередь. Как я выяснил, купить нужный мне кинескоп я смогу лишь... в мае.

Неужели производство этих кинескопов неразрешимая техническая проблема?

Е. В. СОКОЛОВ.

ОТ РЕДАКЦИИ. К нам поступает много писем, в которых в владельцы телевизоров «КВН-49» жалуются на трудности, связанные с приобретением кинескопов. В чем же причина этих трудностей?

С таким вопросом мы обратились к работникам Москультторга. Товаровед по радиотоварам т. Тимофеева сообщила, что в этом году торговой сети недодано 70 тысяч таких кинескопов. Ежемесячно их выпускается только 20 тысяч, причем это количество предназначается как для продажи, так и для ремонта в телеателье…»

-7

«Вечерняя Москва» 6 февраля 1957 года

«ДАЛЬНИЙ ТЕЛЕВИЗИОННЫЙ ПРИЕМ

ВОРОШИЛОВ (Приморский край), 5 февраля. (ТАСС). Радиолюбитель Б. Василенко ко одним из первых в Ворошилове начал принимать передачи Владивостокского телецентра. Он сконструировал поворотную пятиэлементную антенну и использовал к телевизору КВН-49 стандартную усилительную приставку УТП-1.

Однажды, настраивая телевизор, он поставил антеину под необычным углом. На экране телевизора появилось изображение. Шла передача токийского телецентра. Тов. Василенко первым из приморских телезрителей стал смотреть телевизионные передачи из Японии.»

Так и хочется заметить – повезло товарищу Василенко, что времена другие наступили. Году бы в 1950-м он бы попробовал поймать передачи Токийского телецентра… Мигом бы в шпионах оказался… Но это я отвлекся немного.

-8

Коротко о конструкции и некоторых интересных моментах эксплуатации

Вообще «КВН» расшифровывался как «Кенигсон-Варшавский-Николаевский» по фамилиям трех ведущих разработчиков. Но «добродушный» советский народ, разумеется придумал свою расшифровку аббревиатуры - «Купил. Включил. Не работает». Проблем с этими телевизорами на самом деле было достаточно – около половины купленных телевизоров попадали на ремонт в течение гарантийного срока, который тогда составлял всего пять месяцев. Причем проблема заключалась не только в поломках, а в том, что детали на замену славная советская промышленность в нужном количестве изготовить не успевала. Пример с кинескопами приведен выше.

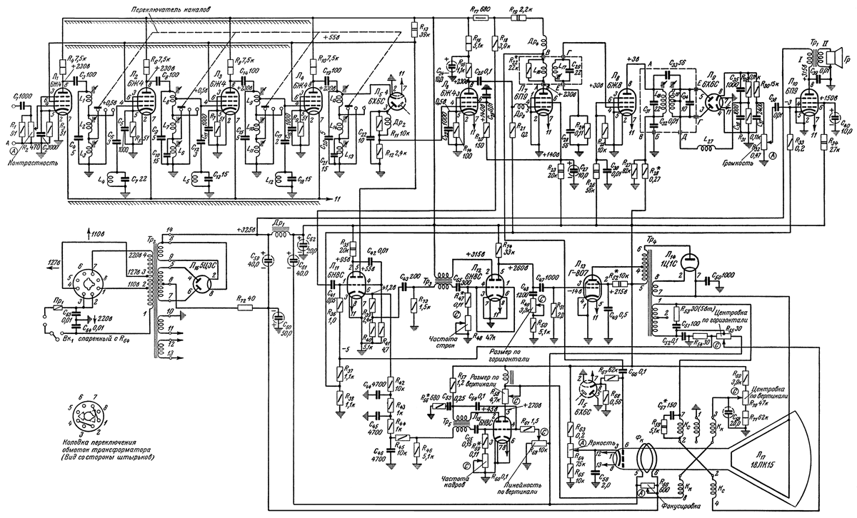
Схема электрическая принципиальная телевизора КВН-49
Схема электрическая принципиальная телевизора КВН-49

Схему КВН-49 разработчики реализовали на 16 лампах и кинескопе 18ЛК1Б. Размер изображения составил 140 на 105 мм – с открытку, поэтому для его увеличения использовалась линза, заполненная глицерином или дистилированной водой. Помните грустный монолог Петросяна, когда он еще не свалился в похабную петросянщину?! «Телевизор в линзу так хорошо видно». На КВН-49 можно было принимать три телевизионных канала. Этого было вполне достаточно, в СССР даже на самом закате больше не было.

-10

Интересно, что в шестидесятые годы телеателье делали капитальную доработку КВН-49 – заменяя в них кинескопы 18ЛК1Б на 35ЛК2Б, то есть ставили кинескоп с диагональю экрана почти в два раза больше!

-11

В 1968 году Министерством бытового обслуживания РСФСР была даже выпущена официальная технология такой доработки. Впрочем, пользовался ли ей кто-то, несмотря на то, что в газетах регулярно публиковались объявления. Ведь сейчас в музеях можно увидеть довольно много КВН-49. Но в обычном исполнении. А вот с кинескопом 35ЛК2Б я лично «живьем» КВН-49 не видел ни разу.

Где сегодня можно увидеть, а еще лучше посмотреть на работающий КВН-49

На самом деле этих телевизоров сохранилось много, эту культовую модель выставляют во многих музеях, чтобы туристы говорили:

«ВАУ! Смотри! Это же тот самый КВН!!!»

КВН-49 стоит в музее техники Вадима Задорожного.

-12

В не очень хорошем состоянии КВН-49 имеется в коллекции музея «Коломенский патефон».

-13

Конечно, КВН-49 есть в музее в Александрове, где располагался телевизионный завод, на котором изготовили большую часть этих телевизоров для советских граждан. Стоит такой телевизор и в музее Мосфильма

-14

Свой КВН-49 есть в огромной коллекции разнообразной техники в Верхней Пышме и музее Уралмашзавода.

-15

А в Нижнем Новгороде в музее техники на Большой Покровской, если оплатить экскурсию, то вам даже включат КВН-49 и вы сможете несколько минут посмотреть телевизор через линзу, как дедушки и бабушки.

-16

Само собой, покажут вам не эфирные передачи, а запись с DVD-плеера. Причем для того, чтобы его подключить, телевизор пришлось доработать, так как, конечно, в 1949 году и при дальнейших модернизациях в схему телевизора не включали отдельный вход для видеосигнала. Тогда о том, что дома появятся видеомагнитофоны и проигрыватели на лазерных дисках еще не задумывались. А теперь без такой доработки даже по работающему КВН-49 ничего посмотреть не получится, потому что у нас нет аналогового телевещания, только цифровое. А подключить цифровой приемник к КВН-49 без доработки не получится, нужен видеовход.

Но тем не менее – после доработки работает. На восстановленном кинескопе вполне разборчивое, хоть и небольшое изображение. И это не единственный такой раритет, в Интернете можно найти ролики в которых показывается процесс и результаты реставрации первого советского массового телевизора.

-----------

Не ленитесь, ставьте лайки :) Они поднимают настроение и вместе с вашей подпиской помогают развитию канала. А еще можно подписаться на телеграм-канал с дополнительными материалами.