Добавить в корзинуПозвонить
Найти в Дзене
ПГСник🏗️

Виды чертежей и их роль в строительстве, КЖ чертежи.

Оглавление

  • Строительство сложных объектов, таких как атомные электростанции или промышленные здания, невозможно без детальной проектной документации. Чертежи марки КЖ (конструкции железобетонные) играют ключевую роль в этом процессе. Давайте разберем основные виды чертежей, их назначение и области применения.

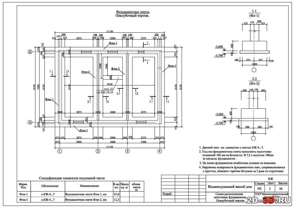
Опалубочные чертежи

-2

  • Опалубочные чертежи используются для создания временной формы, в которую заливается бетон. Они обеспечивают правильную геометрию конструкций, таких как стены, перекрытия и фундаменты. Эти чертежи особенно важны при возведении монолитных железобетонных сооружений, где точность форм критически важна.

Чертежи армирования

-3

  • Чертежи армирования показывают расположение и спецификации арматуры внутри бетонных конструкций. Они необходимы для обеспечения прочности и долговечности зданий, особенно в сейсмически активных зонах. Эти документы детализируют диаметр, шаг и способ укладки стальных стержней, что позволяет избежать ошибок на этапе строительства.

Чертежи гидроизоляции

-4

  • Чертежи гидроизоляции разрабатываются для защиты конструкций от влаги и коррозии. Они указывают места установки гидроизоляционных материалов и проходок, что особенно важно для фундаментов и подземных частей зданий, таких как котлованы атомных станций.

Чертежи геометрических размеров

  • Эти чертежи содержат информацию о габаритах и контурах железобетонных конструкций, включая привязку закладных деталей и проемов. Их используют для объектов с большим количеством технологических пересечений, чтобы упростить чтение арматурных чертежей и обеспечить точность сборки.

Где применяются и зачем нужны?

  • Чертежи марки КЖ широко применяются в строительстве промышленных объектов, таких как атомные электростанции и многоэтажные здания. Они обеспечивают:
  • Устойчивость и прочность — благодаря правильному армированию и расчетам.
  • Безопасность — за счет соблюдения норм (например, СП 63.13330.2018).
  • Долговечность — с учетом гидроизоляции и защитных слоев бетона.