Найти в Дзене
Старые схемы...

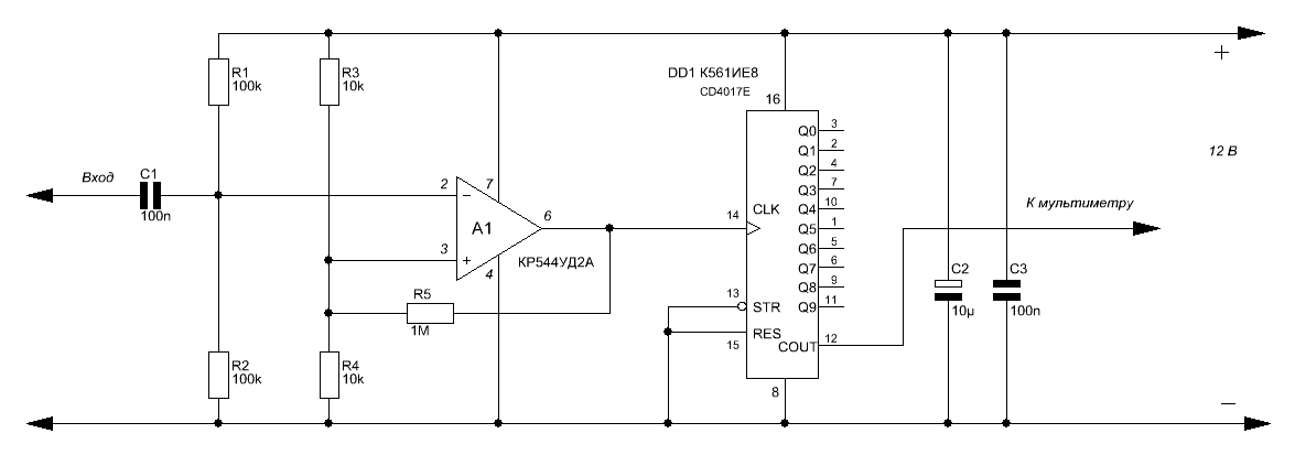
Измерение частоты мультиметром. Делитель частоты для мультиметра.

Многие мультиметры имеют функцию измерения частоты. При подключении к источнику сигнала мультиметр не всегда показывает частоту сигнала. Во многих случаях достаточно подключить к щупу мультиметра разделительный конденсатор емкостью 0,01 – 1 мкФ, для того, чтобы мультиметр показывал измеряемую частоту. У большинства мультиметров предел измерений частоты составляет 20кГц, или 200кГц. Для того чтобы измерить мультиметром более высокую частоту, достаточно к входу мультиметра подключить делитель частоты. Для измерения частоты на выходе цифровых микросхем достаточно подключить между источником сигнала и мультиметром микросхему счетчик. Но если потребуется посмотреть частоту синусоидального сигнала небольшого уровня, то перед счетчиком потребуется установить триггер, который будет формировать сигнал, необходимый для работы счетчика. На рисунке показана схема делителя частоты на 10. На операционном усилителе собран триггер, который формирует прямоугольные импульсы, необходимые для работы счетч
Фото 1.
Фото 1.

Многие мультиметры имеют функцию измерения частоты. При подключении к источнику сигнала мультиметр не всегда показывает частоту сигнала. Во многих случаях достаточно подключить к щупу мультиметра разделительный конденсатор емкостью 0,01 – 1 мкФ, для того, чтобы мультиметр показывал измеряемую частоту. У большинства мультиметров предел измерений частоты составляет 20кГц, или 200кГц.

Рисунок 1.
Рисунок 1.

Для того чтобы измерить мультиметром более высокую частоту, достаточно к входу мультиметра подключить делитель частоты. Для измерения частоты на выходе цифровых микросхем достаточно подключить между источником сигнала и мультиметром микросхему счетчик. Но если потребуется посмотреть частоту синусоидального сигнала небольшого уровня, то перед счетчиком потребуется установить триггер, который будет формировать сигнал, необходимый для работы счетчика. На рисунке показана схема делителя частоты на 10. На операционном усилителе собран триггер, который формирует прямоугольные импульсы, необходимые для работы счетчика. Схему испытывал при входном синусоидальном сигнале 0,25 – 5В и частотой до 1,5МГц.

Фото 2.
Фото 2.

Форма сигнала на выходе ОУ на частоте 100кГц.

Фото 3.
Фото 3.

Форма сигнала на выходе ОУ на частоте 500кГц. Видно, что с повышением частоты форма импульсов на выходе операционного усилителя изменяется.

Фото 4.
Фото 4.

Собранный макет.

При отсутствии указанного ОУ его можно заменить другим быстродействующим ОУ. В разных источниках указана разная частота единичного усиления КР544УД2А, в одних источниках указана частота 15МГц, в других 30МГц.