Найти в Дзене
Старые схемы...

Повторитель на ОУ. Простые опыты.

Самым простым использованием операционного усилителя является использование его в качестве повторителя. В таком включении он повторяет напряжение входного сигнала на выходе. Но при этом ток на выходе микросхемы будет значительно больше чем на входе. На этой схеме повторитель используется в качестве выключателя с задержкой. При нажатии на кнопку происходит зарядка конденсатора. После отпускания кнопки начинается разрядка конденсатора через резистор R1. Напряжение на конденсаторе постепенно уменьшается и яркость свечения светодиода так же уменьшается, после чего светодиод выключается. Если увеличить сопротивление R1, то время разрядки конденсатора увеличится. Собранный макет. Если к выходу операционного усилителя подключить дополнительный транзистор, то можно значительно увеличить выходной ток. Обратите внимание на то, что инвертирующий вход микросхемы подключен не к выходу микросхемы, а к эмиттеру транзистора. В этой схеме операционный усилитель повторяет напряжение с входа 3 на эмиттер
Фото 1.
Фото 1.

Самым простым использованием операционного усилителя является использование его в качестве повторителя. В таком включении он повторяет напряжение входного сигнала на выходе. Но при этом ток на выходе микросхемы будет значительно больше чем на входе.

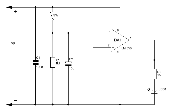
Рисунок 1.
Рисунок 1.

На этой схеме повторитель используется в качестве выключателя с задержкой. При нажатии на кнопку происходит зарядка конденсатора. После отпускания кнопки начинается разрядка конденсатора через резистор R1. Напряжение на конденсаторе постепенно уменьшается и яркость свечения светодиода так же уменьшается, после чего светодиод выключается. Если увеличить сопротивление R1, то время разрядки конденсатора увеличится.

Фото 2.
Фото 2.

Собранный макет.

Рисунок 2.
Рисунок 2.

Если к выходу операционного усилителя подключить дополнительный транзистор, то можно значительно увеличить выходной ток. Обратите внимание на то, что инвертирующий вход микросхемы подключен не к выходу микросхемы, а к эмиттеру транзистора. В этой схеме операционный усилитель повторяет напряжение с входа 3 на эмиттере транзистора. Максимальное выходное напряжение в этой схеме приблизительно на 2В меньше напряжения питания. Данная схема представляет собой простой стабилизатор напряжения.

Схема предназначена для подключения к USB зарядке. Схему защиты не стал рисовать, как правило, USB зарядки имеют защиту от перегрузки. Схему можно использовать для питания устройств работающих от одной, или двух батареек.