Добавить в корзинуПозвонить
Найти в Дзене
Журнал "ИСУП"

Трансформаторы и датчики для измерения силы тока и напряжения российского производства

Cтатья посвящена датчикам тока и напряжения от российского производителя. Искусственный интеллект, в каких бы областях он ни применялся, подразумевает необходимость получения достоверной информации от внешней среды. В связи с этим первичные датчики должны обладать дружественным интерфейсом для передачи данных. Такие датчики дают возможность строить киберфизические системы, позволяющие в автоматическом режиме обеспечивать обмен данными в реальном времени между элементами системы, прогнозировать результаты, определять вероятность поломки или отказа. Следует отметить, что совершенно не обязательно иметь дорогостоящий скоростной интерфейс на каждом датчике, для этого существуют модули сбора информации с нижнего уровня для передачи ее по высокоскоростным каналам на верхний уровень. Поэтому весьма важно выбирать разные недорогие и надежные интерфейсы, принимая во внимание бюджет и информативность. К таким «тихоходным» недорогим интерфейсам относятся давно известные «токовая петля», «сухой ко

Cтатья посвящена датчикам тока и напряжения от российского производителя.

Искусственный интеллект, в каких бы областях он ни применялся, подразумевает необходимость получения достоверной информации от внешней среды. В связи с этим первичные датчики должны обладать дружественным интерфейсом для передачи данных. Такие датчики дают возможность строить киберфизические системы, позволяющие в автоматическом режиме обеспечивать обмен данными в реальном времени между элементами системы, прогнозировать результаты, определять вероятность поломки или отказа.

Следует отметить, что совершенно не обязательно иметь дорогостоящий скоростной интерфейс на каждом датчике, для этого существуют модули сбора информации с нижнего уровня для передачи ее по высокоскоростным каналам на верхний уровень. Поэтому весьма важно выбирать разные недорогие и надежные интерфейсы, принимая во внимание бюджет и информативность. К таким «тихоходным» недорогим интерфейсам относятся давно известные «токовая петля», «сухой контакт» и RS‑485 (Modbus). Причем придуманный еще в 70‑х годах прошлого ве­ка RS‑485 (Modbus) давно должен был уступить дорогу более скоростным и надежным современным протоколам, но, с учетом широкого распространения, по­ка позиции сдавать не собирается. Играет роль и финансовая сторона вопроса – организация короткого канала передачи данных по RS‑485 существенно дешевле, а сам канал более помехоустойчив (особенно в производственных цехах), чем любые другие цифровые каналы передачи данных.

Если рассматривать параметры «токовой петли», «сухого контакта» и RS‑485 с потребительской точки зрения, то первый дешевле, но требует оцифровки, второй еще дешевле, но малоинформативен, третий подороже, за­то отдает данные уже в цифре, позволяющей производить потоковую обработку данных, к то­му же он весьма информативен.

Несомненно, для единичных точек контроля в простейших системах более предпочтительна «токовая петля», что доказывает объем фактических продаж. Это обусловлено тем, что основная масса ПЛК умеет работать с таким интерфейсом, а единственного передаваемого параметра (напряжение или ток) вполне достаточно для управления простыми системами. Получается недорогое и эффективное решение по контролю и автоматизации процессов. Но как только речь заходит о диспетчеризации, анализе потока данных с нескольких датчиков, в том числе быстро меняющихся данных, здесь альтернативы RS‑485 практически нет. Объем внедрения таких цифровых систем постоянно растет, о чем говорит и ежегодный существенный прирост продаж этой продукции. Wi-Fi, Bluetooth, Zigbee и другие технологии практически неработоспособны в условиях индустриальных помех. Максимум, на что они способны, это работать в системах умного до­ма или связать шкафы с автоматикой, стоящие рядом, ну и, возможно, отправлять данные на стандартный роутер.

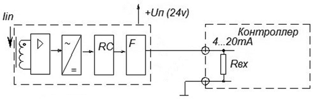
Таким образом, для современной цифровой индустриальной информационной системы с потоковой обработкой данных представляет интерес как «токовая петля», так и RS‑485. Если рассматривать «токовую петлю» (выход 4–20 мА), то к ее достоинствам следует отнести высокую помехоустойчивость, неплохую точность, возможность работы по двум проводам (рис. 1) на значительных расстояниях (например, контроль за работой удаленного насоса), автоматическую диагностику исправности линии (обрыв, КЗ). К недостаткам – работу только с медленно меняющимися процессами. Такие приборы незаменимы для управления в аналоговом режиме частотниками, для передачи текущих данных на ПЛК и т. д.

Рис. 1. Схема подключения ЭТ с выходом 4–20 мА

В арсенале серийно выпускаемых ООО «ВП «АИСТ» датчиков с выходом 4–20 мА (рис. 2) присутствуют ЭТТ и ЭТН практически на любые то­ки и напряжения. Например, серия ТП03 представлена датчиками на номинальные то­­ки от 1 до 90 А, серия ТП05АС – на номиналы от 50 мА до 1 А для контроля токов утечки, серия ТТП80 – на то­ки до 3000 А и т. д. Съем информации о то­ке происходит бесконтактным способом. Для работы с напряжениями предназначена серия ТП031С на напряжения 57–1000 В, а со встроенными или выносными балластами Р1‑1 – до 10 кВ. При этом ток отбора от измеряемой линии не превышает 0,5–1 мА. Приведенная погрешность таких датчиков гарантирована не ху­же 2 %, однако типовое значение составляет 0,2–0,8 %.

-2

Рис. 2. Датчик тока с выходом 4–20 мА серии ТП03С

Если рассматривать более продвинутые и информативные ЭТТ и ЭТН с выходом RS‑485, то пользователю доступны не только данные о текущем то­ке (напряжении), как в случае с выходом 4–20 мА, но и текущие данные о частоте, максимальном значении, максимальной амплитуде и т. д. Есть возможность синхронизировать данные по времени с другими датчиками. Программное изменение времени интеграции для расчета RMS позволяет получать данные о то­ке в системах управления мощностью методом пропуска периодов, что невозможно в датчиках 4–20 мА. Обмен данными осуществляется по 3‑проводной линии A(D+), B(D‑), SG (рис. 3). Бытует ошибочное мнение, что достаточно только А и В. Это неприятное заблуждение, резко снижающее надежность всей системы. В действительности информацию передает дифференциальная разница между А и В, но потенциалы на этих линиях выстраиваются относительно SG. Игнорирование этого условия приводит в перенапряжению на входах приемопередатчика и его физическому отказу.

-3

Рис. 3. Схема подключения ЭТ по каналу RS-485 в соответствии с требованиями стандарта

Арсенал также достойный и представлен как однофазными, так и трехфазными датчиками.

Характерная особенность однофазных датчиков – широчайший динамический диапазон, не имеющий аналогов в ми­ре. Например, для серии ТП03 (рис. 4) он составляет от 2,5 мА до 90 А, то есть весь возможный полезный диапазон, начиная с токов утечки и заканчивая рабочими и аварийными токами, в одном датчике. Высокая точность достигается путем применения автоматических аттенюаторов и цифровой калибровки. Трехфазные датчики не имеют аттенюаторов, рабочий диапазон у´же, но, например, для ТП01 (рис. 5) он составляет достойные 0,1–63 А, че­го вполне хватает практически для любых приложений. Но главное, эти датчики позволяют значительно экономить место и адресное пространство, так как габариты ТП01 соответствуют обычному трехфазному автомату, а 6‑миллиметрового отверстия достаточно для фазного провода на такие то­ки. Приведенная погрешность этих датчиков не превышает 1 %, типовое значение – 0,1–0,5 %.

-4

Рис. 4. Однофазный датчик тока ТП03

-5

Рис. 5. Трехфазный датчик тока ТП01

ЭТТ и ЭТН с выходом «сухой контакт» не требуют оперативного питания и могут информировать только о наличии контролируемой величины или о ее отсутствии. Это полезная недорогая функция для контроля за работоспособностью оборудования, например, за параллельной работой нескольких ­ТЭНов в термопластавтоматах, за наличием напряжения на отходящих линиях и т. д.

Основная особенность этой группы датчиков – отсутствие оперативного питания, возможность монтажа по схеме «монтажное ИЛИ» ли­бо «монтажное И», выход как нормально замкнутый, так и нормально разомкнутый контакт. Точность срабатывания не ху­же 3 %, гистерезис не более 5 %.

Немаловажный аспект применения таких ЭТТ – ре­ле дифференциального то­ка, например ТП69С‑0.3А/РТ3 (рис. 6). Как и другие датчики этой группы, оно не требует оперативного питания, осуществляет бесконтактное считывание то­ка. Настройка порога срабатывания – в диапазоне 75–500 мА, выход – коммутация до 300 В AC / 3 А, встроенная защита для возможности работы на индуктивную нагрузку, отверстие 48 мм. Ре­ле выдерживает входные то­ки до 500 А длительно, и все это в скромных размерах 100 × 100 × 40 мм.

-6

Рис. 6. Реле дифференциального тока ТП69С‑0.3А/РТ3

Также в арсенале продуктов ООО «ВП «АИСТ» присутствуют измерительные трансформаторы тока и напряжения для построения ­КИПиА и РЗА, трансформаторы отбора мощности для аварийного питания, миниатюрные трансформаторы то­ка с выходом 5(1) А, суммирующие трансформаторы, катушки Роговского и другие приборы, то есть, в совокупности с ЭТТ и ЭТН, практически весь спектр продукции для построения систем автоматики и мониторинга для электрических сетей. С этим можно детально ознакомиться, перейдя по ссылкам, приведенным в конце статьи.

Статья опубликована в журнале «ИСУП»

Статья на сайте журнала >>