Найти в Дзене
ГРАНИ РЕАЛЬНОСТИ

Этот организм живёт 15.000 лет. Учёные в панике: он начал эволюционировать

Сибирский "бессмертный" микроб
В вечной мерзлоте на глубине 90 м обнаружен Desulforudis audaxviator — организм, который: 1. Как его нашли
Хронология открытия:
- 2019: Обнаружен в пробах с глубины 63 м — считался "спящим"
- 2023: Ожил в лаборатории через 12 часов после размораживания
- 2025: Найдены новые штаммы в 7 местах Сибири Шокирующий факт:
Бактерия демонстрирует коллективный интеллект — образует сложные структуры при угрозе. 2. Чем он опасен
Последние исследования: Проблема:
Учёные не могут предсказать, во что он превратится через 5 лет. 3. Теории происхождения
Гипотеза 1: - Потомок древней жизни, пережившей пермское вымирание (250 млн лет назад)
Гипотеза 2:
- Результат естественного квантового компьютера — мутирует, используя радиацию как источник энергии
Гипотеза 3 (самая пугающая):
- Искусственно созданный организм для утилизации цивилизации 4. Практическое применение Опрос: *Как относитесь к таким открытиям?*
▢ Это прорыв для науки
▢ Нужно срочно изу

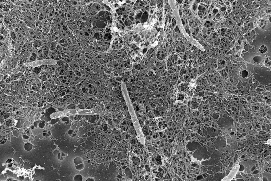
Сибирский "бессмертный" микроб
В вечной мерзлоте на глубине 90 м обнаружен
Desulforudis audaxviator — организм, который:

  • Не стареет с момента попадания в лёд (возраст подтверждён радиоуглеродным анализом)
  • Выживает при +150°C и -270°C
  • Питается радиоактивными минералами
  • В 2025 году начал мутировать с пугающей скоростью

1. Как его нашли
Хронология открытия:
-
2019: Обнаружен в пробах с глубины 63 м — считался "спящим"
-
2023: Ожил в лаборатории через 12 часов после размораживания
-
2025: Найдены новые штаммы в 7 местах Сибири

Шокирующий факт:
Бактерия демонстрирует
коллективный интеллект — образует сложные структуры при угрозе.

2. Чем он опасен
Последние исследования:

  • Выделяет неизвестный фермент, растворяющий пластик
  • Переносит горизонтальный обмен генами с другими бактериями
  • В лаборатории ускорил разложение нефти в 1000 раз

Проблема:
Учёные не могут предсказать,
во что он превратится через 5 лет.

-2

3. Теории происхождения
Гипотеза 1:

- Потомок древней жизни, пережившей пермское вымирание (250 млн лет назад)

Гипотеза 2:
- Результат
естественного квантового компьютера — мутирует, используя радиацию как источник энергии

Гипотеза 3 (самая пугающая):
- Искусственно созданный организм для
утилизации цивилизации

4. Практическое применение

  • Медицина: Гены долголетия могут продлить жизнь человека
  • Экология: Утилизация ядерных отходов
  • Космос: Модель для выживания на Марсе

Опрос: *Как относитесь к таким открытиям?*
▢ Это прорыв для науки
▢ Нужно срочно изучать риски
▢ Надо сжечь все образцы