Добавить в корзинуПозвонить
Найти в Дзене

Обзор UCFL24P – корпусного подшипникового узла для сельскохозяйственной техники

Корпусные подшипниковые узлы – это комплектные решения для размещения и крепления подшипниковых элементов на различных агрегатах и механизмах. Они используются там, где необходима надежная опора для вращающихся валов, присутствует риск загрязнения, повышенной влажности или агрессивных сред, а требования к монтажу и обслуживанию строже, чем для обычных подшипников. Особое распространение такие узлы получили в сельскохозяйственной технике, где эксплуатационные условия усложняются постоянной работой на открытом воздухе, пылью, влагой и переменными нагрузками. Подшипниковый узел UCFL24P – представитель этой категории, специально рассчитанный на работу в подобных условиях. Данный узел совмещает современный полимерный корпус и классический конический роликовый подшипник – сочетание, обеспечивающее баланс между стойкостью к агрессивным средам и требуемой несущей способностью для бытовых и промышленных сельскохозяйственных машин. Применим в приводах различных роторов, барабанов, рабочих валов,

Корпусные подшипниковые узлы – это комплектные решения для размещения и крепления подшипниковых элементов на различных агрегатах и механизмах. Они используются там, где необходима надежная опора для вращающихся валов, присутствует риск загрязнения, повышенной влажности или агрессивных сред, а требования к монтажу и обслуживанию строже, чем для обычных подшипников.

Особое распространение такие узлы получили в сельскохозяйственной технике, где эксплуатационные условия усложняются постоянной работой на открытом воздухе, пылью, влагой и переменными нагрузками. Подшипниковый узел UCFL24P – представитель этой категории, специально рассчитанный на работу в подобных условиях.

Данный узел совмещает современный полимерный корпус и классический конический роликовый подшипник – сочетание, обеспечивающее баланс между стойкостью к агрессивным средам и требуемой несущей способностью для бытовых и промышленных сельскохозяйственных машин.

Применим в приводах различных роторов, барабанов, рабочих валов, где критичны простота установки и устойчивость к загрязнениям. Основные задачи, которые решает UCFL24P: обеспечение плавного вращения, снижение износа сопряжённых деталей, защита от внешних факторов и упрощение монтажа.

Конструкция и технические характеристики

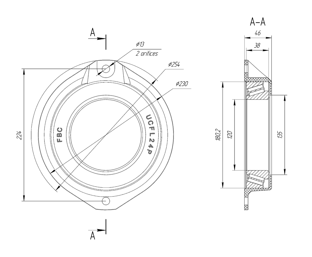
Корпус узла UCFL24P изготовлен из полипропилена (ПП) – легкого и вместе с тем очень стойкого к влаге, агрохимикатам, удобрениям и коррозии материала. Сам корпус – литой, с овальным фланцем FL24P, что облегчает его установку на раму или опорную плоскость.

Крепление производится через два отверстия под болты М12, их размещение строго выверено по отношению к оси вращения, что исключает перекосы и обеспечивает устойчивость при работе.

-2

Внутри корпуса находится роликовый радиально-упорный конический однорядный подшипник 2007124. Такой тип подшипника выгодно отличается от шариковых аналогов способностью воспринимать значительные радиальные и осевые нагрузки, что важно для сельхозмашин, работающих в сложных условиях.

Подшипник выполнен из закалённой стали и фиксируется в корпусе плотной посадкой, что исключает его проворачивание или выдавливание в процессе эксплуатации.

Преимущества

1. Устойчивость к агрессивным средам. Использование полипропилена позволяет применять узел в условиях повышенной влажности, воздействия удобрений, пестициодов и других химических реагентов. Корпус не подвергается коррозии, как металлические аналоги.

2. Легкость и простота монтажа. Узел сразу готов к установке, достаточно закрепить его болтами через отверстия фланца. Его масса ниже, чем у металлических моделей аналогичной прочности, что уменьшает общий вес конструкции техники.

3. Приемлемая несущая способность и долгий срок службы. Применение конического роликового подшипника обеспечивает хорошую сопротивляемость ударным нагрузкам и качениям, что особенно ценно на рыхлых или неровных полях.

-3

4. Минимальный уход и низкие требования к обслуживанию. В полимерном корпусе меньше зон накопления грязи и влаги, проще промывать и очищать поверхность. При необходимости возможно заменить только подшипник, без полного демонтажа корпуса.

5. Соответствие стандартам. Изделие выпускается по ГОСТ 520-2011, что гарантирует его взаимозаменяемость и соответствие стандартным требованиям по размерам и эксплуатационным характеристикам.

Недостатки и ограничения

1. Температурные ограничения. Полипропилен теряет прочность при высоких температурах, поэтому данная серия не подходит для применения возле сильно нагревающихся частей машин, либо в жарком климате с прямым попаданием солнечных лучей на корпус.

2. Ограниченная прочность на удар и жёсткие нагрузки. Несмотря на достаточную прочность для большинства сельхозработ, при экстремальных механических ударах (камни, металлические предметы) полимерный корпус уступает металлическим аналогам.

3. Подшипник требует периодической замены смазки. Как и большинство роликовых подшипников, вставка узла UCFL24P нуждается в регулярном смазывании, особенно если интенсивность эксплуатации высока.

Особенности эксплуатации и применения

Подшипниковые узлы такого типа, как UCFL24P, особенно полезны для применения на боронах, сеялках, жатках, культиваторах и в приводах систем подачи материалов. Их рекомендуют устанавливать там, где есть риск частого промытия водой (мойка после сезона), попадания удобрений или почвы, а простой замены и обслуживания – не редкость.

Овальный фланец корпуса значительно расширяет возможности по монтажу, облегчая центровку узла при сборке и сокращая затраты времени на ремонт. Узел хорошо интегрируется с валами стандартного диаметра и не требует дополнительной подгонки монтажных поверхностей.

-4

Купить корпусный подшипниковый узел UCFL24P – это оптимальное решение для аграрной техники, эксплуатируемой в сложных, загрязнённых или влажных средах. Его ключевые достоинства – высокая устойчивость к химическим и атмосферным воздействиям, простота монтажа и адекватная несущая способность благодаря коническому роликовому подшипнику. Он существенно упрощает работу по обслуживанию механизмов, снижает риск возникновения коррозии и облегчает последующий демонтаж либо замену узла целиком или по частям.

Корпусной подшипниковый узел UCFL24P находит оптимальный баланс между ценой, функционалом и сроком службы для большей части стандартных сельскохозяйственных задач, оставляя за собой право считаться перспективной заменой традиционных металлических узлов.

Вы также можете купить подшипниковый узел UCFL24P  на маркетплейсах:

1) https://www.wildberries.ru/catalog/479975402/detail.aspx?targetUrl=GP

2) https://www.avito.ru/chelyabinsk/zapchasti_i_aksessuary/ucfl24p_podshipnikovyy_uzel_7544111760

3) https://www.ozon.ru/product/ucfl24p-podshipnikovyy-uzel-2544995918/