Добавить в корзинуПозвонить
Найти в Дзене

О ещё одной незаконченной работе в области высококачественных УНЧ

Около полувека тому назад моё внимание привлекли графики, отображающие зависимость тока анода от напряжения на второй сетке уже не помню какого пентода. Бросилась в глаза практически линейная зависимость тока анода от напряжения на второй сетке. Был сделан макет, схема которого приведена в прилагаемой статье. По ряду причин, одной из которых было моё скептическое отношение к дорогостоящей борьбе с искажениями, которые я, как и 99% людей не замечал, работа не была закончена. Но если кого-то заинтересует этот путь борьбы с динамическими интермодуляционными искажениями, то желаю успеха. Можете обращаться, если возникнут какие-то вопросы. НЕДОИССЛЕДОВАННЫЙ УНЧ НА 6П45С. Предмет исследования: УНЧ с двухтактным выходным каскадом, отличающимся тем, что в нём усиливаемые сигналы подают на вторые сетки ламп выходного каскада, а не на первую, как это делает обычно. Цель внесения в схему изменений: уменьшение нелинейных искажений в выходном каскаде. Поставленная цель дости

Около полувека тому назад моё внимание привлекли графики, отображающие зависимость тока анода от напряжения на второй сетке уже не помню какого пентода. Бросилась в глаза практически линейная зависимость тока анода от напряжения на второй сетке. Был сделан макет, схема которого приведена в прилагаемой статье. По ряду причин, одной из которых было моё скептическое отношение к дорогостоящей борьбе с искажениями, которые я, как и 99% людей не замечал, работа не была закончена. Но если кого-то заинтересует этот путь борьбы с динамическими интермодуляционными искажениями, то желаю успеха. Можете обращаться, если возникнут какие-то вопросы.

НЕДОИССЛЕДОВАННЫЙ УНЧ НА 6П45С.

Предмет исследования: УНЧ с двухтактным выходным каскадом, отличающимся тем, что в нём усиливаемые сигналы подают на вторые сетки ламп выходного каскада, а не на первую, как это делает обычно.

Цель внесения в схему изменений: уменьшение нелинейных искажений в выходном каскаде.

Поставленная цель достигается за счёт лучшей линейности анодно- сеточной характеристики лампы по второй сетке по сравнению с характеристикой по первой сетке.

Недостатки, по которой это, в общем-то, очевидное решение не применялось ранее: проблемы с предоконечным каскадом. Конкретно:

а) требуется большое выходное напряжение, амплитуда которого примерно равна напряжению покоя на второй сетке;

б) значительный ток, потребляемый второй сеткой оконечного каскада, в) значительные искажения по причинам пп. а) и б).

Путь преодоления: применение в выходном каскаде ламп, у которых достаточный ток анода достигается при относительно низких напряжениях на второй сетке.

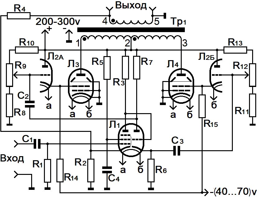
Схема исследуемого УНЧ представлена на рисунке 1.

Рисунок 1

Схема УНЧ

Л1-6Ф12П; Л2-6Н24П; Л3 и Л4-6П45С
Устройство и работа исследуемого УНЧ.
Подаваемый на вход сигнал через конденсатор С1 поступает на вход предварительного каскада усиления, собранного на пентодной части лампы Л1. Усиленный предварительным каскадом сигнал поступает на вход фазоинвертора, выполненного по схеме с разделённой нагрузкой (резисторы R6 и R7) на триодной части лампы Л1. Сигналы с выходов фазоинвертора через конденсаторы С2 и С3 поступают на входы двух катодных повторителей, собранных на двух триодах лампы Л2. Сигналы с выходов эмиттерных повторителей поступают на вторые сетки ламп оконечного каскада Л3 и Л4, к которому через трансформатор Тр1 подключена нагрузка. Сигнал отрицательной обратной связи подаётся с выхода усилителя на катод пентодной части Л1 через резистор R4. Ток покоя ламп выходного каскада регулируют переменными резисторами R9 и R12. При напряжении питания 250 вольт и токе анода одной лампы 120 миллиампер, напряжение на вторых сетках было около 30 вольт. Выходная мощность в режиме класса А была около 25…27 ватт. Предполагалось испытать усилитель в режиме АБ, для чего в схеме были предусмотрены R14 и R15 и источник питания постоянного тока –70 вольт. Но работа делалась факультативно, была прервана из-за реорганизации, после чего продолжения не последовало.

-2

Рисунок 2

В качестве выходного трансформатора Тр1 был использован серийный трансформатор ТС-180. Схема соединения обмоток представлена на рисунке 2. Оптимальное сопротивление нагрузки – 4 Ом.