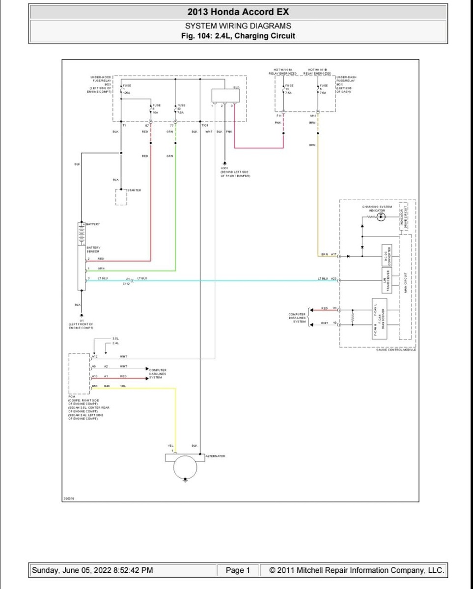
ХОНДА АККОРД 9. ПОСЛЕ ЗАМЕНЫ ДАТЧИКА ТОКА ЗАРЯДКА С ГЕНЕРАТОРА ТО ЕСТЬ ТО НЕТУ. ДИАГНОСТИКА ПОКАЗАЛА, ЧТО НЕИСПРАВНОСТЬ В АКБ.. АКБ КИТАЙСКОГО ПРОИЗВОДСТВА. 6 МЕСЯЦЕВ ВСЕГО В РАБОТЕ! ⚡️
ХОНДА АККОРД 9. ПОСЛЕ ЗАМЕНЫ ДАТЧИКА ТОКА ЗАРЯДКА С ГЕНЕРАТОРА ТО ЕСТЬ ТО НЕТУ. ДИАГНОСТИКА ПОКАЗАЛА, ЧТО НЕИСПРАВНОСТЬ В АКБ.. АКБ КИТАЙСКОГО ПРОИЗВОДСТВА. 6 МЕСЯЦЕВ ВСЕГО В РАБОТЕ! ⚡️
...Читать далее
ХОНДА АККОРД 9. ПОСЛЕ ЗАМЕНЫ ДАТЧИКА ТОКА ЗАРЯДКА С ГЕНЕРАТОРА ТО ЕСТЬ ТО НЕТУ. ДИАГНОСТИКА ПОКАЗАЛА, ЧТО НЕИСПРАВНОСТЬ В АКБ.. АКБ КИТАЙСКОГО ПРОИЗВОДСТВА. 6 МЕСЯЦЕВ ВСЕГО В РАБОТЕ! ⚡️