Добавить в корзинуПозвонить
Найти в Дзене
Паяльник

Часы на основе К176ИЕ12 адаптированные для работы с большими индикаторами

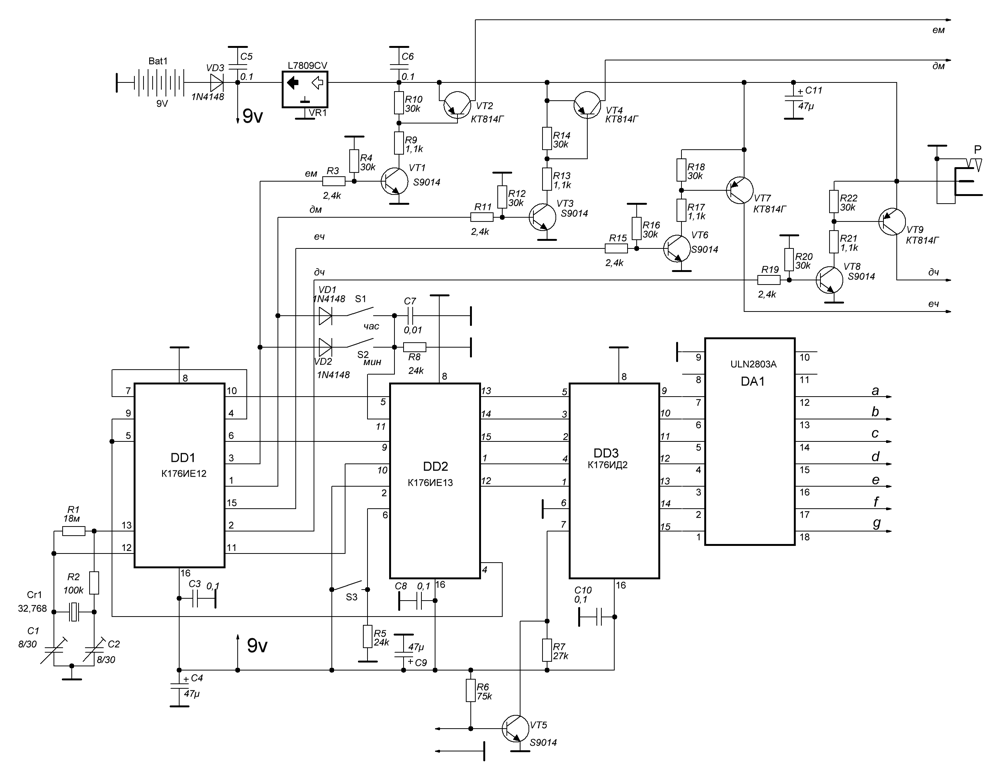
Приведённая в статье схема часов представляет из себя приспособленную для работы с большими семисегментными индикаторами типовую схему часов на основе К176ИЕ12. Лежали как-то у меня в течение нескольких лет вот такие индикаторы и решил, что не дело им так лежать, вот и решил сделать на их основе часы. Один индикатор отличается, так как докупал его, но главное по размерам он аналогичен трём остальным. В качестве схемы часов выбрал типовую схему на основе К176ИЕ12 с внесёнными дополнениями. Электрическая принципиальная схема часов. Первая часть схемы. Пояснение по схеме:
Ем — единицы минут.
Дм — десятки минут.
Еч — единицы часов.
Дч — десятки часов. Выходы к176ид2 усилены применением микросхемы ULN2803A, которая представляет 8 независимых транзисторный ключей, которые могут работать с нагрузкой потребляющей ток до 500ма при напряжении до 50 вольт. Применение микросхемы вызвано тем, что к176ид2 не сможет работать с такими индикаторами, так как максимальный ток к176ид2 не более 9ма, в то в

Приведённая в статье схема часов представляет из себя приспособленную для работы с большими семисегментными индикаторами типовую схему часов на основе К176ИЕ12.

Лежали как-то у меня в течение нескольких лет вот такие индикаторы и решил, что не дело им так лежать, вот и решил сделать на их основе часы. Один индикатор отличается, так как докупал его, но главное по размерам он аналогичен трём остальным. В качестве схемы часов выбрал типовую схему на основе К176ИЕ12 с внесёнными дополнениями.

-2

Электрическая принципиальная схема часов. Первая часть схемы.

Пояснение по схеме:
Ем — единицы минут.
Дм — десятки минут.
Еч — единицы часов.
Дч — десятки часов.

Выходы к176ид2 усилены применением микросхемы ULN2803A, которая представляет 8 независимых транзисторный ключей, которые могут работать с нагрузкой потребляющей ток до 500ма при напряжении до 50 вольт. Применение микросхемы вызвано тем, что к176ид2 не сможет работать с такими индикаторами, так как максимальный ток к176ид2 не более 9ма, в то время как только один сегмент индикатора потребляет 16ма.

Транзистор VT5 – это задел на будущее. Если транзистор закрыть, что индикаторы погаснут, что можно использовать для гашения индикации в тёмное время суток, правда потребуется собрать схему, которая бы управляла работой этого транзистора. Поскольку часы планировались на кухню, то от выключения индикации ночью я отказался. Если же на базу VT5 подать сигнал ШИМ, то можно будет регулировать яркость свечения индикаторов.

Напряжение питания часов 12в, центральный контакт штекера +. Источник питания должен выдавать ток не выходе минимум 1 ампер.

Диод VD3 смонтирован на контактной колодке подключаемой к батарейке типа "Крона".

Настройка

Правильно собранная схема начинает работать сразу, но для точного хода часов иногда может потребоваться точная подстройка частоты кварцевого генератора. Осуществляется она конденсаторами C1 и C2.

-3

Вторая часть схемы, соединение индикаторов.

Расположение компонентов на плате.

-4

Кнопки S1 и S2 вместе с разъёмом P смонтированы на отдельной платке. Токоведущие проводники вырезаны на плате вместо травления.

-5

Вид на плату со стороны основной части компонентов.

-6

Вид со стороны токоведущих дорожек.

-7

Расположение платы и индикаторов в корпусе. С корпусом не стал заморачиваться и представляет он из себя деревянную рамку, которая просто держит индикаторы и плату часов.

-8

Внешний вид итогового изделия показан в видео.

Скачать список элементов (PDF)

Прикрепленные файлы:

Автор: cxema112