Найти в Дзене
Kelvin Ph.

Простой с-гетеродин на фиксированную частоту

Примерно 10 лет назад собирал вот такой приёмник на одну фиксированную частоту. Частота определяется установленным(подключенным кварцевым резонатором) и входным контуром.
Надо заметить что пьезофильтр тоже играет роль в частоте приёма. Такие фильтры бывают оранжевыми на 455, 465, 500 кГц.
На сайте AliExpress есть двуногие на 1 MГц. У них нет среднего контакта подключаемого к общему схемы.
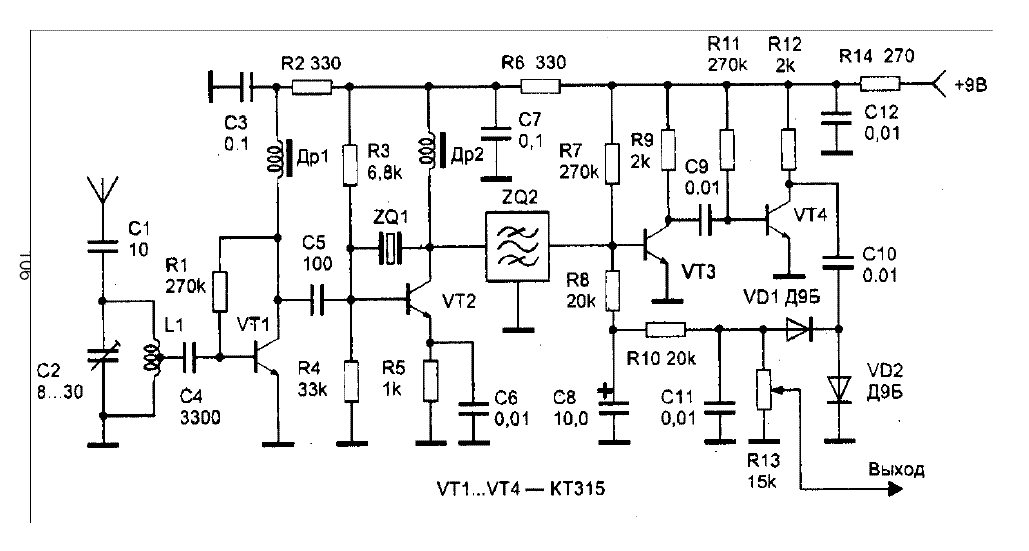
Схема относительно простая, на первом транзисторе организован (УВЧ) усилитель высокой частоты с избирательным контуром. В коллекторе каскада с ОЭ используется дроссель, для развязки. Далее гетеродин - смеситель, возбуждение которого определяется кварцевым резонатором включенным между базой и коллектором. Полезный сигнал с УВЧ также подаётся на базу.
Результат смешивания отправляется на вышеупомянутый пьезофильтр ZQ2. Полученная ПЧ подаётся на УПЧ на двух транзисторах VT3 и VT4. Усиленный сигнал детектируется двумя диодами Д9.
Цепь C11, R10, C8, R8 работает как АРУ в небольших пределах, чем выше уро

Примерно 10 лет назад собирал вот такой приёмник на одну фиксированную частоту. Частота определяется установленным(подключенным кварцевым резонатором) и входным контуром.
Надо заметить что пьезофильтр тоже играет роль в частоте приёма. Такие фильтры бывают
оранжевыми на 455, 465, 500 кГц.
На сайте AliExpress есть двуногие на 1 MГц. У них нет среднего контакта подключаемого к общему схемы.
Схема относительно простая, на первом транзисторе организован (УВЧ) усилитель высокой частоты с избирательным контуром. В коллекторе каскада с ОЭ используется дроссель, для развязки. Далее гетеродин - смеситель, возбуждение которого определяется кварцевым резонатором включенным между базой и коллектором. Полезный сигнал с УВЧ также подаётся на базу.
Результат смешивания отправляется на вышеупомянутый пьезофильтр ZQ2. Полученная ПЧ подаётся на УПЧ на двух транзисторах VT3 и VT4. Усиленный сигнал детектируется двумя диодами Д9.
Цепь C11, R10, C8, R8 работает как АРУ в небольших пределах, чем выше уровень сигнала, тем меньше уровень напряжения на С8, следовательно ниже усиление VT3.

схема приёмника на транзисторах
схема приёмника на транзисторах

По схеме звук снимается с подвижного контакта подстроечного\переменного резистора R13. В моей схеме (ниже) используется конденсатор 330 nF. На фото ниже это плёночный оранжевый достаточно крупный конденсатор справа, возле керамического блокировочного по питанию.

LAY схема приёмника
LAY схема приёмника

Фото схемы приёмника на транзисторах
Фото схемы приёмника на транзисторах

Несколько слов о деталях:
Использованные транзисторы: первые два
S9018, далее 2N3904.
Рядом с C8 на фото установлен электролит по питанию 220 мкФ*16в.
размеры моей схемы 90*23 мм. 
на обратной стороне:
припаян SMD переменный конденсатор С2 (зелёный),
входной SMD конденсатор керамика, вероятно 10..12 пФ (С1)
R2, R3, R5, R6 - SMD.
С3 по схеме - на фото большой оранжевый 330 nF,
R13 нет, к точке выхода подключен аналогичный 330 nF, на фото он плёночный оранжевый справа.

-4

Собранная схема практически не требует наладки.
Важно сразу определится с катушкой, конденсатором входного контура, и кварцевым резонатором гетеродина.
Естественно мощности звука для прослушивания недостаточно, нужно использовать какой-то усилитель низкой частоты, исходя из напряжения питания данной схемы - 8-9 вольт.

Могу посоветовать УНЧ по схеме ниже:

УНЧ на 4 транзисторах, 9 вольт
УНЧ на 4 транзисторах, 9 вольт

Для переключения между принимаемыми частотами, если это нужно, можно использовать переключатель двух-трёх кварцев и\или двух трёх пьезофильтров.
сделать это можно либо галетными переключателями или перемычками.
Для подстройки\перестройки частоты приёма в небольших пределах можно использовать подстроечный конденсатор и\или катушку входного контура.

Данный приёмник можно использовать для приёма на радиолюбительских диапазонах, таких как 3.5, 7, 14 или 27 мГц. Но как я писал выше, изменения принимаемой частоты элементами входного контура не значительные.

В простоте данного приёмника есть некоторые минусы качества приёма.
Избирательность по зеркальному каналу здесь не высокая.